SM481_TechnicalReference(Eng_Ver1[1].1) - 第164页
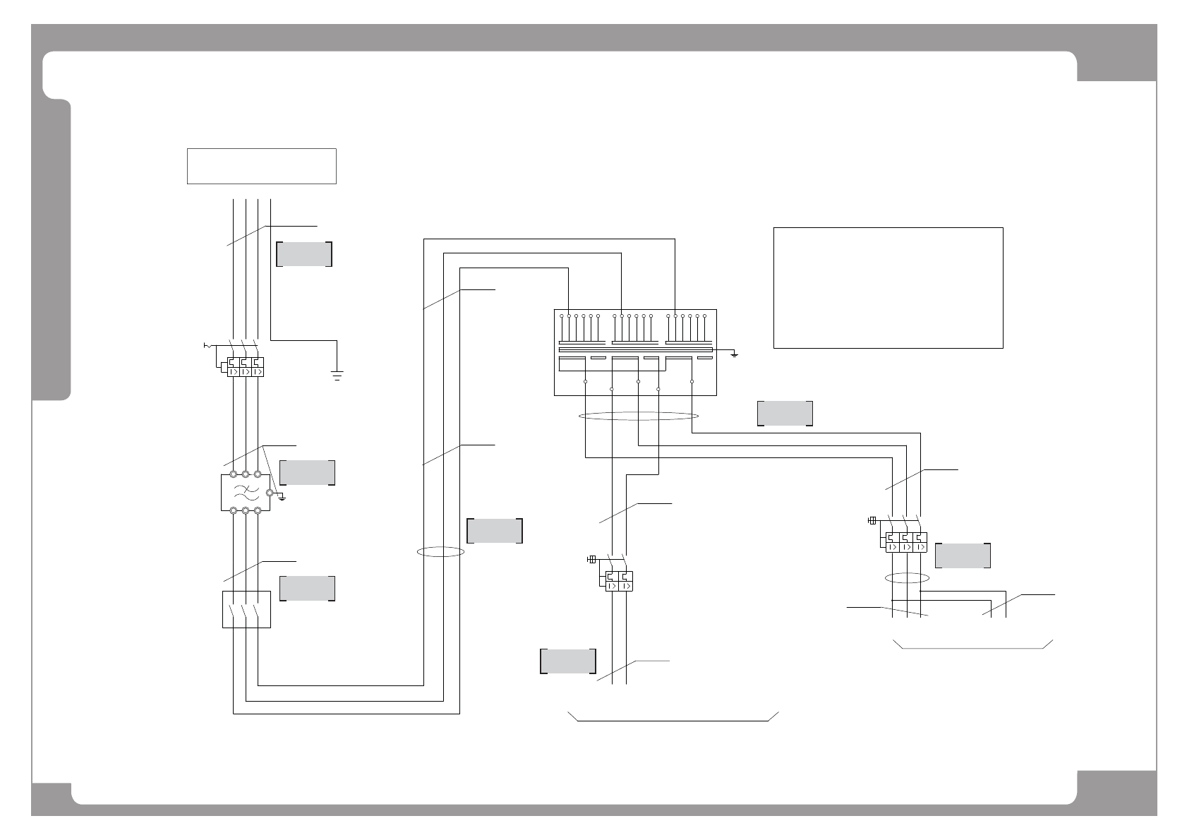
Page SAMSUNG TECHWIN 154 SM481 Power Block Diagram(4/8) 2 2 PE01 2 2 PE02 2 2 2 2 2 2 240 SM33_PW005 SM41_PW004 2.5 mm 2.5 mm -MAIN S/W (600V AC,20A) L32 L33 L31 -NF1 (3Ø, 20A) L22 L21 L23 2P-C16 -CP1 SM41_PW003 SM41_PW0…

Page
SAMSUNG TECHWIN
153
SM481
Power Block Diagram(3/8)
NO. Lev. PART NO. PART NAME Q'TY Old No. Supply Supply LT Reference
1 AM03-006954A CABLE ASSY-AC RELAY POWER 1 SM48N_PW005
2 AM03-006889A CABLE ASSY-R RIGHT FEEDER BASE PWR 1 SM48_FD007
3 AM03-006956A CABLE ASSY-PS3_PS4_PW_T2L 1 SM48N_PW202
4 AM03-006888A CABLE ASSY-R LEFT FEEDER BASE PWR 1 SM48_FD006
5 AM03-006887A CABLE ASSY-F RIGHT FEEDER BASE PWR 1 SM48_FD005
6 AM03-006886A CABLE ASSY-F LEFT FEEDER BASE PWR 1 SM48_FD004
7 AM03-006893A CABLE ASSY-AC RELAY JUMPER 1 SM482_PW006
8 AM03-006885A CABLE ASSY-R FDR PWR RELAY 1 SM48_FD003
9 EP02-000588A FEEDER CN7 EXT CABLE ASSY 1 SM411N_FD001
10 AM03-006884A CABLE ASSY-F FDR PWR RELAY 1 SM48_FD002
11 AM03-006905A CABLE ASSY-RELAY_PW_SUPPLY 1 SM48_PW135
12 J90834654A RELAY_CONNECT_CABLE_ASSY SM41-PW034 1 SM41_PW034
13 AM03-006890A CABLE ASSY-24V POWER EXT 1 SM48_FD008
14 AM03-006956A CABLE ASSY-PS3_PS4_PW_T2L 1 SM48N_PW202
15 AM03-006897A CABLE ASSY-GENERAL_PW_RELAY 1 SM48_PW032
16 AM03-006898A CABLE ASSY-FEEDER_PW_RELAY 1 SM48_PW033

Page
SAMSUNG TECHWIN
154
SM481
Power Block Diagram(4/8)
2
2
PE01
2
2
PE02
2
2
2
2
2
2
240
SM33_PW005
SM41_PW004
2.5 mm
2.5 mm
-MAIN S/W
(600VAC,20A)
L32
L33
L31
-NF1
(3Ø, 20A)
L22
L21
L23
2P-C16
-CP1
SM41_PW003
SM41_PW001
2.5 mm
FACTORY MAIN POWER
4.0 mm
(3Ø/PE 60HZ 200~415VAC)
-MCCB1
(3Ø, 20A)
L13
L12
L11
APPROX. 5KVA)
T
SR
-EARTH PLATE
FRAME GROUND
-TRANS
220V
208200 220
L31
PE
to TB1-1A,TB1-6A
1L1
1L2
22S
22R
SM48_PW008
22T
3P-C16
-CP2
TF2L1
TF2L2
TF2L3
220V 220V
0V 220V
200220415380 200 208 380240 415
L32
415208 220 380240
L33
2.5 mm
X,Y1,Y2,SW,WD AXIS(SERVO)
to MC1
6.SECONDARY #1 : 1Ø 220(2KVA)
SECONDARY #2 : 3Ø 220(3KVA)
2.FREQUENCY : 50/60Hz
1.CAPACITY : 5KVA
3.PHASE : 3Ø
4. CONNECTION: Y-Y
<TRANS SPECIFICATION>
5.PRIMARY : 3Ø 200/208/220/240/380/415V, 5KVA
(23860)
(23880)
to TB1-13A,TB1-15A
22R 22T
CONTROL RACK(PC+VME)
MONITOR1,2
2.5 mm
TF1L1
TF1L2
2.5 mm
SM421_PW106
2.5 mm
2.5 mm
2.5 mm
DC POWER #1,#2(24VDC)
AC FAN
SM482_PW007
246
135
1
456
23
2
1
264
135
4
3
24
13
6
5
1
2
3
4
6
5
7

Page
SAMSUNG TECHWIN
155
SM481
Power Block Diagram(4/8)
NO. Lev. PART NO. PART NAME Q'TY Old No. Supply Supply LT Reference
1 J90831063A MAIN_POWER_CABLE_ASSY SM33-PW001 1 SM41_PW001
2 J90831344B MCCB_NF1-CABLE-ASSY 1 SM41_PW003
3 J90831345A NF1_MAIN SWITCH CABLE ASS'Y 1 SM41_PW004
4 J90831067B MAIN_SWITCH_TB2_CABLE_ASSY 1 SM33_PW005
5 AM03-006872A CABLE ASSY-CP1_TB1 1 SM482_PW007
6 AM03-003859A CABLE ASSY-TRANS_CP1_2 1 SM421_PW106
7 AM03-006873A CABLE ASSY-CP2_TB1-MC1 1 SM48_PW008