SM481_TechnicalReference(Eng_Ver1[1].1) - 第93页
Page SAMSUNG TECHWIN 83 SM481 AIR Ass’y(2/5) NO. Lev . P ART NO. P ART NAME Q'TY Ol d No. Supply Supply L T Referen ce 1 J67081006 A MIST_SEP ARA TOR_ASSY T AC4020-04D-R3643 1 2 J671 1 1032A MIST_FITTING SQV12-04S 1…

Page
SAMSUNG TECHWIN
82
SM481
AIR Ass’y(2/5)
FILTER ASSY
SOL_VALVE_EDGE_FIX-OPTION
2-J6711028A
KQ2L04-01
J67010088B
CM2C32-50
J67081006A
MIST_SEPARATOR_ASSY
J67111032A
SQV12-04S
U2-4-12*8
J67111032A
SQV12-04S
U2-4-12*8, BLACK
U2-4-6*4, BLACK
U2-4-8*5, BLACK U2-4-8*5, BLACK
U2-4-6*4, YELLOW
U2-4-6*4, BLACK
U2-4-12*8, BLACK
AM03-007338A SOL_VALVE_EDGE_FIX-OPTION
2-J6703028A
SS4-M5MA
2-H
P09-000164
U-E-1/8-S
HP06-000279
QS-E-1/8-8-C
3-HP06-000275
DIN 908-G1/8-ST
U2-4-6*4(YELLOW)
HP14-000398
GRLA-E-M5-QS-4C
J67031002A
ASD230F-M5-04
U2-4-4*2.5
4-H
P14-000397
VUVG-S10-M52-RT-M5-1H2L
J1301188
KQ2L04-M5
J6701018B
WTS10X30-RS2
U2-4-4*2.5(BLUE)
U2-4-4*2.5
J1301354
AS1201F-M5-04-X214
J9080778B
(J6701064A
)
BDAS10X5-1A-ZC153A2
U2-4-4*2.5(YELLOW)
U2-4-4*2.5
2-J6703028A
SS4-M5MA
J6701087A
CQ2B12-KRC0137-2D
J67090018B
AR10-M5BG
2-J1301188
KQ2L04-M5
U2-4-4*2.5
J1301188
KQ2L04-M5
HP09-000156
B-M5-B
STANDARD
㐐,
⫽㢀
㷌⫠
HP15-000010
VABB-L1-10-S
HP09-000157
MANIFOLD-VABM-L1-10S-G18-4
CONVEYOR ASSY SOL_VALVE_EDGE_FIX-OPTION
BUT ASSY
STOPPER ASSY(WORK)
ANC ASSY
EDGE FIXER (OPTION)
A-B
A-D
A
2 2
1
3
6
7
8
5
9
10
11
11
4
5
11
12
13
14
15
16
17
18
19
20

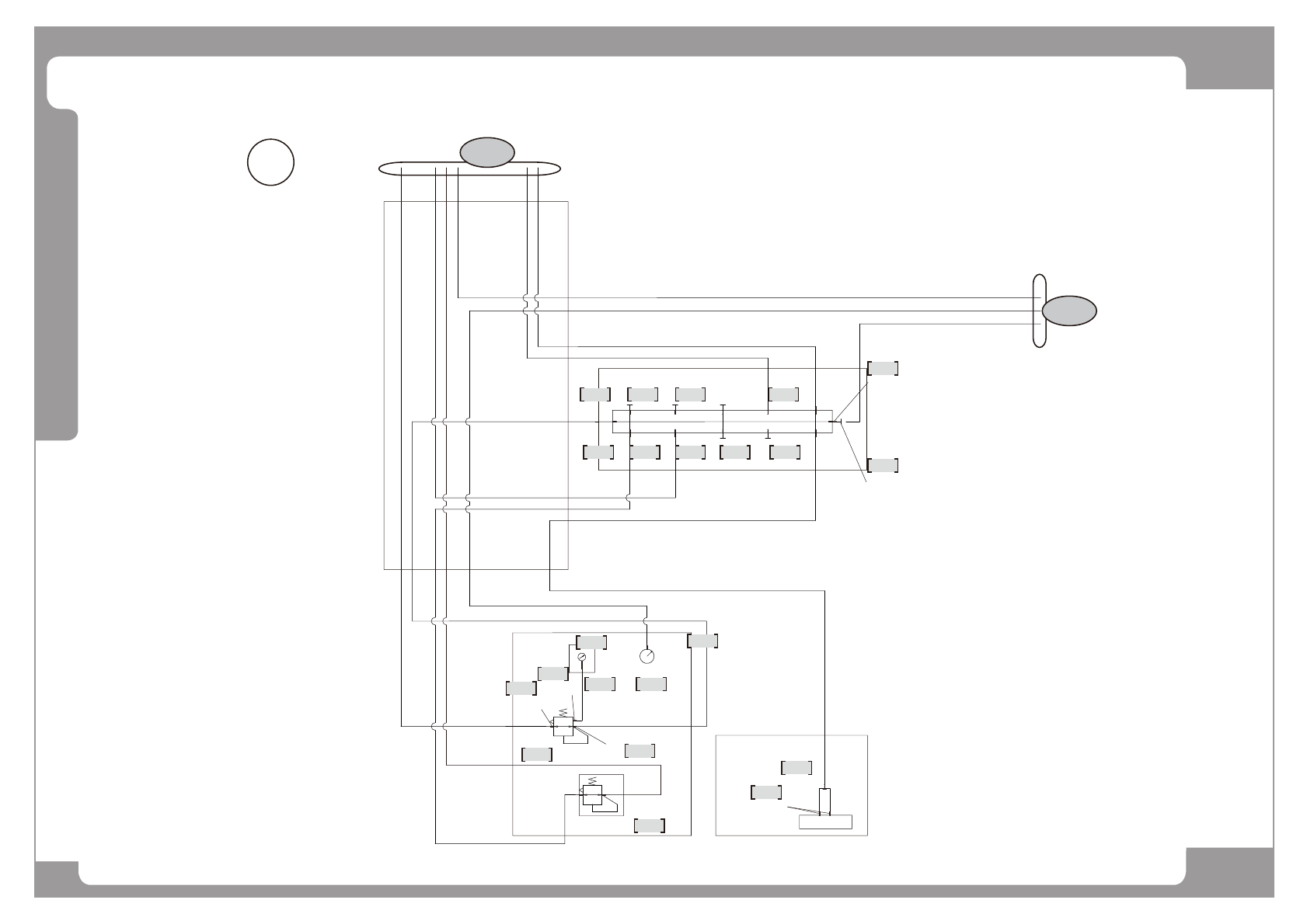
Page
SAMSUNG TECHWIN
83
SM481
AIR Ass’y(2/5)
NO. Lev. PART NO. PART NAME Q'TY Old No. Supply Supply LT Reference
1 J67081006A
MIST_SEPARATOR_ASSY TAC4020-04D-R3643
1
2
J67111032A MIST_FITTING SQV12-04S
1
3
J67010088B CYLINDER CM2C32-50-XC3BB
1
4 J6711028A ELBOW FITTING KQ2L04-01/SQL04-01S-W 1
5 J6703028A SPEED CONTROLLER [SS4-M5MA] 1
6 HP03-000096
CYLINDER-CXSJM10-40-A93
1 J6701018B
7 J1301354 AS1201F-M5-04-X214 1
8 J9080778B ANC SENSOR CABLE ASSY[SM-CV010] 1
9 J67090018B REGULATOR 1
10 J6701087A EDGE CYLINDER[CQ2B6-CJJC2948] 1
11 J1301188 FITTING [KQ2L04-M5/PL4-M5M/SQL04-M5] 1
12 HP14-000398 VALVE,THROTTLE-GRLA-E-M5-QS-4C 1
13 HP06-000275 FITTING-DIN 908-G1/8-ST;Plug,Thread 1
14 HP09-000157 MANIFOLD-VABM-L1-10S-G18-4 1
15 J67031002A DOUBLE_SPEED_CONTROLLER ASD230F-M5-04 1
16 HP14-000397 VALVE,SOLENOID-VUVG-S10-M52-RT-M5-1H2L 1
17 HP09-000156 ACCESSORY,PNEUMATICS-B-M5-B 1
18 HP15-000010 ACCESSORY,VALVE-VABB-L1-10-S 1
19 HP06-000279 FITTING-QS-E-1./8-8-C;STRAIGHT FITTING 1
20 HP09-000164 SILENCER-U-E-1/8-S 2

Page
SAMSUNG TECHWIN
84
SM481
AIR Ass’y(3/5)
HP09-000007
KM11-08-12-10
MANIFOLD ASSY
(LEFT CABLE DUCT ASSY 하위에 포함)
VAC
UUM GENERATOR (OPTION)
AIR FRONT PANEL ASSY
FEE
DER BASE ASSY (ST)
FEEDER BASE ASSY(REAR-ST)
FEEDER BASE ASSY(FRO
NT-ST)
Feeder Base
VACUUM PUMP (STANDARD)
LEFT CABLE DUCT ASSY
J6711183A
KQ2R06-08
HP06-000226
FITTING KQ2R10-12
(S
T OPTION
㢰
ᷱ㟤
KQ2P-10 㥐ᶤ䚌Ḕ ⵤ㉔䚔 ᶷ
)
U2-4-4*2.5
J1301187
KQ2L12-04
J1301187
KQ
2L12-04
U2-4-12*8, BLACK
J6711028A
KQ2L04-01
J6711147A
KQ2H04-M5
J67090012B
TA
R4000-04
J61191167A
FITTING KQ2F04-01
J61191172A
METER GZ46-K-01-C1
J67091014A
AR08-T2-D
OMO-J346A
U2-4-12*8, BALCK
U2-4-12*8, BLACK
U2-4-4*2.5
J6711168A
BU
YD06-04
U2-4-4*2.5
2-J1301188
KQ
2L04-M5
J67121002A
PLUG KQ2P-10
U2-4-4*2.5, BLACK, 2500mm
U2-4-12*8, BLACK, 1000mm
U2-4-12*8, BLACK, 2000mm
U2-4-6*4, BLACK, 1000mm
U2-4-6*4, YELLOW, 2700mm
U2-4-6*4, BLACK, 1000mm
U2-4-6*4, BLACK
U2-4-12*8, BACLK
U2-4-4*2.5, BALCK
U2-4-6*4, BALCK
J6711183A
KQ2R06-08
J67121009A
PLUG KQ2P-08
J6711183A
KQ2R06-08
J67121009A
PLUG KQ2P-08
U2-4-6*4, YELLOW
J6711183A
KQ2R06-08
U2-4-6*4, BLACK
U2-4-8*5, BLACK
BLACK
J67121009A
PLUG KQ2P-08
J67121009A
PLUG KQ2P-08
U2-4-12*8, BLACK, 3600mm
U2-4-4*2.5, BLACK, 2000mm
U2-4-4*2.5, BLACK, 1000mm
U2-4-4*2.5, BLACK, 1000mm
U2-4-6*4, BLACK
전면 FEEDER
HP09-000150
SPABT-P10-R18-2N-K1
J67121009A
PLUG KQ2P-08
B
A-B
B-C
1 1 1 2
3
4
12 2 21
5
6 8
9
10
10
12
13
14
11
7