P-0199-001.pdf - 第150页

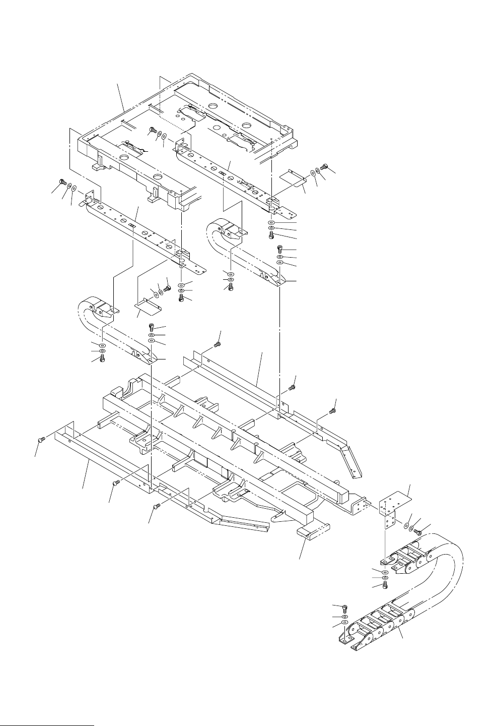
MODEL TCM-3700-2 0109-001 148 9 8 7 3-1 4 5 6 13 31 32 33 34 12 11 10 11 12 13 32 33 34 31 4 8 7 9 3 5 6 11 12 13 2 1 2 2 13 12 11 10 2 2 2 21 22 23 24 27 26 28 28 25 27 26 1-1 See Fig.6-3 Key No.1 See Fig.6-2 Key No.1 T…

100%1 / 274
MODEL TCM-3700-2
0109-001
147
Key No. PART No. PART NAME Q’ty REMARKS
NOTE
6-8
1 630 065 2512 PLATE 1 739J--01B-114
2 630 054 8938 SPRING,TORSION 1 739J--01B-116
3 630 054 8914 PLATE 1 739J--01B-118
4 630 000 8883 SET SCREW 1 M3X4 SET
5 630 054 4343 PLATE 1 739J--01B-120
6 630 004 1798 SENSOR,PHOTO 1 PHS56 739J--01H-073
6 -1 630 000 0269 SENSOR,PHOTO(CONNECTOR) 1 739J--01H-075
7 411 088 9005 WASHER F 3X6X0.5 2 FWS3 F
8 411 086 4408 WASHER SPR 3 2 SW3 F
9 411 040 6202 SCR PAN 3X10 2 M3X10 PAN
10 411 141 3902 WASHER V 3X7X0.5 2 FW3
11 411 141 2806 WASHER SPR 3 2 SW3
12 630 000 7510 BOLT,HEX-SCT 2 M3X8
21 630 065 2505 PLATE 1 739J--01B-113
22 630 054 4329 SPRING,TORSION 1 739J--01B-115
23 630 054 4312 PLATE 1 739J--01B-117
24 630 000 8883 SET SCREW 1 M3X4 SET
25 630 063 1425 PLATE 1 739J--01B-119
26 630 004 1798 SENSOR,PHOTO 1 PHS55 739J--01H-073
26 -1 630 000 0269 SENSOR,PHOTO(CONNECTOR) 1 739J--01H-075
27 411 088 9005 WASHER F 3X6X0.5 2 FWS3 F
28 411 086 4408 WASHER SPR 3 2 SW3 F
29 411 040 6202 SCR PAN 3X10 2 M3X10 PAN
30 411 141 3902 WASHER V 3X7X0.5 2 FW3
31 411 141 2806 WASHER SPR 3 2 SW3
32 630 000 7527 BOLT,HEX-SCT 2 M3X10
125 630 076 1948 ASSY,CORD (C35-PHS56-SP) 1
MODEL TCM-3700-2
0109-001
148
9
8
7
3-1
4
5
6
13
31
32
33
34
12
11
10
11
12
13
32
33
34
31
4
8
7
9
3
5
6
11
12
13
2
1
2
2
13
12
11
10
2
2
2
21
22
23
24
27
26
28
28
25
27
26
1-1
See Fig.6-3
Key No.1
See Fig.6-2
Key No.1
TCM-3700-2
Fig.6-9
㨄㨅࠹࡯ࡉ࡞ㇱ XY TABLE SECTION
Fig. 6-9 ㈩✢ᡰᜬㇱ Wiring Support
MODEL TCM-3700-2
0109-001
149
Key No. PART No. PART NAME Q’ty REMARKS
NOTE
6-9
1 630 084 5174 BRACKET 1 739J--01B-064
1 -1 630 084 5167 BRACKET 1 739J--01B-063
2 411 051 1708 SCR TRS 4X6 8 M4X6 TRS
3 630 084 3620 PLATE 1 739J--01B-056
3 -1 630 084 3637 PLATE 1 739J--01B-057
4 411 141 4008 WASHER V 4X9X0.8 2 FW4
5 411 141 2905 WASHER SPR 4 2 SW4
6 630 000 7626 BOLT,HEX-SCT 2 M4X10
7 411 141 3902 WASHER V 3X7X0.5 4 FW3
8 411 141 2806 WASHER SPR 3 4 SW3
9 630 000 7510 BOLT,HEX-SCT 4 M3X8
10 630 084 0247 MECH PARTS 2 739J--01H-131
11 411 141 3902 WASHER V 3X7X0.5 8 FW3
12 411 141 2806 WASHER SPR 3 8 SW3
13 630 000 7503 BOLT,HEX-SCT 8 M3X6
21 630 084 5136 BRACKET 1 739J--01B-022
22 411 141 4107 WASHER V 5X10X1 4 FW5
23 411 141 6705 WASHER SPR 5 4 SW5
24 630 000 7763 BOLT,HEX-SCT 4 M5X16
25 630 095 6702 MECH PARTS(CABLEVEYOR) 1 739J--01H-026
26 411 141 4107 WASHER V 5X10X1 8 FW5
27 411 141 6705 WASHER SPR 5 8 SW5
28 630 000 7732 BOLT,HEX-SCT 8 M5X8
31 630 080 2863 COVER 2 739J--01B-391
32 411 141 3902 WASHER V 3X7X0.5 4 FW3
33 411 141 2806 WASHER SPR 3 4 SW3
34 630 000 7497 BOLT,HEX-SCT 4 M3X4