P-0199-001.pdf - 第179页
MODEL TCM-3700-2 0109-001 177 Key N o. P AR T No . P AR T NAME Q’ t y REMA RKS NOTE 9-2 1 630 084 4146 BRA CKE T( STO PPER) 1 739F--01B-027 1 -1 630 084 4160 B RA CK ET( ST O PPER) 1 739F--01B-037 1 -2 630 084 4177 BL OC…

MODEL TCM-3700-2
0109-001
176
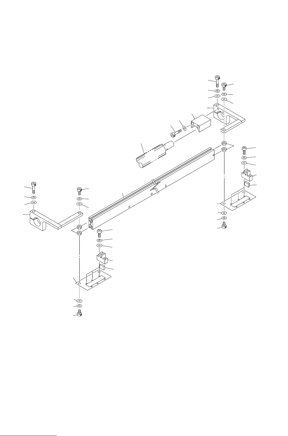
࠻ࡦࠬࡈࠔㇱ TRANSFER SECTION
Fig. 9-2 ㅍࠅ⟎ᬌㇱ Transfer Position Detector
1
2
3
4
5
8
7
6
9
10
10
12
13
14
15
16
19
18
17
See Fig.9-1
Key No.12
9
1-1
1-2
1-3
1-4
2
3
4
8
7
6
15
16
19
18
17
12
13
14

MODEL TCM-3700-2
0109-001
177
Key No. PART No. PART NAME Q’ty REMARKS
NOTE
9-2
1 630 084 4146 BRACKET(STOPPER) 1 739F--01B-027
1 -1 630 084 4160 BRACKET(STOPPER) 1 739F--01B-037
1 -2 630 084 4177 BLOCK(STOPPER) 1 739F--01B-038
1 -3 411 141 2905 WASHER SPR 4 2 SW4
1 -4 630 000 7701 BOLT,HEX-SCT 2 M4X40
2 411 141 4305 WASHER V 6X12.5X1.6 2 FW6
3 411 141 3001 WASHER SPR 6 2 SW6
4 630 000 7923 BOLT,HEX-SCT 2 M6X35
5 630 084 4153 SUPPORT 1 739F--01B-030
6 411 141 4305 WASHER V 6X12.5X1.6 2 FW6
7 411 141 3001 WASHER SPR 6 2 SW6
8 630 000 7886 BOLT,HEX-SCT 2 M6X16
9 411 141 0703 NUT HEX 6 6 M6
10 630 053 5181 PLATE(PHOTO L) 2 739F--01B-028
12 411 141 4305 WASHER V 6X12.5X1.6 4 FW6
13 411 141 3001 WASHER SPR 6 4 SW6
14 630 000 7879 BOLT,HEX-SCT 4 M6X12
15 630 000 0245 SENSOR,PHOTO 6 PHS45, PHS43, PHS47,
PHS104, PHS44, PHS124
739F--01H-004
16 630 000 0269 SENSOR,PHOTO(CONNECTOR) 6 739F--01H-025
17 411 088 9005 WASHER F 3X6X0.5 12 FWS3 F
18 411 086 4408 WASHER SPR 3 12 SW3 F
19 411 162 1604 SCR PAN 3X20 12 M3X20 PAN

MODEL TCM-3700-2
0109-001
178
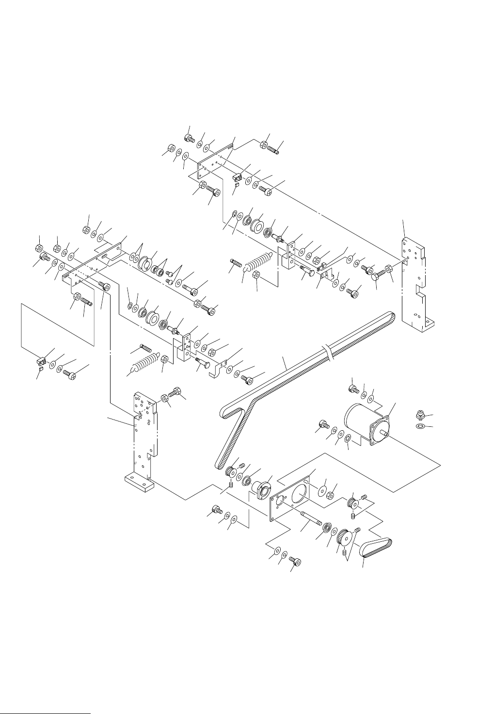
࠻ࡦࠬࡈࠔㇱ TRANSFER SECTION
Fig. 9-3 ࠻ࡦࠬࡈࠔ㚟േㇱ Transfer Driver
14
15
16
21
18
19
20
22
23
59
38
39
40
41
42
43
44
45
46
66
67
68
65-1
47
54
63
64
57
65
66
67
68
16
17
See Fig.9-1
Key No.2
See Fig.9-1
Key No.1
41
55
38
39
40
41
42
43
44
45
46
79
80
81
82
41
47
54
55
58
63
64
1
2
3
4
7
6
5
5-1
8
9
10
11
12
13
26
25
24
3
4
28
54
55
69
71
72
73
52
53
48
49
50
60
61
62
70
27
30
31
29
32
33
34
35
36
37
55
51
60
61
62
54
48
49
53
52
50
51-1
69
71
72
73
70
87
86