TR7710_Maintenance_ch-v1.0_20141110 - 第10页
Test Resear ch, Inc. 6 TR7710 User Guide – Mainten ance 1.2 背面 圖 2 : TR 7710 機台 後視圖 後上門 後左下風扇 組 後下門 氣壓控制器 後右下風扇組 緊急停止按鈕 斷路器 前後 (I/O) 站連接埠 主電源插座 網路連接埠 三色燈

Test Research, Inc.
TR7710 User Guide – Maintenance 5
1 機器各部簡介
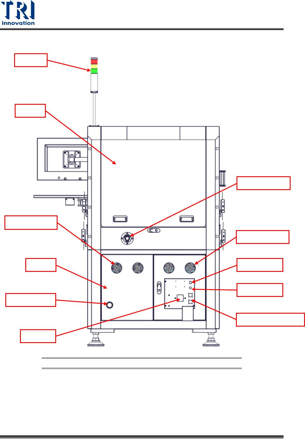
1.1 正面
圖 1: TR7710 機台前視圖
螢幕
三色燈
前下門
滑鼠
鍵盤
地平螺絲
電源開關
前下門
鎖
緊急停止按鈕
控制面板
前上門
1
1
1

Test Research, Inc.
6 TR7710 User Guide – Maintenance
1.2 背面
圖 2: TR7710 機台後視圖
後上門
後左下風扇組
後下門
氣壓控制器
後右下風扇組
緊急停止按鈕
斷路器
前後(I/O)站連接埠
主電源插座
網路連接埠
三色燈

Test Research, Inc.
TR7710 User Guide – Maintenance 7
1.3 左側
圖 3: TR7710 機台左側視圖