CP-65E-07 - 第126页
CP-65E P ARTS LIST ver07 2 7 . 2 . カムボックス 3 ( Y P A ) 2 7 . 2 . C a m b o x 3 ( Y P A ) 2 7 - 4 2 7 . 2 . カムボックス 3 ( Y P A ) 2 7 . 2 . C a m b o x 3 ( Y P A ) R e f . 3 3 - 7 R e f . 3 1 - 1 R e f . 3 1 - 1 R e f . 3 1 -…

27.1.カムボックス 3(YPA)
27.1.Cam box 3(YPA)
番号 図番 & コード番号 個数 品名 規格 備考
No. Drg.No. & Code No. QTY Description Rating Remarks
70 MPA3540 1 PLATE, RETAINING プレート 押え
72 H1083T 1 VALVE, SOL バルブ SOL SS22J-M5-D24UP-Z
73 H5278A BOLT, HEX SOCKET ボルト 六角穴 M3X15L
74 A4042A 2 ELBOW エルボ PL6-M5M
75 Y3075A 1 UNION ユニオン KQU06-00-X15
76 WPH1270 1 HOSE, AIR ホース エアー
82 WPA1840 1 BKT BKT
83 H10246 1 VALVE, PRESSURE REDUCING バルブ 減圧 R002-01G
84 S4040X 2 SENSOR, PHOTO センサ フォト EE-SPX306-W2A
85 K5178T SCREW, C/R PAN 小ネジ 十穴鍋 M3X12L
86 YPA0800 1 BUSHING,RUBBER ブッシュゴム ・
CP-65E PARTS LIST ver07
27 - 3
27.1.カムボックス 3(YPA)
27.1.Cam box 3(YPA)

CP-65E PARTS LIST ver07
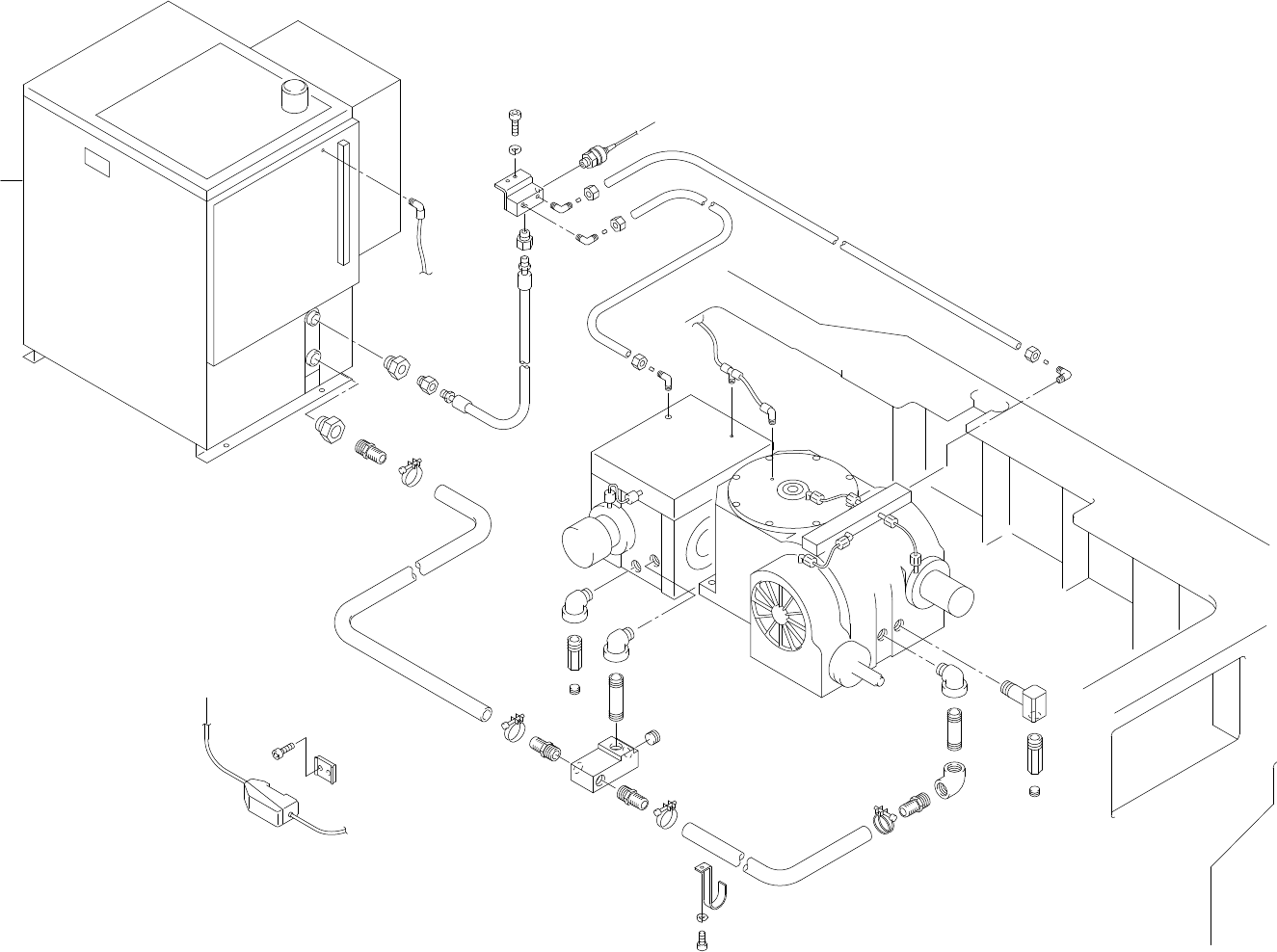
27.2.カムボックス 3(YPA)
27.2.Cam box 3(YPA)
27 - 4
27.2.カムボックス 3(YPA)
27.2.Cam box 3(YPA)
Ref.33-7
Ref.31-1
Ref.31-1
Ref.31-1
Ref.31-1
x10.5
81
77
59
63
16
80
1
24
15
10
10
13
10
78
80
80
79
9
24
23
27
11
49
17
22
7
19
19
4
21
12
11
27
8
27
11
2
62
53
12
11
27
18
5
20
3
6
22
14
10
85
84
85
84
84
85
85
84
A
A
208
176
165
175
161
175
161
175
161
183
162
176
167
175
161
13
13
B
A
139
26

27.2.カムボックス 3(YPA)
27.2.Cam box 3(YPA)
番号 図番 & コード番号 個数 品名 規格 備考
No. Drg.No. & Code No. QTY Description Rating Remarks
1 WPA0911 1 DISTRIBUTOR 分配器
2 YPA0360 2 HOLDER 受け
3 WPA1451 1 ELBOW エルボ
4 YPA0670 1 PIPE, DOUBLE ENDED パイプ 両口
5 YPA0700 1 PIPE, DOUBLE ENDED パイプ 両口
6 WPA1481 1 PIPE パイプ
7 WPA1491 1 PIPE パイプ
8 YPA0520 1 DISTRIBUTOR 分配器
9 H3057T 1 BUSHING ブッシュ SBU06-02J
10 N2003A 4 NIPPLE ニップル KLN06-011CE
11 H1150N 4 BAND, HOSE バンド ホース HS16
12 H5004T 1 HOSE ホース M゜25X゜30 1.5m
13 H5044E 1 HOSE, HYDRAULIC ホース 油圧 716-300M/K
14 H5044A 1 HOSE, HYDRAULIC ホース 油圧 716-1000M/K
15 H5044R 1 HOSE, HYDRAULIC ホース 油圧 718-720M/K
16 S4033T 1 SENSOR, PRESSURE センサ 圧力 AP-13
17 A1038T 1 AMPLIFIER アンプ AP-70
18 A4024A 1 ELBOW エルボ SLA06-000J
19 A4084A 2 ELBOW, MALE AND FEMALE エルボ オスメス SLC06-000J
20 A4085N 1 ELBOW, MALE AND FEMALE エルボ オスメス 3/4.
21 A3035A 1 PLUG 埋栓 PT3/4
22 A3032A 2 PLUG 埋栓 PT1/2
23 H3060A 1 BUSHING ブッシュ SBU08-060J
24 S2164T 2 JOINT, MALE AND FEMALE ジョイント オスメス 408054KN
27 WPA0942 4 NIPPLE ニップル
49 H5275A BOLT, HEX SOCKET ボルト 六角穴 M3X8L
53 H5298A BOLT, HEX SOCKET ボルト 六角穴 M5X10L
59 H5322A BOLT, HEX SOCKET ボルト 六角穴 M6X15L
62 W1023A WASHER, LOCK ワッシャ スプリング 5M/M
63 W1024A WASHER, LOCK ワッシャ スプリング 6M/M
77 A4044A 1 ELBOW エルボ PL6-01M
78 T4022B 1 TEE ティー TT6-01(NYメッキ)
79 S2171B 1 JOINT, ONE-TOUCH ジョイント ワンタッチ TL6-01(NYメッキ)
80 AWPA1810 1 HOSE ホース
81 A50034 1 OIL, COOLANT オイル クーラント SCFB-01-CE-2
84 N1109A 4 NUT, DOMED CAP ナット 六角袋 KKN06-000CE
85 S3073A 4 SLEEVE スリーブ KK006-000CE ・
CP-65E PARTS LIST ver07
27 - 5
27.2.カムボックス 3(YPA)
27.2.Cam box 3(YPA)