GXH-1S Feeder.pdf - 第11页
Key No. P AR T No. P AR T NAME Q’ty REMARKS NOTE 0612-006 9 W -1 1 630 126 6060 FRAME 1 1 1 1 804W--1 10-001 2 630 152 6775 BLOCK(KIBAN) 1 1 1 1 804W--1 10-002 3 630 128 9793 COVER(LA) 1 1 1 1 804W--1 10-003 4 630 126 56…

0601-006
8
テープフィーダ
TAPE FEEDER
GT-08080, 08081, 08082, 08083 GT-08080, 08081, 08082, 08083
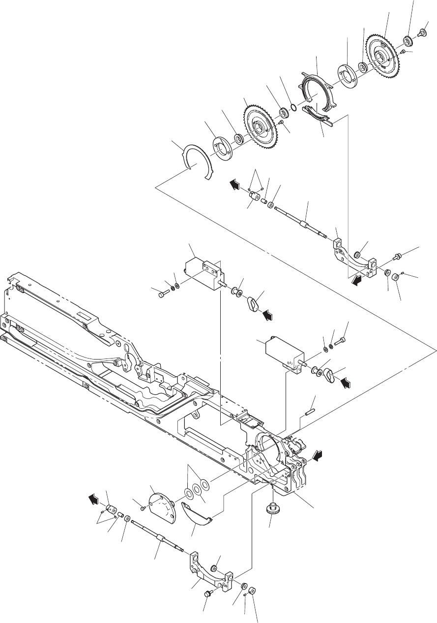
Fig. W-1
フレーム部
Frame Section
28
49
49
49
49
28
28
48
44
42
34
26
33
38
2
13
12
30
41
46
46
47
43
14
10
11
19
28
27
1
29
9
5
20
20
3
21
7
6
23
4
24
23
25
28
28
28
21
28
28
8
38
See Fig.W-5
Key No.405
See Fig.W-6
Key No.505
.
.
41
43
31
.
.
28
26
68
70
69
74

Key No. PART No. PART NAME Q’ty
REMARKS
NOTE
0612-006
9
W-1
1 630 126 6060 FRAME 1 1 1 1 804W--110-001
2 630 152 6775 BLOCK(KIBAN) 1 1 1 1 804W--110-002
3 630 128 9793 COVER(LA) 1 1 1 1 804W--110-003
4 630 126 5667 COVER(LB) 1 1 1 1 804W--110-004
5 630 126 5681 COVER(RA) 1 1 1 1 804W--110-005
6 630 126 5698 COVER(RB) 1 1 1 1 804W--110-006
7 630 126 5704 COVER(RC) 1 1 1 1 804W--110-007
8 630 146 8969 COVER(KIBAN) 1 1 1 1 804W--110-008
9 630 136 6463 SLIDE(BASE) 1 1 1 1 804W--110-009
10 630 126 6084 ASSY,LEVER(KAIJYO) 1 1 1 1 804W--110-010
11 630 126 5827 PIN,HINGE 1 1 1 1 804W--110-011
12 630 126 5834 ROLLER 1 1 1 1 804W--110-012
13 630 126 5841 PIN,GUIDE(ROLLER) 1 1 1 1 804W--110-013
14 630 147 5370 SPRING,TORSION 1 1 1 1 804W--110-0141
19 630 126 5735 COVER(HAISEN) 1 1 1 1 804W--110-019
20 630 126 5926 PIN,LOCATE(TAPE) 4 4 4 4 804W--110-020
21 630 126 5933 GUIDE(TAPE) 3 3 3 3 804W--110-021
23 630 126 5742 COVER(FUTA) 2 2 2 2 804W--110-023
24 630 128 7577 MECH PARTS(MAGNET) 2 2 2 2 804W--110-024
25 630 126 5902 MECH PARTS(CUTTER) 1 1 1 1 804W--110-025
26 630 127 4546 SCR PAN+SW+W 3X6 2 2 2 2 804W--110-026
27 630 034 7906 MECH PARTS(RUBBER LEGS) 1 1 1 1 804W--110-027
28 411 033 5700 SCR FLT 2.5X6 44 44 44 44 804W--110-028
29 630 000 8494 BOLT,HEX-SCT 1 1 1 1 804W--110-029
30 630 000 7633 BOLT,HEX-SCT 2 2 2 2 804W--110-030
31 630 000 7640 BOLT,HEX-SCT 2 2 2 2 804W--110-031
33 411 140 7208 SCR FLT 4X6 1 1 1 1 804W--110-033
34 411 125 5403 SCR PAN 2X4 1 1 1 1 804W--110-034
38 411 001 0003 RING E 4 2 2 2 2 804W--110-038
41 411 141 2905 WASHER SPR 4 4 4 4 4 804W--110-041
42 411 141 2509 WASHER SPR 2 1 1 1 1 804W--110-042
43 411 141 4008 WASHER V 4X9X0.8 4 4 4 4 804W--110-043
44 411 141 3605 WASHER V 2X5X0.3 1 1 1 1 804W--110-044
46 630 128 0127 NAME PLATE,NOTICE 2 2 2 2 804W--110-046
47 630 127 8902 NAME PLATE,INDEX 1 1 1 1 804W--110-047
48 630 128 0080 MECH PARTS(POLYESTERTAPE) 1 1 1 1 804W--110-048
49 630 128 0097 MECH PARTS(POLYESTERTAPE) 4 4 4 4 804W--110-049
68 630 133 0273 MECH PARTS 1 1 1 1 804W--110-068
69 630 133 0280 SPRING PIN 1 1 1 1 804W--110-069
70 630 125 9970 SPRING PIN 1 1 1 1 804W--110-070
74 630 134 2634 NAME PLATE,INDEX 1 1 1 1 804W--110-074
GT-08080
GT-08081
GT-08082
GT-08083

0601-003
10
テープフィーダ
TAPE FEEDER
GT-08080, 08081, 08082, 08083 GT-08080, 08081, 08082, 08083
Fig. W-2
テープ駆動部
Tape Driving Section
104
A
A
B
B
C
C
11
6
11
2
11
5
11
3
128
11
7
102
11
7
106
123
123
124
11
8
11
4
128
103
11
0
109
128
11
5
11
7
11
7
128
120
11
4
11
8
102
101
124
107
127
120
127
129
130
129
130
139
11
9
121
121
11
9
122
139
103
111
105
124
11
6
108
101
126
129
130
See Fig.W-
1
Key No.
1
.
.
126
129
130
.
.
116
116