GXH-1S Feeder.pdf - 第19页
Key No. P AR T No. P AR T NAME Q’ty REMARKS NOTE 0612-004 17 W -5 404 630 148 8455 P .C.B,MOUNT 1 1 1 1 #TMA004Z-7 804W--1 10-504 405 630 126 5865 LINK(KAIJYO) 1 1 1 1 804W--1 10-015 406 630 126 5872 LEVER(GRIP) 1 1 1 1 …

0601-004
16
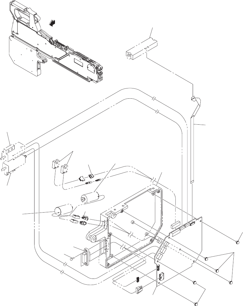
テープフィーダ
TAPE FEEDER
GT-08080, 08081, 08082, 08083 GT-08080, 08081, 08082, 08083
Fig. W-5
操作パネル部
Operation Panel Section
See Fig.W-1
Key No.1
405
406
407
439
440
437
408
404
445
432
441
443
.
.

Key No. PART No. PART NAME Q’ty
REMARKS
NOTE
0612-004
17
W-5
404 630 148 8455 P.C.B,MOUNT 1 1 1 1 #TMA004Z-7 804W--110-504
405 630 126 5865 LINK(KAIJYO) 1 1 1 1 804W--110-015
406 630 126 5872 LEVER(GRIP) 1 1 1 1 804W--110-016
407 630 126 5919 GRIP 1 1 1 1 804W--110-017
408 630 126 5728 COVER(GRIP) 1 1 1 1 804W--110-018
432 630 000 7657 BOLT,HEX-SCT 2 2 2 2 804W--110-032
437 411 115 1507 SCR TPG PAN 3X12 2 2 2 2 804W--110-037
439 630 001 0336 SPRING PIN 1 1 1 1 804W--110-039
440 630 118 0038 SPRING PIN 1 1 1 1 804W--110-040
441 411 141 2905 WASHER SPR 4 2 2 2 2 804W--110-041
443 411 141 4008 WASHER V 4X9X0.8 2 2 2 2 804W--110-043
445 630 143 4339 NAME PLATE,INDEX 1 1 1 1 804W--110-045
GT-08080
GT-08081
GT-08082
GT-08083

0601-005
18
テープフィーダ
TAPE FEEDER
GT-08080, 08081, 08082, 08083 GT-08080, 08081, 08082, 08083
Fig. W-6
モーターコントロール基板
Motor Control P.C.B.
505
See Fig.W-3
Key No.221
See Fig.W-3
Key No.221
See Fig.W-1
Key No.2
See Fig.W-2
Key No.139
See Fig.W-
5
Key No.404
See Fig.W-2
Key No.139
See Fig.W-3
Key No.238
VIEW "A"
502
508
501
516
516
516
503
506
A