GXH-1S Feeder.pdf - 第25页
Key No. P AR T No. P AR T NAME Q’ty REMARKS NOTE 0612-006 23 G-1 GT -12160 1 630 127 4683 FRAME 1 804G--1 10-001 2 630 152 6775 BLOCK(KIBAN) 1 804G--1 10-002 3 630 127 4706 COVER(LA) 1 804G--1 10-003 4 630 127 4737 COVER…

0409-003
22
テープフィーダ
TAPE FEEDER
GT-12160 GT-12160
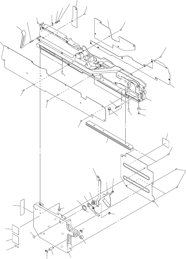
Fig. G-1
フレーム部
Frame Section
29
27
1
20
20
28
25
43
41
33
5
28
28
4
3
42
40
30
.
.
14
10
11
26
19
37
12
8
28
28
9
28
28
28
See Fig.G-5
Key No.405
42
30
.
40
.
23
6
24
2
13
37
32
46
46
47
74
26
69
70
68

Key No. PART No. PART NAME Q’ty
REMARKS
NOTE
0612-006
23
G-1
GT-12160
1 630 127 4683 FRAME 1 804G--110-001
2 630 152 6775 BLOCK(KIBAN) 1 804G--110-002
3 630 127 4706 COVER(LA) 1 804G--110-003
4 630 127 4737 COVER(LB) 1 804G--110-004
5 630 127 4775 COVER(LC) 1 804G--110-005
6 630 127 4799 COVER(R) 1 804G--110-006
8 630 146 8976 COVER(KIBAN) 1 804G--110-008
9 630 136 6463 SLIDE(BASE) 1 804G--110-009
10 630 126 6084 ASSY,LEVER(KAIJYO) 1 804G--110-010
11 630 126 5827 PIN,HINGE 1 804G--110-011
12 630 126 5834 ROLLER 1 804G--110-012
13 630 126 5841 PIN,GUIDE(ROLLER) 1 804G--110-013
14 630 147 5370 SPRING,TORSION 1 804G--110-0141
19 630 127 4867 COVER(HAISEN) 1 804G--110-019
20 630 126 5926 PIN,LOCATE(TAPE) 4 804G--110-020
23 630 127 4874 COVER(FUTA) 1 804G--110-023
24 630 128 7577 MECH PARTS(MAGNET) 2 804G--110-024
25 630 126 5902 MECH PARTS(CUTTER) 1 804G--110-025
26 630 127 4546 SCR PAN+SW+W 3X6 2 804G--110-026
27 630 034 7906 MECH PARTS(RUBBER LEGS) 1 804G--110-027
28 411 033 5700 SCR FLT 2.5X6 30 804G--110-028
29 630 000 8494 BOLT,HEX-SCT 1 804G--110-029
30 630 000 7633 BOLT,HEX-SCT 4 804G--110-030
32 411 140 7208 SCR FLT 4X6 1 804G--110-032
33 411 125 5403 SCR PAN 2X4 1 804G--110-033
37 411 001 0003 RING E 4 2 804G--110-037
40 411 141 2905 WASHER SPR 4 4 804G--110-040
41 411 141 2509 WASHER SPR 2 1 804G--110-041
42 411 141 4008 WASHER V 4X9X0.8 4 804G--110-042
43 411 141 3605 WASHER V 2X5X0.3 1 804G--110-043
46 630 128 0127 NAME PLATE,NOTICE 2 804G--110-046
47 630 127 8902 NAME PLATE,INDEX 1 804G--110-047
68 630 133 0273 MECH PARTS 1 804G--110-068
69 630 133 0280 SPRING PIN 1 804G--110-069
70 630 125 9970 SPRING PIN 1 804G--110-070
74 630 134 2634 NAME PLATE,INDEX 1 804G--110-074

0612-002
24
テープフィーダ
TAPE FEEDER
GT-12160 GT-12160
Fig. G-2
テープ駆動部
Tape Driving Section
101
11
9
11
7
.
129
.
124
128
128
11
5
11
8
104
103
11
6
125
11
6
107
126
130
122
123
123
See Fig.G-1
Key No.1
139
127
129
130
11
7
106
120
121
102