GXH-1S Feeder.pdf - 第40页
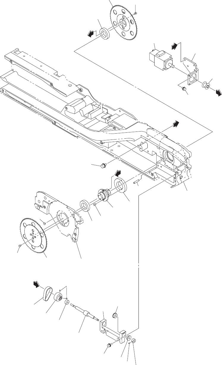
0612-003 38 テープフィーダ T APE FEEDER GT -24320 GT -24320 Fig. P-2 テープ駆動部 T ape Driving Section 127 132 1 1 5 124 133 139 131 1 1 7 122 1 1 7 1 1 8 121 1 1 6 1 1 6 125 106 1 1 9 104 104 See Fig.P-4 Key No.331 See Fig.P- 1 Key…

Key No. PART No. PART NAME Q’ty
REMARKS
NOTE
0612-006
37
P-1
GT-24320
1 630 127 9015 FRAME 1 804P--110-001
2 630 152 2530 BLOCK(KIBAN) 1 804P--110-002
3 630 127 9046 COVER(LA) 1 804P--110-003
4 630 127 9053 COVER(LB) 1 804P--110-004
5 630 127 9060 COVER(LC) 1 804P--110-005
6 630 137 5519 COVER(R) 1 804P--110-006
8 630 146 8976 COVER(KIBAN) 1 804P--110-008
9 630 136 6463 SLIDE(BASE) 1 804P--110-009
10 630 126 6084 ASSY,LEVER(KAIJYO) 1 804P--110-010
11 630 126 5827 PIN,HINGE 1 804P--110-011
12 630 126 5834 ROLLER 1 804P--110-012
13 630 126 5841 PIN,GUIDE(ROLLER) 1 804P--110-013
14 630 147 5370 SPRING,TORSION 1 804P--110-014
19 630 127 4867 COVER(HAISEN) 1 804P--110-019
20 630 126 5926 PIN,LOCATE(TAPE) 4 804P--110-020
23 630 127 9084 COVER(FUTA) 1 804P--110-023
24 630 128 7577 MECH PARTS(MAGNET) 2 804P--110-024
25 630 126 5902 MECH PARTS(CUTTER) 1 804P--110-025
26 630 127 4546 SCR PAN+SW+W 3X6 4 804P--110-026
27 630 034 7906 MECH PARTS(RUBBER LEGS) 1 804P--110-027
28 411 033 5700 SCR FLT 2.5X6 29 804P--110-028
29 630 000 8494 BOLT,HEX-SCT 1 804P--110-029
30 630 000 7633 BOLT,HEX-SCT 6 804P--110-030
31 630 127 9121 BLOCK 1 804P--110-053
32 411 140 7208 SCR FLT 4X6 1 804P--110-032
33 411 125 5403 SCR PAN 2X4 1 804P--110-033
37 411 001 0003 RING E 4 2 804P--110-037
40 411 141 2905 WASHER SPR 4 6 804P--110-040
41 411 141 2509 WASHER SPR 2 1 804P--110-041
42 411 141 4008 WASHER V 4X9X0.8 6 804P--110-042
43 411 141 3605 WASHER V 2X5X0.3 1 804P--110-043
46 630 128 0127 NAME PLATE,NOTICE 2 804P--110-046
47 630 127 8902 NAME PLATE,INDEX 1 804P--110-047
68 630 133 0273 MECH PARTS 1 804P--110-068
70 630 125 9970 SPRING,PIN 1 804P--110-070
71 630 133 0792 SPRING,PIN 1 804P--110-071
74 630 134 2634 NAME PLATE,INDEX 1 804P--110-074

0612-003
38
テープフィーダ
TAPE FEEDER
GT-24320 GT-24320
Fig. P-2
テープ駆動部
Tape Driving Section
127
132
11
5
124
133
139
131
11
7
122
11
7
11
8
121
11
6
11
6
125
106
11
9
104
104
See Fig.P-4
Key No.331
See Fig.P-
1
Key No.
1
101
103
102
120
128
128
125
C
C
A
A
D
D
129
130
126
.
.
129
130
.
.
134
135
.
.

Key No. PART No. PART NAME Q’ty
REMARKS
NOTE
0612-003
39
P-2
GT-24320
101 630 144 3904 GEAR 1 804P--110-101
102 630 144 3911 BASE 1 804P--110-102
103 630 148 4556 GEAR 1 804P--110-103
104 630 149 0908 ASSY,SPROCKET 2 804P--110-104
106 630 149 2025 PIN,HINGE 1 804P--110-106
115 630 144 3935 COLLAR(BEARING) 1 804P--110-115
116 630 130 2508 BEARING,RADIAL 2 6802ZZ 804P--110-116
117 630 001 1586 BEARING,RADIAL 2 LF-1050ZZ 804P--110-117
118 630 007 1672 BEARING,RADIAL 1 L-1050ZZ 804P--110-118
119 630 127 9169 PULLEY,TIMING 1 804P--110-119
120 630 144 3942 PULLEY,TIMING 1 804P--110-120
121 630 127 9190 BELT,TIMING 1 804P--110-121
122 630 126 5988 PIN,LOCATE 1 804P--110-122
124 630 000 7503 BOLT,HEX-SCT 2 804P--110-124
125 630 000 7510 BOLT,HEX-SCT 8 804P--110-125
126 630 000 7527 BOLT,HEX-SCT 2 804P--110-126
127 630 133 0310 MACHINE SCREW 2
128 630 126 8248 SET SCREW(SET SCREW) 3 804P--110-128
129 411 141 2806 WASHER SPR 3 4 804P--110-129
130 411 141 3902 WASHER V 3X7X0.5 4 804P--110-130
131 630 127 9244 BRACKET 1 804P--110-131
132 630 000 7503 BOLT,HEX-SCT 2 804P--110-132
133 630 000 7619 BOLT,HEX-SCT 2 804P--110-133
134 411 141 2905 WASHER SPR 4 2 804P--110-134
135 411 141 4008 WASHER V 4X9X0.8 2 804P--110-135
139 630 129 4117 MOTOR,AC-SERVO 1 M01,#SGMMJ-A1CKA-HH12
804P--110-509