GXH-1S Feeder.pdf - 第43页
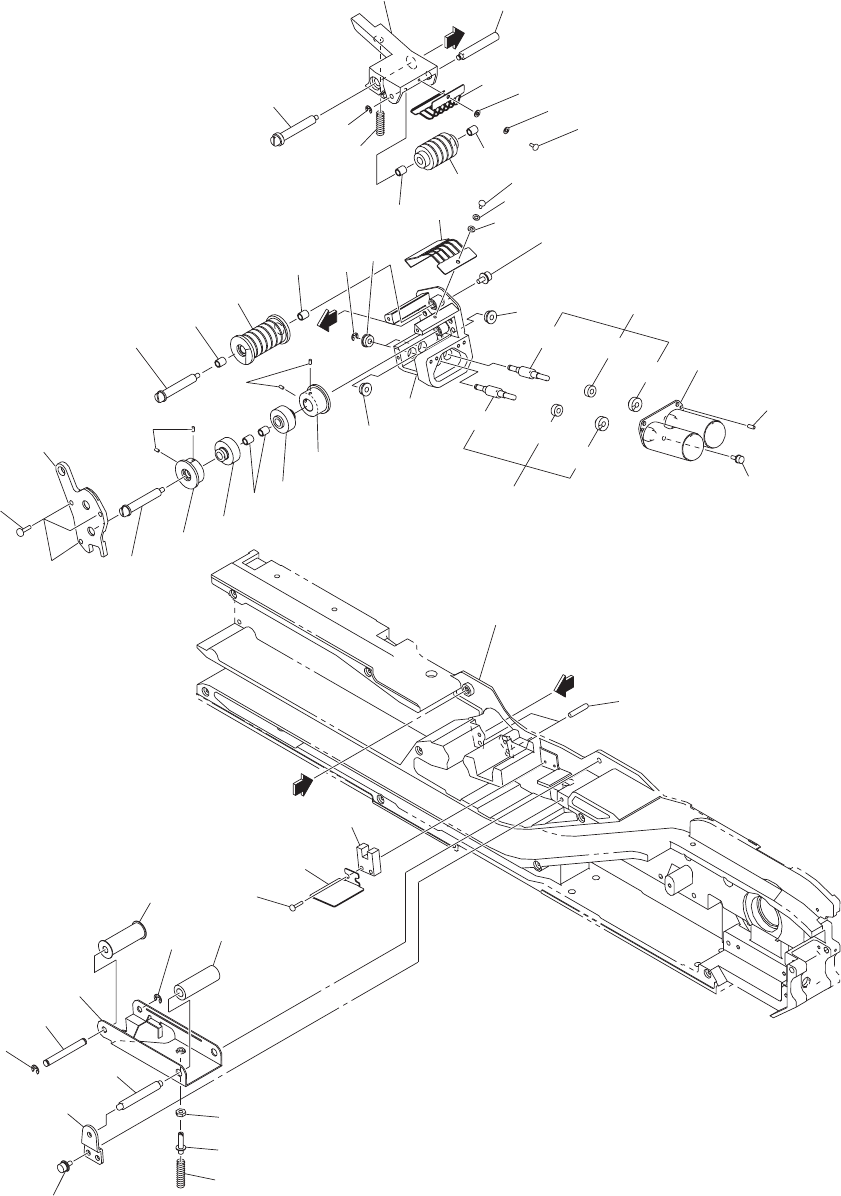
Key No. P AR T No. P AR T NAME Q’ty REMARKS NOTE 0612-005 41 P-3 GT -24320 201 630 137 4949 BASE 1 804P--1 10-201 203 630 126 6091 ASSY ,GEAR(MAKITORI) 2 804P--1 10-203 203 -01 630 126 6022 GEAR(MAKITORI) 1 203 -02 630 1…

0612-004
40
テープフィーダ
TAPE FEEDER
GT-24320 GT-24320
Fig. P-3
カバーテープ巻取り部
Cover Tape Winding Section
234
236
.
.
225
213
222
222
222
203
203
224
203-03
203-01
203-0
2
203-03
203-01
203-02
237
231
243
247
230
241
242
240
221
217
238
239
227
231
218
214
215
206
207
201
209
204
204
205
See Fig.P-1
Key No.1
22
0
219
211
212
216
232
232
228
250
229
233
235
.
.
234
236
.
.
252
251
A
B
A
B
210
249
248
248
246
23
0
247
246
249
249
249
249
209

Key No. PART No. PART NAME Q’ty
REMARKS
NOTE
0612-005
41
P-3
GT-24320
201 630 137 4949 BASE 1 804P--110-201
203 630 126 6091 ASSY,GEAR(MAKITORI) 2 804P--110-203
203 -01 630 126 6022 GEAR(MAKITORI) 1
203 -02 630 126 6039 GEAR(HIRA-3) 1
203 -03 630 007 1771 BEARING,RADIAL 1 L-730ZZ
204 630 133 5025 GEAR 2 804P--110-204
205 630 133 5063 GEAR(HIRA-1) 1 804P--110-205
206 630 133 5070 GEAR(HIRA-2) 1 804P--110-206
207 630 127 9350 LEVER(KAIJYO) 1 804P--110-207
209 630 127 9404 PIN,HINGE 2 804P--110-209
210 411 141 0000 NUT HEX 3 1 804P--110-210
211 630 127 9091 COVER(MAKITORI-1) 1 804P--110-211
212 630 127 9107 COVER(MAKITORI-2) 1 804P--110-212
213 630 127 6601 SPRING,COMP 1 804P--110-213
214 630 149 6030 LEVER(MAKITORI) 1 804P--110-214
215 630 127 9442 PIN,GUIDE 1 804P--110-215
216 630 127 9466 ROLLER(A) 1 804P--110-216
217 630 127 9473 ROLLER(B) 1 804P--110-217
218 630 127 9480 PIN,HINGE 1 804P--110-218
219 630 127 5178 SPRING,COMP 1 804P--110-219
220 630 126 6602 PIN,GUIDE(BANE) 1 804P--110-220
221 630 129 0898 MOTOR,DC 1 M93,94 804P--110-221
222 630 110 5390 BEARING,RADIAL 4 LF-730ZZ 804P--110-222
224 630 126 5988 PIN,LOCATE 2 804P--110-224
225 630 126 6466 PIN,LOCATE 2 804P--110-225
227 630 127 9503 PIN,HINGE 1 804P--110-227
228 630 000 8494 BOLT,HEX-SCT 3 804P--110-228
229 630 000 7510 BOLT,HEX-SCT 2 804P--110-229
230 411 125 5403 SCR PAN 2X4 2 804P--110-230
231 411 000 9304 RING E 2 3 804P--110-231
232 411 016 0203 RING E 2.5 2 804P--110-232
233 411 141 6606 WASHER SPR 2.5 3 804P--110-233
234 411 141 2806 WASHER SPR 3 4 804P--110-234
235 411 141 5708 WASHER F 2.5X5X0.5 3 804P--110-235
236 411 141 3902 WASHER V 3X7X0.5 4 804P--110-236
237 630 000 7503 BOLT,HEX-SCT 2 804P--110-237
238 630 133 5032 GEAR 1 804P--110-238
239 630 133 5049 GEAR 1 804P--110-239
240 630 127 9558 PIN,HINGE 1 804P--110-240
241 630 127 9565 PLATE 1 804P--110-241
242 630 127 9572 PLATE 1 804P--110-242
243 411 142 5004 SCR PAN 2.5X8 3 804P--110-243
246 411 141 2509 WASHER SPR 2 2 804P--110-246
247 411 131 5305 WASHER F 2X4.3X0.3 2 804P--110-247
248 630 126 8248 SET SCREW(SET SCREW) 4 804P--110-248

Key No. PART No. PART NAME Q’ty
REMARKS
NOTE
0409-001
42
P-3
GT-24320
249 630 132 2537 BUSH,BEARING 6 804P--110-249
250 630 126 1621 SENSOR,PHOTO 1 B03,#EE-SX3144-P2
804P--110-507
251 630 128 6815 COVER 1 804P--110-051
252 411 140 6300 SCR PAN 2X8 2 804P--110-034