GXH-1S Feeder.pdf - 第77页
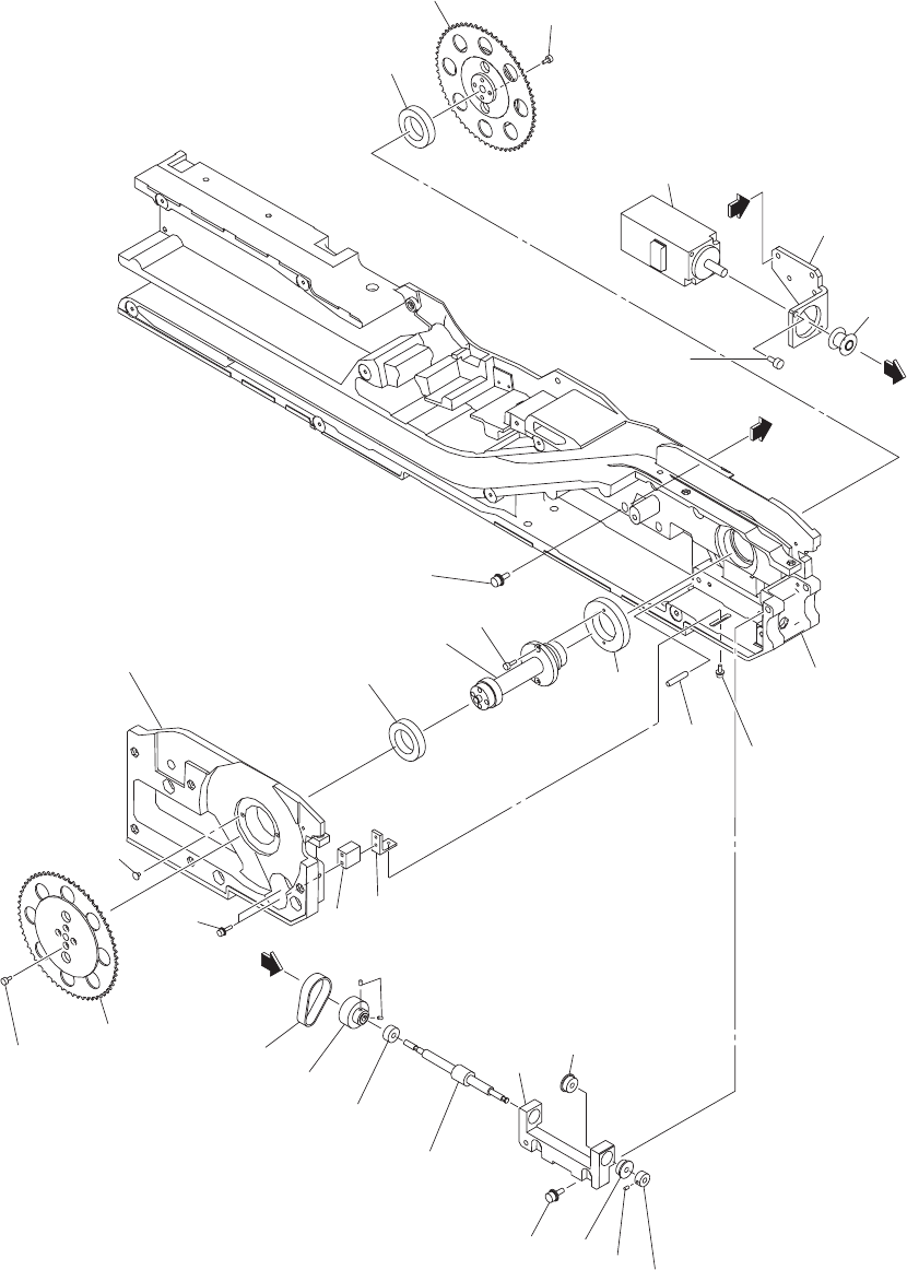
Key No. P AR T No. P AR T NAME Q’ty REMARKS NOTE 0612-003 75 GT -72000 T -2 101 630 144 3904 GEAR 1 804T --1 10-101 102 630 144 391 1 BASE 1 804T --1 10-102 103 630 148 4556 GEAR 1 804T --1 10-103 104 630 149 0908 ASSY ,…

0612-003
74
テープフィーダ
TAPE FEEDER
GT-72000 GT-72000
Fig. T-2
テープ駆動部
Tape Driving Section
C
C
11
5
11
7
11
7
11
8
121
101
102
120
128
128
129
130
126
.
.
D
124
122
11
6
106
104
See Fig.T-1
Key No.52
103
125
133
134
135
.
.
132
140
131
11
6
125
11
9
104
See Fig.T-1
Key No.1
D
129
130
.
.
157
158
165
166
162
.
.
165
166
161
.
.
127

Key No. PART No. PART NAME Q’ty
REMARKS
NOTE
0612-003
75
GT-72000
T-2
101 630 144 3904 GEAR 1 804T--110-101
102 630 144 3911 BASE 1 804T--110-102
103 630 148 4556 GEAR 1 804T--110-103
104 630 149 0908 ASSY,SPROCKET 2 804T--110-104
106 630 149 0823 PIN,HINGE 1 804T--110-106
115 630 144 3935 COLLAR(BEARING) 1 804T--110-115
116 630 130 2508 BEARING,RADIAL 2 6802ZZ 804T--110-116
117 630 001 1586 BEARING,RADIAL 2 LF-1050ZZ 804T--110-117
118 630 007 1672 BEARING,RADIAL 1 L-1050ZZ 804T--110-118
119 630 127 9169 PULLEY,TIMING 1 804T--110-119
120 630 144 3942 PULLEY,TIMING 1 804T--110-120
121 630 127 9190 BELT,TIMING 1 804T--110-121
122 630 126 5988 PIN,LOCATE 1 804T--110-122
124 630 000 7503 BOLT,HEX-SCT 2 804T--110-124
125 630 000 7510 BOLT,HEX-SCT 8 804T--110-125
126 630 000 7527 BOLT,HEX-SCT 2 804T--110-126
127 630 133 0310 MACHINE SCREW 2 804T--110-127
128 630 126 8248 SET SCREW(SET SCREW) 3 804T--110-128
129 411 141 2806 WASHER SPR 3 4 804T--110-129
130 411 141 3902 WASHER V 3X7X0.5 4 804T--110-130
131 630 127 9244 BRACKET 1 804T--110-131
132 630 000 7503 BOLT,HEX-SCT 2 M3X6
133 630 000 7619 BOLT,HEX-SCT 2 M4X8
134 411 141 2905 WASHER SPR 4 2 804T--110-134
135 411 141 4008 WASHER V 4X9X0.8 2 804T--110-135
140 630 130 5431 MOTOR,AC-SERVO 1 M01,#SGMMJ-A2CKA-HH11
804T--110-509
157 630 130 4892 BRACKET 1
158 630 134 0319 SPACER 1 804T--110-250
161 630 000 7510 BOLT,HEX-SCT 1 804T--110-361
162 630 000 7572 BOLT,HEX-SCT 2 M3X8
165 411 141 2806 WASHER SPR 3 3 M3X25
166 411 141 3902 WASHER V 3X7X0.5 3 804T--110-066

0409-001
76
テープフィーダ
TAPE FEEDER
GT-72000 GT-72000
Fig. T-3
カバーテープ巻取り部
Cover Tape Winding Section
231
207
208
203-02
239
204
204
249
248
248
249
249
238
222
222
243
243
229
244
245
242
209
209
212
206
230
201
A
234
236
.
.
246
247
249
249
231
227
240
B
213
251
247
246
230
211
249
205
249
233
235
.
.
225
203-03
228
221
203-0
1
203
203-03
203-01
203
203-0
2
B
234
236
.
219
232
232
220
210
254
252
237
253
241
214
215
216
217
218
224
A
See Fig T-
1
Key No.1
.