OM-1761-001w.pdf - 第42页

OM-1761 40 GS-DA620 回路図 LANHUB U125 1 3 2 6 5 4 7 8 NC NC RX- TX- RX+ TX+ NC NC X12502 CN2 1 3 2 6 5 4 7 8 NC NC RX- TX- RX+ TX+ NC NC X12503 CN3 NC NC RX- TX- RX+ TX+ NC NC 1 3 2 6 5 4 7 8 NC NC RX- TX- RX+ TX+ NC NC 1 …

100%1 / 44
OM-1761
39
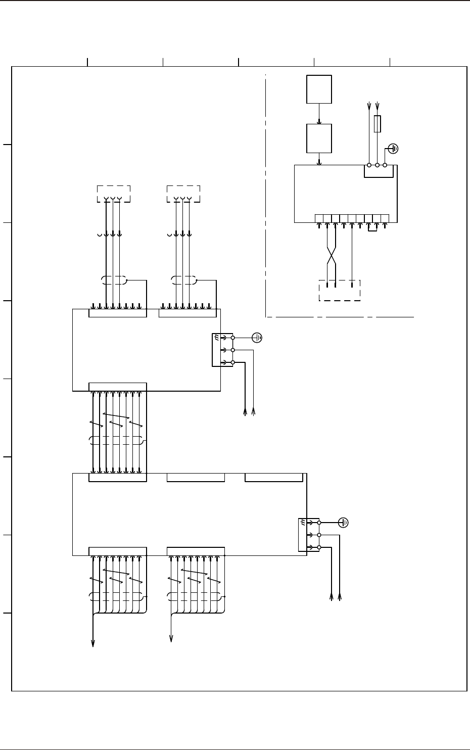
10.2 GS-DA620 ブロック図
CN3
U125
LAN HUB
CN2
CN1
CN4
CN5
USB1USB2USB3USB4
U178
USB HUB
U81
CPU2
USB3LAN2
CN2
POWER
USB IN
POWER
USB11
USB1USB2USB3USB4
U182
USB HUB
POWER
USB IN
U91
CPU1
(24A6)
DC24V
N74B
B79B
B79F
N74F
Port1 Prot2
LAN
U166
Ethernet
Converter
POWER
X30F
X30B
U167
X30F/B
ID CTR
A168
AMP
CH1
ANTENNA
F64(1A)
(24G)
DC24V
POWER
LCD
(TP)
LCD
(TP)
LAN
LAN
X8102
USB
USB
GS-OP600
USB
USB
X7401F X7401B
X117801 X118201X117802 X118202
X9108 X9105 X9106
X18201X18202X17801X17802
X30D2-B
X30D2-F
X16602X16601
X16603
ID CTR
XACV
LAN
RS232C RS232C
GS-DA600
1 2 3 4 5 6 7 8
A
B
C
D
E
F
BCR(前側)
タッチパネルモニタ
(前側)
BCR(後側)
タッチパネルモニタ
(後側)
多段トレイカート
本体ユニット
接続一括コネクタ
外部ユニット
接続一括コネクタ
(前側)
外部ユニット
接続一括コネクタ
(後側)
1303-001 (M949WA---1004)
10.2 ACV タグアンテナブロック図
OM-1761
40
GS-DA620 回路図
LANHUB
U125
1
3
2
6
5
4
7
8
NC
NC
RX-
TX-
RX+
TX+
NC
NC
X12502
CN2
1
3
2
6
5
4
7
8
NC
NC
RX-
TX-
RX+
TX+
NC
NC
X12503
CN3
NC
NC
RX-
TX-
RX+
TX+
NC
NC
1
3
2
6
5
4
7
8
NC
NC
RX-
TX-
RX+
TX+
NC
NC
1
3
2
6
5
4
7
8
CN1
CN4
10
24A6
U91-X9108
U166
1
3
2
6
5
4
7
8
NC
NC
RX-
TX-
RX+
TX+
NC
NC
SD
RD
SG
1
3
2
6
5
4
7
8
1
3
2
6
5
4
7
8
Port1
10
24A6
10/100M
Ethernet
X16603
NC
NC
RX-
TX-
RX+
TX+
NC
NC
1
3
2
6
5
4
7
8
CN5
:B1
:9
:8
:7
X30D-F
:A2
:A1
:B1
:9
:8
:7
X30D-B
:A2
:A1
Port2
SD
RD
SG
X30D2-F
:B2
X30D2-B
:B2
HI COM
POWER
US GND
POWER
CH1
NC
NC
NC
CS
RS
SD
RD
NC
1
2
3
4
5
6
7
8
9
SG
RS232C
XACV
F064(1A)
:9
:8
:7
X30D-F/B
10
24G
Ethernet
Convertor
ID CTR
A168
AMP
ANTENNA
U167
GR
+
-
24VDC
U81-X8102
X12501 X16601
X16602
ID CTR
1 2 3 4 5 6 7 8
A
B
C
D
E
F
多段トレイカート側
本体ユニット
接続一括コネクタ
外部ユニット
接続一括コネクタ
(前側)
外部ユニット
接続一括コネクタ
(後側)
1303-001 (M949WA---1005)
10.2 ACV タグアンテナブロック図
OM-1761
41
1303-001