文档中心
/
依创思E410异形插件机说明书
依创思E410异形插件机说明书 - 第30页
附件二:运动控制卡
目录
100%
显示:宽度
宽度
1 / 32
回到旧版
旧版
?
附件一:主线路
附件二:运动控制卡
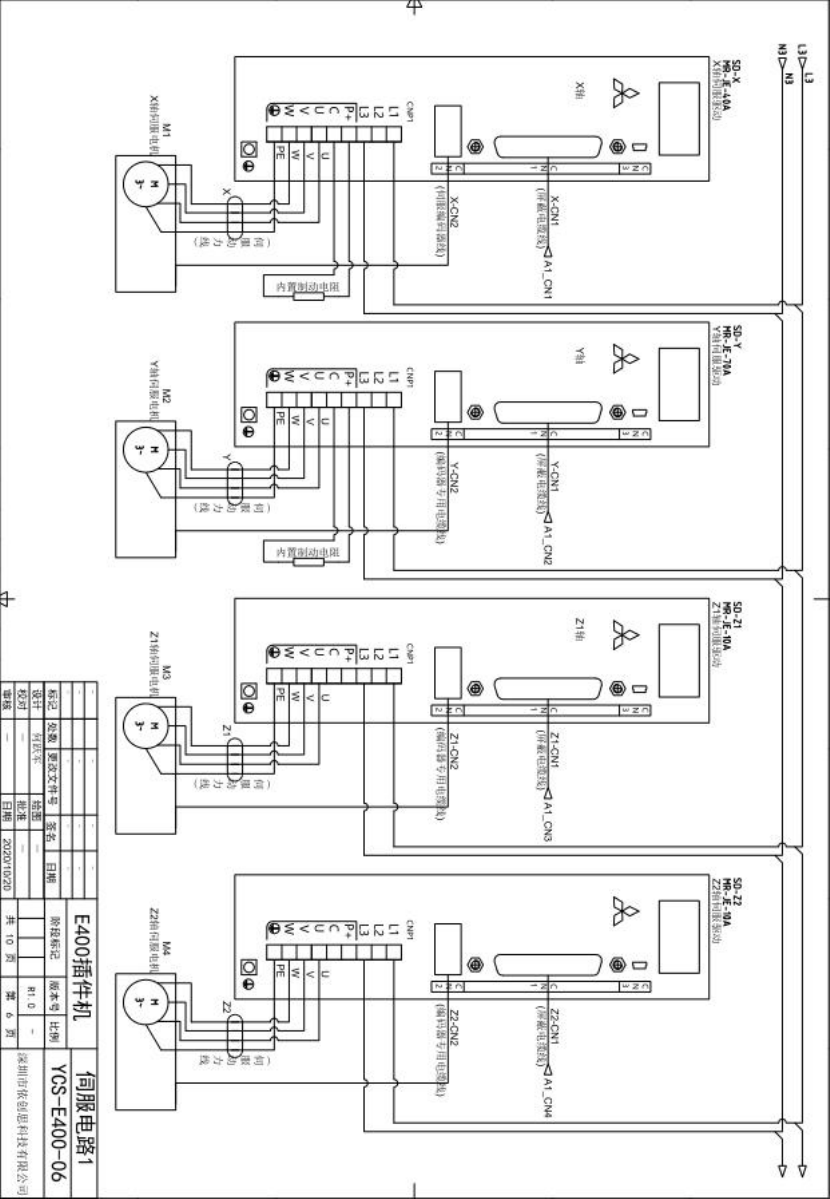
附件三:伺服电路
该页面需要启用 JavaScript 才能进行交互式预览。