PTS-XPFL-02JE - 第235页
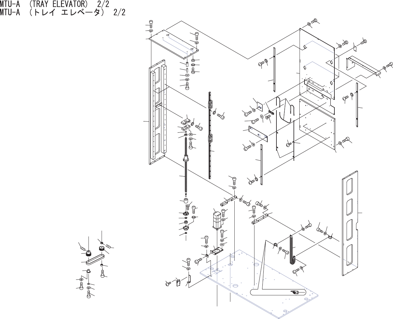
MTU-A (TRAY ELEVATOR) 2/2 MTU-A (トレイ エレベータ) 2/2 AGGTF9511 No. Drg.No. & Code No. QTY Description Rating Materials Remarks 番号 図番 & コード番号 個数 品名 規格 材質 備考 1 GGTF3151 1 PLATE, UPPER プレー ト 上 FE 2 H5326A 6 BOLT, HEX SO…

A
AA
AA
BB
CC
BB
CC
Ref.
MAGAZINE RACK
62
35
67
67
70
69
65
6
34
2
2
11
40
40
59
51
55
56
47
49
45
38
1
32
77
82
83
74
25
29
15
17
21
20
85
88
87
12
3
9
3
10
4
5
8
7
63
13
33
36
37
60
61
42
41
41
39
53
54
57
58
50
52
43
44
46
48
64
69
68
66
71
68
70
72
14
18
19
16
22
23
31
28
27
26
24
30
73
76
78
79
75
80
81
86
84
93
99
101
102
95
105
97
94
100
98
92
103
96
104
107
109
111
110
106
108
108
107
106
111
110
112
113
114
AGGTF9511
234
PTS-XPFL-02JE

MTU-A (TRAY ELEVATOR) 2/2
MTU-A (トレイ エレベータ) 2/2
AGGTF9511
No. Drg.No. & Code No. QTY Description Rating Materials Remarks
番号 図番 & コード番号 個数 品名 規格 材質 備考
1 GGTF3151 1 PLATE, UPPER プレート 上 FE
2 H5326A 6 BOLT, HEX SOCKET ボルト 六角穴 M06X025 ゼンネジ FE
3 W1024A 6 WASHER, LOCK ワッシャ スプリング 6M/M FE
4 DETR3330 2 STOPPER ストッパ PL
5 DETR3340 2 COLLAR カラー FE
6 H5294A 2 BOLT, HEX SOCKET ボルト 六角穴 M04X030 FE
7 W1022A 2 WASHER, LOCK ワッシャ スプリング 4M/M FE
8 W1040S 2 WASHER, FLAT ワッシャ 平 4M/MX0.8X9(1W-4)(3カ クロ) FE
9 GGTF3261 2 WASHER ワッシャ PL
10 K52565 2 SCREW, HEX SOCKET BUTTON 小ネジ 六角穴ボタン M04X006 FE
11 W1011A 2 WASHER, CONICAL ワッシャ 皿 M- 4-L FE
12 GGTF3330 1 PLATE, SIDE プレート サイド FE
13 GGTF3400 1 BLOCK ブロック FE
14 H5330A 2 BOLT, HEX SOCKET ボルト 六角穴 M06X040 FE
15 W1013A 2 WASHER, CONICAL ワッシャ 皿 M- 6-H FE
16 DNTR3580 1 HOLDER, BEARING ホルダ ベアリング FE
17 H5326A 2 BOLT, HEX SOCKET ボルト 六角穴 M06X025 ゼンネジ FE
18 W1024A 2 WASHER, LOCK ワッシャ スプリング 6M/M FE
19 W1045A 2 WASHER, FLAT ワッシャ 平 4W- 6 FE
20 S1031A 1 CIR-CLIP サークリップ STW 10 OT
21 H4175A 1 BEARING ベアリング 6000ZZ OT
22 GGTF3031 1 BALL SCREW ボールネジ OT
23 GGTF3100 1 STOPPER ストッパ PL
24 DNTR3560 1 RETAINER, BEARING 押え ベアリング FE
25 K5359E 4 SCREW, HEX SOCKET COUNTERSUNK 小ネジ 六角穴皿 M04X008 FE
26 DETR6240 1 COLLAR カラー FE
27 H42699 1 BEARING, ANGULAR ベアリング アンギュラ 7001ATYNDBMP5 OT
28 DNTR3551 1 HOLDER, BEARING ホルダ ベアリング FE
29 H5288A 4 BOLT, HEX SOCKET ボルト 六角穴 M04X010 FE
30 W1011A 4 WASHER, CONICAL ワッシャ 皿 M- 4-L FE
31 DETR6230 1 COLLAR カラー FE
32 GGTF3072 1 COVER カバー FE
33 K5261H 7 SCREW, HEX SOCKET BUTTON 小ネジ 六角穴ボタン M05X012 FE
34 W1023A 7 WASHER, LOCK ワッシャ スプリング 5M/M FE
35 K5261H 6 SCREW, HEX SOCKET BUTTON 小ネジ 六角穴ボタン M05X012 FE
36 W1023A 6 WASHER, LOCK ワッシャ スプリング 5M/M FE
37 GGTF3410 4 COVER カバー FE
235
PTS-XPFL-02JE

MTU-A (TRAY ELEVATOR) 2/2
MTU-A (トレイ エレベータ) 2/2
AGGTF9511
No. Drg.No. & Code No. QTY Description Rating Materials Remarks
番号 図番 & コード番号 個数 品名 規格 材質 備考
38 K5172K 8 SCREW, C/R TRUSS 小ネジ 十穴トラス M04X005(3カ シロ) FE
39 GGTF3321 1 GUIDE ガイド FE
40 K52565 4 SCREW, HEX SOCKET BUTTON 小ネジ 六角穴ボタン M04X006 FE
41 W1011A 4 WASHER, CONICAL ワッシャ 皿 M- 4-L FE
42 GGTF3311 1 GUIDE ガイド FE
43 DETR6864 2 COVER カバー FE
44 H5273A 4 BOLT, HEX SOCKET ボルト 六角穴 M03X005 FE
45 W1021A 4 WASHER, LOCK ワッシャ スプリング 3M/M FE
46 DNTR3330 4 BKT, SENSOR BKT センサ PL
47 H5268T 8 BOLT, HEX SOCKET ボルト 六角穴 M02.5X006 FE
48 W11081 8 WASHER, FLAT ワッシャ 平 1W-2.5(3カ クロ) FE
49 K5357M 8 SCREW, HEX SOCKET COUNTERSUNK 小ネジ 六角穴皿 M03X006 FE
50 DNTR3741 1 COVER カバー FE
51 H5273A 3 BOLT, HEX SOCKET ボルト 六角穴 M03X005 FE
52 W1021A 3 WASHER, LOCK ワッシャ スプリング 3M/M FE
53 DETR6871 3 FIBER UNIT ファイバユニット OT
54 DETR6880 2 FIBER UNIT ファイバユニット OT
55 K30100 4 CLAMPER, CABLE クランパ ケーブル AL2 OT
56 K5172L 4 SCREW, C/R TRUSS 小ネジ 十穴トラス M04X006(3カ シロ) FE
57 GGTF3162 2 GUIDE ガイド FE
58 K52565 4 SCREW, HEX SOCKET BUTTON 小ネジ 六角穴ボタン M04X006 FE
59 W1011A 4 WASHER, CONICAL ワッシャ 皿 M- 4-L FE
60 GGTF3350 1 PLATE, BASE プレート ベース FE
61 H5325A 6 BOLT, HEX SOCKET ボルト 六角穴 M06X022 ゼンネジ FE
62 W1024A 6 WASHER, LOCK ワッシャ スプリング 6M/M FE
63 GGTF3040 1 GUIDE, RAIL ガイド レール OT
64 H5290A 34 BOLT, HEX SOCKET ボルト 六角穴 M04X015 FE
65 W1011A 34 WASHER, CONICAL ワッシャ 皿 M- 4-L FE
66 GGTF3380 1 BLOCK ブロック FE
67 H5326A 8 BOLT, HEX SOCKET ボルト 六角穴 M06X025 ゼンネジ FE
68 W1024A 8 WASHER, LOCK ワッシャ スプリング 6M/M FE
69 H5329A 8 BOLT, HEX SOCKET ボルト 六角穴 M06X035 FE
70 W1024A 8 WASHER, LOCK ワッシャ スプリング 6M/M FE
71 GGTF3390 1 BLOCK ブロック FE
72 GGTF3141 1 PLATE, SIDE プレート サイド FE
73 SAM4020 1 MOTOR モータ OT
74 H5300A 4 BOLT, HEX SOCKET ボルト 六角穴 M05X015 FE
236
PTS-XPFL-02JE