PTS-XPFL-02JE - 第251页
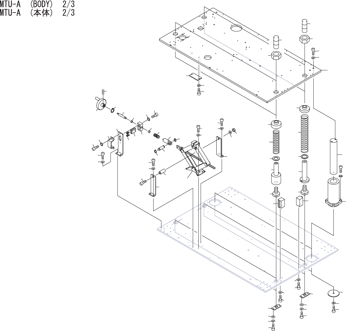
MTU-A (BODY) 2/3 MTU-A (本体) 2/3 AGGTF9541 No. Drg.No. & Code No. QTY Description Rating Materials Remarks 番号 図番 & コード番号 個数 品名 規格 材質 備考 1 GGTF6420 1 PLATE プ レー ト FE 2 H10170 1 HANDLE ハ ンド ル EDH80F-M OT 3 N4036R 1…

A
4
5
6
2
7
11
12
3
10
9
8
6
13
14
16
15
23
17
18
19
1
41
42
24
20
16
25
22
21
26
21
22
30
31
32
40
43
37
36
35
44
46
45
56
57
28
29
27
20
50
51
47
48
49
53
52
54
54
58
55
56
57
58
55
59
59
60
61
60
61
62
63
62
63
AGGTF9541
250
PTS-XPFL-02JE

MTU-A (BODY) 2/3
MTU-A (本体) 2/3
AGGTF9541
No. Drg.No. & Code No. QTY Description Rating Materials Remarks
番号 図番 & コード番号 個数 品名 規格 材質 備考
1 GGTF6420 1 PLATE プレート FE
2 H10170 1 HANDLE ハンドル EDH80F-M OT
3 N4036R 1 SCREW, HEX SOCKET SET ネジ 六角穴止め M05X006 ヒラサキ FE
4 S1032A 1 CIR-CLIP サークリップ STW 12 OT
5 GGTF6730 1 SHAFT シャフト FE
6 H4902D 2 BEARING, DRY ベアリング ドライ K5B1206 OT
7 GGTF6700 1 HOLDER ホルダ FE
8 H5304A 2 BOLT, HEX SOCKET ボルト 六角穴 M05X025 FE
9 W1012A 2 WASHER, CONICAL ワッシャ 皿 M- 5-L FE
10 GGTF7050 1 BKT BKT FE
11 H5322A 2 BOLT, HEX SOCKET ボルト 六角穴 M06X015 FE
12 W1024A 2 WASHER, LOCK ワッシャ スプリング 6M/M FE
13 S2138K 1 JOINT ジョイント UNCA10 OT
14 GGTF6230 1 SHAFT シャフト FE
15 GGTF6310 1 PIN ピン FE
16 S1029A 2 CIR-CLIP サークリップ STW 8 OT
17 XR00120 1 LIFTER リフタ OT
18 H5320A 4 BOLT, HEX SOCKET ボルト 六角穴 M06X010 FE
19 W1024A 4 WASHER, LOCK ワッシャ スプリング 6M/M FE
20 GGTF7150 2 BKT BKT FE
21 H5322A 4 BOLT, HEX SOCKET ボルト 六角穴 M06X015 FE
22 W1024A 4 WASHER, LOCK ワッシャ スプリング 6M/M FE
23 K1139E 1 COLLAR カラー NCLBH12-20-45 OT
24 H5399A 1 BOLT, HEX SOCKET ボルト 六角穴 M12X075 FE
25 N1080D 1 NUT, HEX ナット 六角 M12(3カ クロ) FE
26 W1027A 1 WASHER, LOCK ワッシャ スプリング 12M/M FE
27 GGTF6220 1 PLATE, STIFFENING プレート 当て FE
28 H5298A 2 BOLT, HEX SOCKET ボルト 六角穴 M05X010 FE
29 W1023A 2 WASHER, LOCK ワッシャ スプリング 5M/M FE
30 GGTF7160 2 HOLDER, SPRING 受け スプリング FE
31 S3021L 2 SPRING スプリング SWR43-190 OT
32 GGTF7130 2 HOLDER, SPRING 受け スプリング FE
35 GGTF7140 2 HOLDER, SPRING 受け スプリング FE
36 S3021N 2 SPRING スプリング SWR50-300 OT
37 GGTF7110 2 HOLDER, SPRING 受け スプリング FE
40 GGTF5952 2 SHAFT シャフト FE
41 H5342A 4 BOLT, HEX SOCKET ボルト 六角穴 M08X025 FE
251
PTS-XPFL-02JE

MTU-A (BODY) 2/3
MTU-A (本体) 2/3
AGGTF9541
No. Drg.No. & Code No. QTY Description Rating Materials Remarks
番号 図番 & コード番号 個数 品名 規格 材質 備考
42 W1025A 4 WASHER, LOCK ワッシャ スプリング 8M/M FE
43 K1147S 2 GUIDE ガイド SMK50WUU-E-SB OT
44 GGTF5682 2 PLATE プレート FE
45 H5341A 2 BOLT, HEX SOCKET ボルト 六角穴 M08X020 FE
46 W1025A 2 WASHER, LOCK ワッシャ スプリング 8M/M FE
47 GGTF6690 1 BKT BKT FE
48 H5288A 2 BOLT, HEX SOCKET ボルト 六角穴 M04X010 FE
49 W1022A 2 WASHER, LOCK ワッシャ スプリング 4M/M FE
50 GGTF6710 1 BLOCK 駒 PL
51 S3021Z 2 SPRING スプリング WB10-40 FE
52 GGTF7200 2 WASHER ワッシャ FE
53 GGTF7210 2 WASHER ワッシャ FE
54 GGTF7020 4 SHAFT シャフト FE
55 GGTF6980 4 BKT BKT FE
56 H5299A 8 BOLT, HEX SOCKET ボルト 六角穴 M05X012 FE
57 W1023A 8 WASHER, LOCK ワッシャ スプリング 5M/M FE
58 W1044A 8 WASHER, FLAT ワッシャ 平 4W- 5 FE
59 GGTF7000 4 BLOCK 駒 FE
60 H5302A 8 BOLT, HEX SOCKET ボルト 六角穴 M05X020 FE
61 W1023A 8 WASHER, LOCK ワッシャ スプリング 5M/M FE
62 N4094K 4 SCREW, HEX SOCKET SET ネジ 六角穴止め M24X090クボミサキ FE
63 N1106B 4 NUT, HEX ナット 六角 M24(3カクロ) FE
252
PTS-XPFL-02JE