RL132维修手册 - 第75页
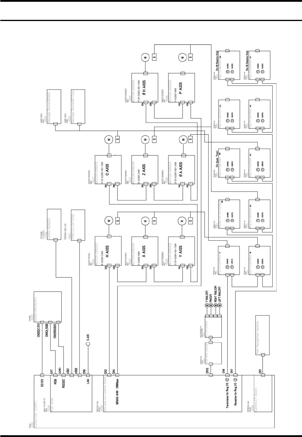
RL132 维修手册 4. 控制系统 DA9MCC-14-000-A0 4-2 DA9MCC-14-000-A0 4. 控制系统 本章用图解对控制系统进行说明。

RL132
维修手册
4. 控制系统
DA9MCC-14-000-A0
4-1
4. 控制系统

RL132
维修手册
4. 控制系统
DA9MCC-14-000-A0
4-2
DA9MCC-14-000-A0
4. 控制系统
本章用图解对控制系统进行说明。

RL132
维修手册
4.1 控制系统配置
DA9MCC-14-020-A0
4.1-1
4.1. 控制系统配置
DA9MCC-14-020-A0
4.1.1 控制系统框图