KE-3010A_20VA_20VRA使用说明书 - 第1232页
第 2 部 功能详解篇 第 14 章 程序补充 TS OP -1 引脚长度 外型尺寸 纵 外型尺寸 横 引脚间距 元件高度 + TSOP -2 引脚长度 外型尺寸 纵 外型尺寸 横 引脚间距 元件高度 + BGA 、 FBGA( 仰视图 ) 一般配置型 交错配置型 14 -5

第 2 部 功能详解篇 第 14 章 程序补充
QFJ(PLCC)
BQFP(PQFP)
外形尺寸 横
外形尺寸 纵
元件高度
引脚间距
外形尺寸 横
外形尺寸 纵
元件高度
引脚长度
引脚间距
引脚长度
14-4

第 2 部 功能详解篇 第 14 章 程序补充
TSOP-1
引脚长度
外型尺寸 纵
外型尺寸 横
引脚间距
元件高度
+
TSOP-2
引脚长度
外型尺寸
纵
外型尺寸 横
引脚间距
元件高度
+
BGA、FBGA(仰视图)
一般配置型 交错配置型
14-5

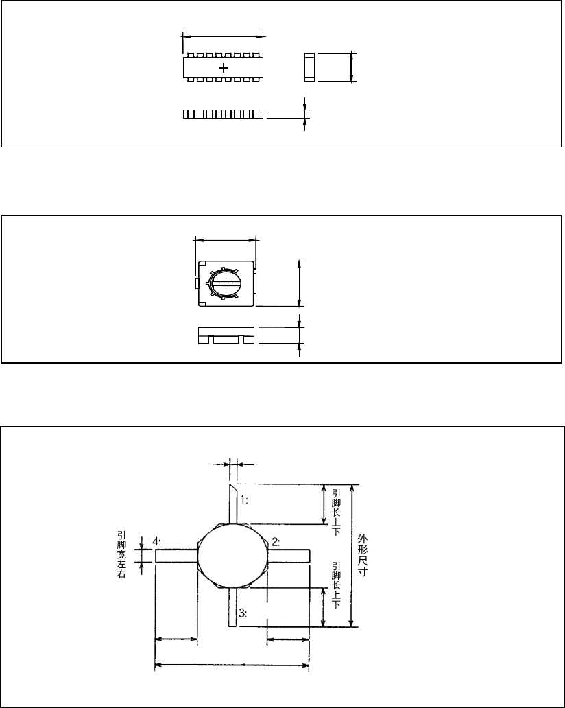
第 2 部 功能详解篇 第 14 章 程序补充
网络电阻
外形尺寸 横
元件高度
外型尺寸 纵
微调电容器
外型尺寸 横
元件高度
外型尺寸 纵
GaAsFET(仰视图)
外形尺寸
Source
Gate
Source
Drain
引脚长左右
引脚长左右
引脚宽上下
14-6