KE-3010A_20VA_20VRA使用说明书 - 第542页
第 1 部 基本篇 第 4 章 制作生产程序 4-146 4-4-2 执行优化 在优化条件设置画面中,按下 [ 执行 ] 按钮,开始优化处理。 执行优化时,会显示如下画面。 优化正常结束时, “ 正在进行优化 ” 画面消失。 发生错误时,则显示错误信息。 在进行优化的过程中,可通过单击 [ 停止 ] 按钮来中断优化。 单击 [ 停止 ] 按钮后,将显示如下的确认信息。

第 1 部 基本篇 第 4 章 制作生产程序
4-145
1) 供料器(不间断生产)
a )否
不执行不间断运行,对前后台架进行不同的供料器配置。
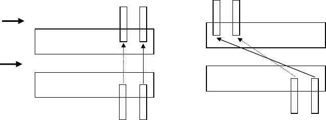
b ) 速度优先
为了进行不间断运行,在前后台架上将供料器配置按线对称配置元件。
c ) 交换优先
为了进行不间断运行,在前后台架上将供料器配置按点对称配置元件。
(在KE-3020VA/3020VRA时不能选择)
2) 主从
对执行不间断生产时,以前面或是后面台架作为主要(主台架)使用进行设置。
a )F → R
以前面为基准进行生产动作,更换元件时在后面进行生产动作。
b ) R → F
以后面为基准进行生产动作,更换元件时在前面进行生产动作。
3) MTC、MTS 的不间断生产设置
对于可对应不间断生产的 MTC(TR6DNV)及 MTS(TR5DNX/TR7DN),设置是否进行不间断
运行。
后
前
F-79
F-75
R-79
R-75
<速度优先> <交换优先>
F-79
F-75
R-5
R-1

第 1 部 基本篇 第 4 章 制作生产程序
4-146
4-4-2 执行优化
在优化条件设置画面中,按下[执行]按钮,开始优化处理。
执行优化时,会显示如下画面。
优化正常结束时,“正在进行优化”画面消失。
发生错误时,则显示错误信息。
在进行优化的过程中,可通过单击[停止]按钮来中断优化。
单击[停止]按钮后,将显示如下的确认信息。

第 1 部 基本篇 第 4 章 制作生产程序
4-147
4-4-2-1 确认分割贴片数据
显示经过优化分配的贴片数据。
请从菜单中选择「优化」/「分割贴片数据」。
● 本菜单在未进行优化时(分割文件不存在),或在优化后变更过生产程序时,
不能选择。
显示如下窗口。
● 优化顺序显示时的粗线划分,表示在 1 次吸取贴片的周期动作中被配对的数据的
区分。