KE-3010A_20VA_20VRA使用说明书 - 第56页
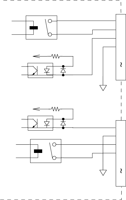
第 1 部 基本篇 第 1 章 装置概要 1-36 ◇ READY OUT(IN) 及 BOARD A V AILABLE 信 号的接口电路,参见 下 图。 依据 SMEMA 规格。 GND ( 24V ) + + 24 V 3.3K 1/4W READY OUT + BOARD A V AILABLE IN + READY OUT - BOARD A V AILABLE IN - N.C. 1 2 3 4 5 14 READY IN …

第 1 部 基本篇 第 1 章 装置概要
1-35
主机正面左侧的接口表
No. 信号名 传送方向 向右流向 信号名 传送方向 向左流向 使用的接口
1 READY OUT + READY IN +
AMP
206043-1
电缆侧
接口
206044-1
2 READY OUT - READY IN - (GND)
3 BOARD AVAILABLE IN + BOARD AVAILABLE OUT +
4 BOARD AVAILABLE IN -
(GND)
BOARD AVAILABLE OUT -
5 N.C. N.C.
6 N.C. N.C.
7 N.C. N.C.
8 N.C. N.C.
9 N.C. N.C.
10 N.C. N.C.
11 N.C. N.C.
12 N.C. N.C.
13 N.C. N.C.
14 N.C. N.C.
主机正面右侧的接口表
No. 信号名 传送方向 向右流向 信号名 传送方向 向左流向 使用的接口
1 READY IN + READY OUT +
AMP
206043-1
电缆侧
接口
206044-1
2 READY IN - (GND) READY OUT -
3 BOARD AVAILABLE OUT + BOARD AVAILABLE IN +
4 BOARD AVAILABLE OUT - BOARD AVAILABLE IN -(GND)
5 N.C. N.C.
6 N.C. N.C.
7 N.C. N.C.
8 N.C. N.C.
9 N.C. N.C.
10 N.C. N.C.
11 N.C. N.C.
12 N.C. N.C.
13 N.C. N.C.
14 N.C. N.C.

第 1 部 基本篇 第 1 章 装置概要
1-36
◇ READY OUT(IN) 及 BOARD AVAILABLE 信号的接口电路,参见下图。
依据 SMEMA 规格。
GND(24V)
+
+ 24V
3.3K 1/4W
READY OUT +
BOARD AVAILABLE IN +
READY OUT -
BOARD AVAILABLE IN -
N.C.
1
2
3
4
5
14
READY IN +
BOARD AVAILABLE OUT +
READY IN -
BOARD AVAILABLE OUT -
N.C.
1
2
3
4
5
14
+ 24V
3.3K 1/4W
+
GND(24V)

第 1 部 基本篇 第 1 章 装置概要
1-37
1-5 对象元件及元件包装
(1) 适用元件尺寸 单位:mm
KE-3010A/3010AC KE-3020VA /3020VRA
MNVC
(KE-3010A 为选购项)
激光识别
LNC60
※根据元件尺寸可吸取的
吸嘴,吸取元件数不同
(注 2)(注 4)(注 13)
0.4×0.2~□33.5 或 对角线长度 47mm -
FMLA
(仅 KE-3020VRA)
- 1.0×0.5~□33.5 -
图像统一识别
(注 2)(注 9)
标准摄像机
(视野 54mm)
反射 -
□3.0~□50.0
(注 1)
□3.0~□33.5
(注 1)(注 14)
透过 -
□3.0~□50.0
(注 1)
□3.0~□6.0
(注 1)
高分辨率摄像机
(视野 27mm)
反射
-
1.0×0.5~□24.0
(注 2)(注 12)
1.0×0.5~□20.0
(注 2)(注 12)(注 15)
透过 -
□3.0~□24
(注 2)
□3.0~□6.0
(注 2)
图像分割识别
(注 2)(注 6)
(注 9)
标准摄像机
(视野 54mm)
反射 -
最大:
50×150(1×3 分割时)
□74(2×2 分割时)
未对应
透过 -
最大:
50×120(1×3 分割时)
(注 1)(注 7)
未对应
高分辨率摄像机
(视野 27mm)
反射 -
24×72(1×3 分割时)
□48(2×2 分割时)
未对应
因机型规格不同
最大高度不同
SC(T=6mm)
NC(T=12mm)
HC(T=20mm)
EC(T=25mm)
LNC60 0.08(0402 时)~T
FMLA
(仅 KE-3020VRA)
- 0.3~T -
VCS 统一识别 -
CDS 0.4~T
(注 5)
0.08~T
FMLA 0.1~T
VCS 分割识别 -
CDS 0.4~T
(注 5)
未对应
FMLA 0.1~T
KE-3010A
/3010AC
KE-3020VA
/3020VRA
MNVC
(KE-3010A 为选购项)
引脚间距
激光识别
LNC60
0.65 以上 -
FMLA
(仅 KE-3020VRA)
- 0.65 以上 -
VCS 识别
标准摄像机 - 0.38~2.54
高分辨率摄像机 - 0.20~2.54
球间距
激光识别
LNC60
1.00~1.27 -
FMLA
- 1.00~1.27 -
VCS 识别
标准摄像机 - 1.00~3.00
高分辨率摄像机 - 0.25~2.00
球径 VCS 识别
标准摄像机 - φ0.4~φ1.0
高分辨率摄像机 - φ0.1~φ0.63