PTS-NXT2-06JE.pdf - 第101页
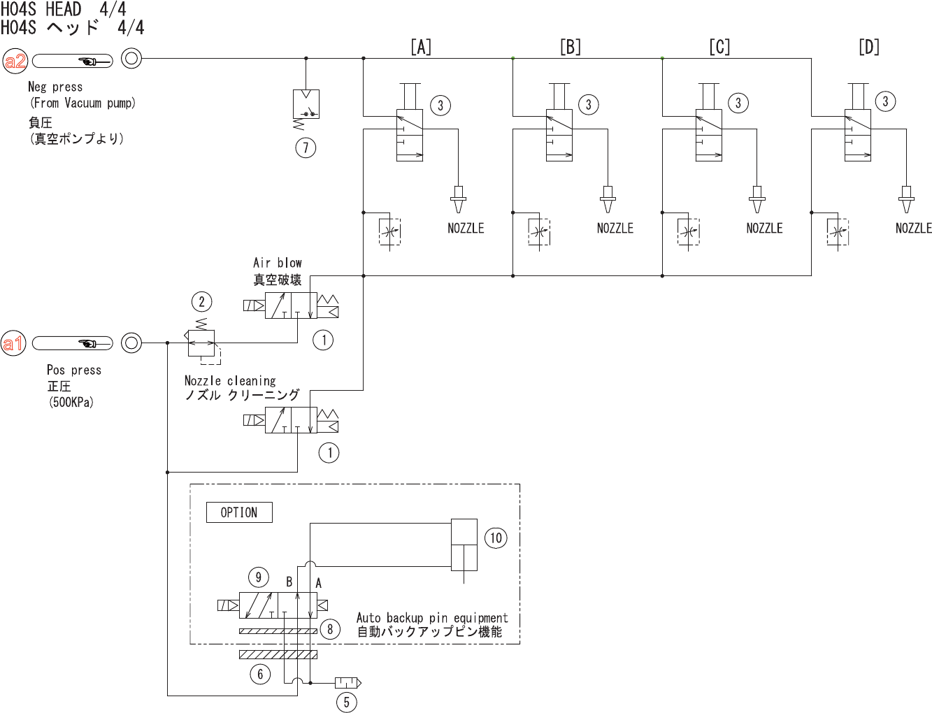
H04SHEAD4/4 H04Sヘッド4/4 2UGKHE000105 No. Dr g .No.&CodeNo. QTY Descri p tion Ratin g Materials Remarks 番号 図番 &コー ド番号 個数 品名 規 格 材質 備考 1 XB03330 2 VALVE,SOL バル ブ SO L OT 2 XB00763 1 VALVE,PRESSUREREDU…

Ref.BED
Ref.BED
a1
a2
2UGKHE000105
100
PTS-NXT2-06JE
Vol.1

H04SHEAD4/4
H04Sヘッド4/4
2UGKHE000105
No. Dr
g
.No.&CodeNo. QTY Descri
p
tion Ratin
g
Materials Remarks
番号 図番&コード番号 個数 品名
規
格 材質 備考
1 XB03330 2 VALVE,SOL バル
ブ
SOL OT
2 XB00763 1 VALVE,PRESSUREREDUCING バル
ブ
減圧 OT
3 XS01186 4 SPOOL ス
プ
ール OT
5 S1058B 1 SILENCER サイレンサ AN120-M3 OT
6 H62140 1 PLATE
プ
レート SYJ3000-21-12A OT
7 XS00842 1 SENSOR,PRESSURE センサ 圧力 OT
8 PJ06032 1 PLATE,ACRYLIC
プ
レート アクリル OT
9 H1122D 1 VALVE,SOL バル
ブ
SOL SYJ3140-5M0U FE
10 XS01844 1 CYLINDER シリンダ OT
101
PTS-NXT2-06JE
Vol.1

10
9
11
12
30
29
28
35
34
5
19
20
21
18
25
25.1
6
3
45
47
48
46
26
27
43
41
42
2
31
32
33
37
4
49
40
2UGKHE000105
102
PTS-NXT2-06JE
Vol.1