PTS-NXT2-06JE.pdf - 第116页
Ref.BED Ref.BED a1 a2 UH00850 116 PTS-NXT2-06JE Vol.1

This page is intentionally blank.
115
PTS-NXT2-06JE
Vol.1

Ref.BED
Ref.BED
a1
a2
UH00850
116
PTS-NXT2-06JE
Vol.1

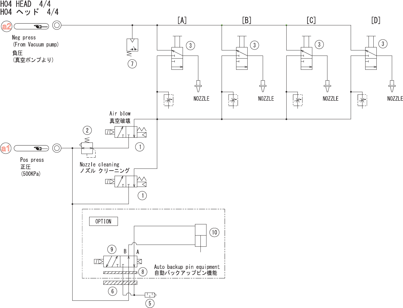
H04HEAD4/4
H04ヘッド4/4
UH00850
No. Dr
g
.No.&CodeNo. QTY Descri
p
tion Ratin
g
Materials Remarks
番号 図番&コード番号 個数 品名
規
格 材質 備考
1 XB03330 2 VALVE,SOL バル
ブ
SOL OT
2 XB00763 1 VALVE,PRESSUREREDUCING バル
ブ
減圧 OT
3 XS01186 4 SPOOL ス
プ
ール OT
5 S1058B 1 SILENCER サイレンサ AN120-M3 OT
6 H62140 1 PLATE
プ
レート SYJ3000-21-12A OT
7 XS00842 1 SENSOR,PRESSURE センサ 圧力 OT
8 PJ06032 1 PLATE,ACRYLIC
プ
レート アクリル OT
9 H1122D 1 VALVE,SOL バル
ブ
SOL SYJ3140-5M0U FE
10 XS01844 1 CYLINDER シリンダ OT
117
PTS-NXT2-06JE
Vol.1