PTS-NXT2-06JE - 第136页
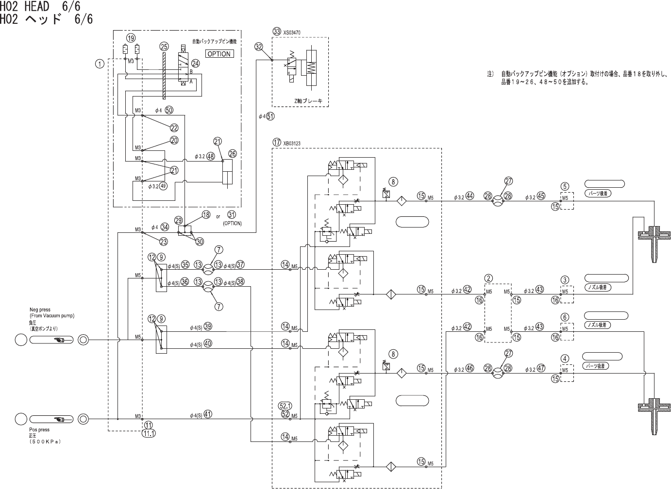
Note) When the optional auto backup pin equipment is attached, part number 18 is removed and part number 19 through 26 ,48 through 50 are added. a2 a1 Ref.BED Ref.BED Auto backup pin equipment NOZZLE1 NOZZLE2 Part pickup…

This page is intentionally blank.
135
PTS-NXT2-06JE
Vol.1

Note) When the optional auto backup pin equipment
is attached, part number 18 is removed and
part number 19 through 26
,48
through 50
are added.
a2
a1
Ref.BED
Ref.BED
Auto backup pin equipment
NOZZLE1
NOZZLE2
Part pickup
Nozzle pickup
Nozzle pickup
Part pickup
NOZZLE1
NOZZLE2
Z-axis brake
UH02604
136
PTS-NXT2-06JE
Vol.1

H02HEAD6/6
H02ヘッド6/6
UH02604
No. Dr
g
.No.&CodeNo. QTY Descri
p
tion Ratin
g
Materials Remarks
番号 図番&コード番号 個数 品名
規
格 材質 備考
1 PM04YM9 1 BODY 本体 AL
2 PM054D4 1 STAY ステー AL
3 PM04HH6 1 SLIDER スライダ FE
4 PM04HK6 1 SLIDER スライダ FE
5 PM03MK4 1 CAP キャッ
プ
AL
6 PM03ML4 1 CAP キャッ
プ
AL
7 XS01582 2 SENSOR センサ OT
8 S4033G 2 SENSOR,PRESSURE センサ 圧力 PSE543-M5 OT
9 PM0CHB1 2 BOLT,JOINT ボルト ジョイント FE
11 Y3044Z 1 UNION,ELBOW ユニオン エルボ LH-0425-M3 OT
11.1 R2031B 1 RING リン
グ
LS-0425 OT
12 A4067T 4 ELBOW エルボ M-5ALHU-4 OT
13 A4068H 4 ELBOW エルボ M-5ALU-4 OT
14 N2030T 4 NIPPLE ニッ
プ
ル M-5AU-4 OT
15 A4067R 8 ELBOW エルボ M-5AU-3 OT
16 A4068G 4 ELBOW エルボ M-5ALU-3 OT
17 XB03123 1 VALVEUNIT バル
ブ
ユニット OT
18 H3145H 1 PLUG
プ
ラ
グ
M-3P OT
19 S1058B 2 SILENCER サイレンサ AN120-M3 OT
20 A4067G 1 ELBOW エルボ M-3AU-3 OT
21 A40669 3 ELBOW エルボ M-3ALU-3 OT
22 A4067H 1 ELBOW エルボ M-3AU-4 OT
23 A4067A 1 ELBOW エルボ M-3ALU-4 OT
24 H1077W 1 VALVE,SOL バル
ブ
SOL PCS242-NB-D24L OT
25 PJ15302 1 PLATE,ACRYLIC
プ
レート アクリル OT
26 XS02773 1 CYLINDER シリンダ OT
27 XS01582 2 SENSOR センサ OT
28 A4068G 4 ELBOW エルボ M-5ALU-3 OT
29 PM096S1 1 JOINT,HOSE ジョイント ホース AL
30 A4067H 2 ELBOW エルボ M-3AU-4 OT
31 A4067H 1 ELBOW エルボ M-3AU-4 OT
32 A4067H 1 ELBOW エルボ M-3AU-4 OT
33 2MGKHH000700 1 CYLINDER シリンダ OT
34 PZ54271 1 TUBE チュー
ブ
OT
35 PZ42601 1 TUBE チュー
ブ
OT
36 PZ42621 1 TUBE チュー
ブ
OT
37 PZ42561 1 TUBE チュー
ブ
OT
38 PZ42571 1 TUBE チュー
ブ
OT
39 PZ42591 1 TUBE チュー
ブ
OT
40 PZ42581 1 TUBE チュー
ブ
OT
41 PZ42611 1 TUBE チュー
ブ
OT
42 PZ42661 2 TUBE チュー
ブ
OT
43 PZ15271 2 TUBE チュー
ブ
OT
44 PZ42631 1 TUBE チュー
ブ
OT
45 PZ42671 1 TUBE チュー
ブ
OT
46 PZ42641 1 TUBE チュー
ブ
OT
47 PZ42671 1 TUBE チュー
ブ
OT
48 PZ42641 1 TUBE チュー
ブ
OT
49 PZ42651 1 TUBE チュー
ブ
OT
50 PZ54281 1 TUBE チュー
ブ
OT
51 PZ54291 1 TUBE チュー
ブ
OT
137
PTS-NXT2-06JE
Vol.1