PTS-NXT2-06JE - 第154页
Ref.BED Ref.BED a1 a2 UH00662 154 PTS-NXT2-06JE Vol.1

This page is intentionally blank.
153
PTS-NXT2-06JE
Vol.1

Ref.BED
Ref.BED
a1
a2
UH00662
154
PTS-NXT2-06JE
Vol.1

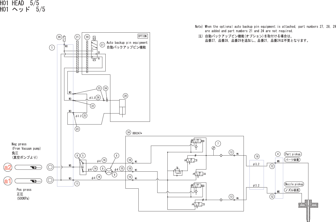
H01HEAD5/5
H01ヘッド5/5
UH00662
No. Dr
g
.No.&CodeNo. QTY Descri
p
tion Ratin
g
Materials Remarks
番号 図番&コード番号 個数 品名
規
格 材質 備考
1 PT01515 1 BODY 本体 FE
4 AA37134 1 HOUSING ハウジン
グ
OT
5 PM35524 1 BOLT,JOINT ボルト ジョイント FE
6 XS01582 1 SENSOR センサ OT
7 S4033G 1 SENSOR,PRESSURE センサ 圧力 PSE543-M5 OT
8 A4067T 2 ELBOW エルボ M-5ALHU-4 OT
9 A4068H 2 ELBOW エルボ M-5ALU-4 OT
10 N2030T 3 NIPPLE ニッ
プ
ル M-5AU-4 OT
11 A4067A 1 ELBOW エルボ M-3ALU-4 OT
12 A4068G 4 ELBOW エルボ M-5ALU-3 OT
14 PZ14431 1 TUBE チュー
ブ
OT
15 PZ24381 1 TUBE チュー
ブ
OT
16 PZ07472 2 TUBE チュー
ブ
OT
17 PZ09531 1 HOSE,AIR ホース エアー OT
19 RH04339 1 HARNESS ハーネス OT
20 S1058B 1 SILENCER サイレンサ AN120-M3 OT
21 H62140 1 PLATE
プ
レート SYJ3000-21-12A OT
22 A4067G 1 ELBOW エルボ M-3AU-3 OT
23 A40669 3 ELBOW エルボ M-3ALU-3 OT
24 N1108K 1 NUT,DOMEDCAP ナット 六角袋 M3ステンレス FE
25 PZ15280 1 TUBE チュー
ブ
OT
26 PZ15270 1 TUBE チュー
ブ
OT
27 H1122D 1 VALVE,SOL バル
ブ
SOL SYJ3140-5M0U OT
28 XS01854 1 CYLINDER シリンダ OT
29 PJ06431 1 PLATE,ACRYLIC
プ
レート アクリル OT
34 XB02474 1 VALVEUNIT バル
ブ
ユニット OT
155
PTS-NXT2-06JE
Vol.1