PTS-NXT2-06JE - 第229页
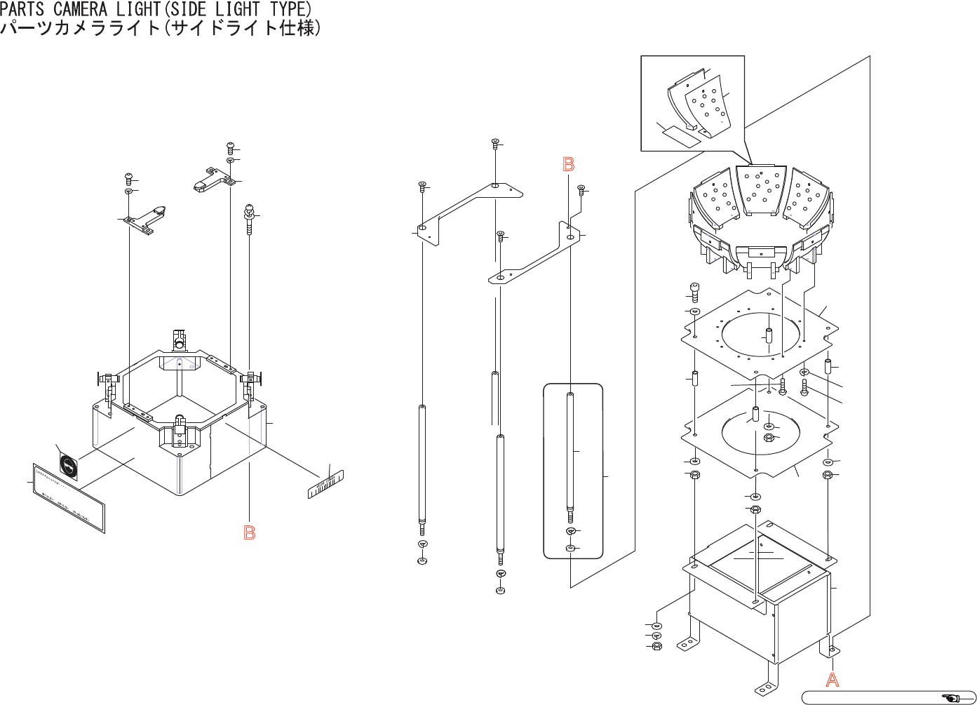
PARTSCAMERA(SIDELIGHTTYPE) パーツカメラ(サイドライト仕様) UG00524 No. Dr g .No.&CodeNo. QTY Descri p tion Ratin g Materials Remarks 番号 図番 &コー ド番号 個数 品名 規 格 材質 備考 1 H2093E 2 PIN,PARALLEL ピン 平行 ゚4X1 0Aシュ ステンレス OT 2 X…

A
Ref.PARTS CAMERA LIGHT(SIDE LIGHT)
1
10
6
10
12
11
1
14
7
8
9
10
10
2.1
15
2
5
4
3
13
5
4
3
5
4
3
UG00524
228
PTS-NXT2-06JE
Vol.1

PARTSCAMERA(SIDELIGHTTYPE)
パーツカメラ(サイドライト仕様)
UG00524
No. Dr
g
.No.&CodeNo. QTY Descri
p
tion Ratin
g
Materials Remarks
番号 図番&コード番号 個数 品名
規
格 材質 備考
1 H2093E 2 PIN,PARALLEL ピン 平行 ゚4X10Aシュステンレス OT
2 XR00241 1 LENS レン
ズ
OT
2.1 . 1 SCREW,HEXSOCKETSET ネジ 六角穴止め M04X005 FE ACC-2
3 H5178A 3 BOLT,HEX ボルト 六角 M05X020 FE
4 W1023A 3 WASHER,LOCK ワッシャ ス
プ
リン
グ
5M
/
M FE
5 W1044A 3 WASHER,FLAT ワッシャ 平 4W-5 FE
6 PM60343 1 BKT BKT FE
7 H5295A 4 BOLT,HEXSOCKET ボルト 六角穴 M04X035 FE
8 W1022A 4 WASHER,LOCK ワッシャ ス
プ
リン
グ
4M
/
M FE
9 W1040S 4 WASHER,FLAT ワッシャ 平 4M
/
MX0.8X9(1W-4)(3カクロ) FE
10 PJ06591 4 BUSHING
ブ
シュ OT
11 PH00371 1 BKT BKT OT
12 K5357T 2 SCREW,HEXSOCKETCOUNTERSUNK 小ネジ 六角穴皿 M03X008 FE
13 XK00795 1 CAMERA カメラ OT
14 PX04042 1 SEAL,BARCODE シール バーコード OT unitserialnumber
15 PG04703 1 SEAL,RUBBER シール ゴム PL
229
PTS-NXT2-06JE
Vol.1

A
B
B
Ref.PARTS CAMERA(SIDE LIGHT)
12
15
14
13
7
6
21
20
20
22
20
20
22
22
22
15
15
15
16
22
15
43
44
45
46
8
11
10
48
18
17
17
49
39
24
5
1
1
2
3
2
3
47
47
47
47
23
UG00524
230
PTS-NXT2-06JE
Vol.1