PTS-NXT2-06JE - 第233页
PARTSCAMERA(HIGHRESOLUTIONCAMERA) パーツカメラ(高分解能カメラ) UG00816 No. Dr g .No.&CodeNo. QTY Descri p tion Ratin g Materials Remarks 番号 図番 &コー ド番号 個数 品名 規 格 材質 備考 1 H2093E 2 PIN,PARALLEL ピン 平行 ゚4X1 0Aシュ ステンレス …

A
Ref.PARTS CAMERA LIGHT
1
10
6
10
12
11
1
14
7
8
9
10
10
15
16
2
5
4
3
5
4
3
5
4
3
13
UG00816
232
PTS-NXT2-06JE
Vol.1

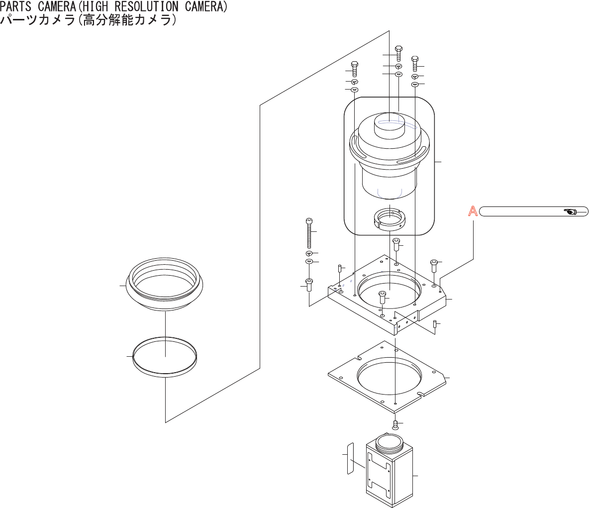
PARTSCAMERA(HIGHRESOLUTIONCAMERA)
パーツカメラ(高分解能カメラ)
UG00816
No. Dr
g
.No.&CodeNo. QTY Descri
p
tion Ratin
g
Materials Remarks
番号 図番&コード番号 個数 品名
規
格 材質 備考
1 H2093E 2 PIN,PARALLEL ピン 平行 ゚4X10Aシュステンレス OT
2 XR00331 1 LENS レン
ズ
OT
3 H5178A 3 BOLT,HEX ボルト 六角 M05X020 FE
4 W1023A 3 WASHER,LOCK ワッシャ ス
プ
リン
グ
5M
/
M FE
5 W1044A 3 WASHER,FLAT ワッシャ 平 4W-5 FE
6 PM82982 1 BKT BKT FE
7 H5295A 4 BOLT,HEXSOCKET ボルト 六角穴 M04X035 FE
8 W1022A 4 WASHER,LOCK ワッシャ ス
プ
リン
グ
4M
/
M FE
9 W1040S 4 WASHER,FLAT ワッシャ 平 4M
/
MX0.8X9(1W-4)(3カクロ) FE
10 PJ06591 4 BUSHING
ブ
シュ OT
11 PH00371 1 BKT BKT OT
12 K5357T 2 SCREW,HEXSOCKETCOUNTERSUNK 小ネジ 六角穴皿 M03X008 FE
13 XK00795 1 CAMERA カメラ OT
14 PX04771 1 SEAL,BARCODE シール バーコード OT unitserialnumber
15 PG04703 1 SEAL,RUBBER シール ゴム PL
16 PJ19410 1 COLLAR,SPACER カラー スペーサ PL
233
PTS-NXT2-06JE
Vol.1

A
Ref.PARTS CAMERA
12
15
14
13
7
6
21
20
20
22
20
20
18
17
17
22
22
22
15
15
15
16
22
15
43
44
49
8
11
10
48
2
1
5
23
3
UG00816
234
PTS-NXT2-06JE
Vol.1