PTS-NXT2-06JE - 第236页
A Ref.P03 PARTS CAMERA LIGHT 1 10 10 6 10 10 12 11 1 14 7 8 9 2 4 5 3 5 4 3 3 4 5 13 15 UG01106 236 PTS-NXT2-06JE Vol.1

PARTSCAMERALIGHT(HIGHRESOLUTIONCAMERA)
パーツカメラライト(高分解能カメラ)
UG00816
No. Dr
g
.No.&CodeNo. QTY Descri
p
tion Ratin
g
Materials Remarks
番号 図番&コード番号 個数 品名
規
格 材質 備考
1 PB65482 1 COVER カバー FE
2 K51993 4 SCREW,WASHERASS'Y 小ネジ 座金組込み M03X012ナベセムスP4(3カシロ) FE
3 XK03144 1 COVER,GLASS カバー ガラス OT
5 AA3XK03 4 BOLT ボルト OT
6 PM98573 4 BOLT ボルト FE
7 W1022A 4 WASHER,LOCK ワッシャ ス
プ
リン
グ
4M
/
M FE
8 PM02885 4 WASHER ワッシャ FE
10 DBGC1672 8 HOLDER,LIGHT ホルダ ライト OT
11 XK05270 8 BOARD,PRINTEDCIRCUIT 基板
プ
リント OT
12 XK04760 1 BOARD,PRINTEDCIRCUIT 基板
プ
リント OT
13 H5282A 4 BOLT,HEXSOCKET ボルト 六角穴 M03X030 FE
14 W1021A 4 WASHER,LOCK ワッシャ ス
プ
リン
グ
3M
/
M FE
15 W1040R 8 WASHER,FLAT ワッシャ 平 3M
/
MX0.5X7(1W-3)(3カクロ) FE
16 W1042A 4 WASHER,FLAT ワッシャ 平 4W-3 FE
17 N4001S 16 SCREW ネジ U-2506-S1 FE
18 W10017 1 WASHER ワッシャ EE-0306-05R FE
20 S32270 4 SPACER スペーサ CZ-315 OT
21 XK04772 1 BOARD,PRINTEDCIRCUIT 基板
プ
リント OT
22 N10795 8 NUT,HEX ナット 六角 M03(3カクロ) FE
23 AA2RT10 1 LAMP ラン
プ
OT
43 PX04781 1 SEAL,BARCODE シール バーコード OT unitserialnumber
44 PZ25701 1 SEAL シール PL
48 PZ37160 1 TAPE テー
プ
OT 100
p
ieces
/
set
49 PX08560 1 NAMEPLATE
銘
板 OT
235
PTS-NXT2-06JE
Vol.1

A
Ref.P03 PARTS CAMERA LIGHT
1
10
10
6
10
10
12
11
1
14
7
8
9
2
4
5
3
5
4
3
3
4
5
13
15
UG01106
236
PTS-NXT2-06JE
Vol.1

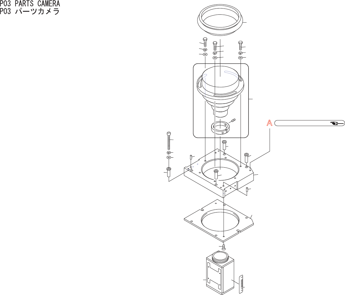
P03PARTSCAMERA
P03パーツカメラ
UG01106
No. Dr
g
.No.&CodeNo. QTY Descri
p
tion Ratin
g
Materials Remarks
番号 図番&コード番号 個数 品名
規
格 材質 備考
1 H2093E 2 PIN,PARALLEL ピン 平行 ゚4X10Aシュステンレス OT
2 XR00340 1 LENS レン
ズ
OT
3 H5178A 3 BOLT,HEX ボルト 六角 M05X020 FE
4 W1023A 3 WASHER,LOCK ワッシャ ス
プ
リン
グ
5M
/
M FE
5 W1044A 3 WASHER,FLAT ワッシャ 平 4W-5 FE
6 PM02899 1 BKT BKT FE
7 H5296A 4 BOLT,HEXSOCKET ボルト 六角穴 M04X040 FE
8 W1022A 4 WASHER,LOCK ワッシャ ス
プ
リン
グ
4M
/
M FE
9 W1040S 4 WASHER,FLAT ワッシャ 平 4M
/
MX0.8X9(1W-4)(3カクロ) FE
10 PH00381 4 BUSHING
ブ
シュ OT
11 PH00371 1 BKT BKT OT
12 K5357T 2 SCREW,HEXSOCKETCOUNTERSUNK 小ネジ 六角穴皿 M03X008 FE
13 XK00795 1 CAMERA カメラ OT
14 PX08460 1 SEAL,BARCODE シール バーコード OT unitserialnumber
15 PG04703 1 SEAL,RUBBER シール ゴム PL
237
PTS-NXT2-06JE
Vol.1