PTS-NXT2-06JE - 第286页
A A B B C C Ref.1 ~2 / 210 211 211 210 211 211 210 211 211 210 211 211 1 2 3 4 5 6 7 8 9 10 1 1 12 13 14 15 16 17 18 19 21 22 23 24 25 23 24 25 26 27 28 29 30 31 31 32 33 34 35 41 42 43 44 45 46 47 48 49 50 51 52 53 54 5…

This page is intentionally blank.
285
PTS-NXT2-06JE
Vol.1

A
A
B
B
C
C
Ref.1 ~2 /
210
211
211
210
211
211
210
211
211
210
211
211
1
2
3
4
5
6
7
8
9
10
11
12
13
14
15
16
17
18
19
21
22
23
24
25
23
24
25
26
27
28
29
30
31
31
32
33
34
35
41
42
43
44
45
46
47
48
49
50
51
52
53
54
55
56
57
58
59
60
61
62
63
64
62
63
64
65
66
67
68
68.1
69
70
70
71
72
73
74
81
82
83
84
85
86
87
88
89
90
91
92
93
94
95
96
97
98
99
100
101
102
103
104
102
103
104
105
106
107
108
110
111
111
112
113
114
115
121
122
123
124
124
125
126
125
126
127
127
128
129 130
131
132
133
132
133
134
134
135
135
135
135
136
136
138
138
137
137
139
139
142
143
143
144
144
145
146
146
146
146
146
147
148
149
150
151
152
153
154
155
156
157
158
158
159
159
160
161
162
163
164
165
166
167
168
171
172
173
174
175
176
177
178
179
180
181
182
183
184
185
186
187
188
189
190
191
192
192
193
194
195
196
197
198
199
199
200
128
129
130
197
198
201
202
203
131
213
170
UX05500
286
PTS-NXT2-06JE
Vol.1

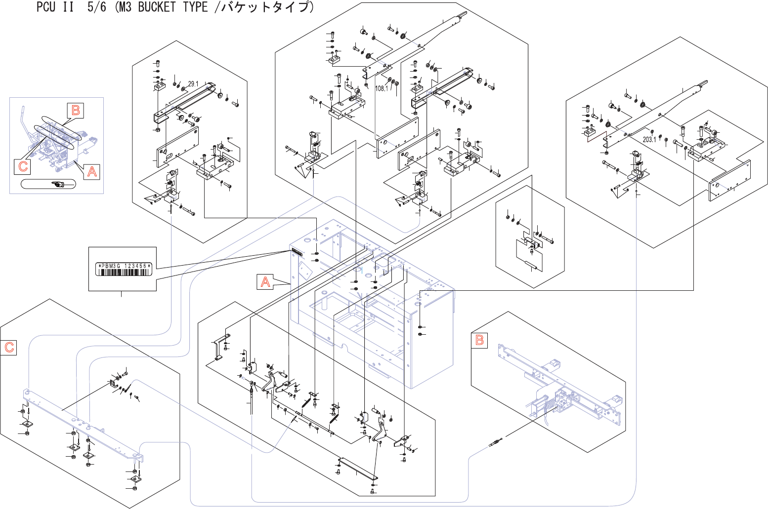
PCUII5/6(M3BUCKETTYPE/バケットタイプ)
UX05500
No. Dr
g
.No.&CodeNo. QTY Descri
p
tion Ratin
g
Materials Remarks
番号 図番&コード番号 個数 品名
規
格 材質 備考
1 2MGKPX010400 1 BLOCK
ブ
ロック FE
2 H20947 1 PIN,PARALLEL ピン 平行 ゚6X16Aシュ FE
3 H51193 2 BOLT ボルト RMBR6-26 FE
4 N1079Z 2 NUT,HEX ナット 六角 M063シュ(3カシロ) FE
5 W1106F 2 WASHER,LOCK ワッシャ ス
プ
リン
グ
6M
/
M(3カシロ) FE
6 H54274 1 BOLT,HEXSOCKET ボルト 六角穴 M06X025(3カシロ) FE
7 W1013A 1 WASHER,CONICAL ワッシャ 皿 M-6-H FE
8 PM93171 1 ROLLER ローラ FE
9 PM93181 1 PIN ピン FE
10 N40256 1 SCREW,HEXSOCKETSET ネジ 六角穴止め M04X003クボミサキ FE
11 2MGKPX010500 1 PLATE,ARM
プ
レート アーム FE
12 H54274 3 BOLT,HEXSOCKET ボルト 六角穴 M06X025(3カシロ) FE
13 W1013A 3 WASHER,CONICAL ワッシャ 皿 M-6-H FE
14 PT01451 1 HOLDER ホルダ FE
15 H5427N 2 BOLT,HEXSOCKET ボルト 六角穴 M05X040(3カシロ) FE
16 W1106E 2 WASHER,LOCK ワッシャ ス
プ
リン
グ
5M
/
M(3カシロ) FE
17 PZ38331 1 STOPPER ストッパ OT
18 PZ25361 1 SPRING,TORSION ス
プ
リン
グ
ネジリ FE
19 H20147 1 PIN ピン CDG5-24 FE
21 XW00642 1 WIRE ワイヤ OT
22 PB07MH1 1 ARM アーム FE
23 PM88101 2 PIN ピン FE
24 H5427D 2 BOLT,HEXSOCKET ボルト 六角穴 M05X016(3カシロ) FE
25 W1106E 2 WASHER,LOCK ワッシャ ス
プ
リン
グ
5M
/
M(3カシロ) FE
26 K1113Z 1 CAMFOLLOWER カムフォロア CF06-A(TN32,TNW32) OT
27 W10877 1 WASHER ワッシャ WSSB12-6-3 FE
28 N1079D 1 NUT,HEX ナット 六角 M6P=1.01シュ(3カシロ) FE
29 W1106F 1 WASHER,LOCK ワッシャ ス
プ
リン
グ
6M
/
M(3カシロ) FE
29.1 W1108F 1 WASHER,FLAT ワッシャ 平 4W-6(3カシロ) FE
30 PG02851 1 STOPPER ストッパ PL
31 PM93251 2 COLLAR カラー FE
32 H5427D 2 BOLT,HEXSOCKET ボルト 六角穴 M05X016(3カシロ) FE
33 W1106E 2 WASHER,LOCK ワッシャ ス
プ
リン
グ
5M
/
M(3カシロ) FE
34 W1108C 2 WASHER,FLAT ワッシャ 平 M05(3カシロ) FE
35 N1079C 2 NUT,HEX ナット 六角 M5P=0.81シュ(3カシロ) FE
41 2MGKPX010200 1 BLOCK
ブ
ロック FE
42 H20947 1 PIN,PARALLEL ピン 平行 ゚6X16Aシュ FE
43 H51193 2 BOLT ボルト RMBR6-26 FE
44 N1079Z 2 NUT,HEX ナット 六角 M063シュ(3カシロ) FE
45 W1106F 2 WASHER,LOCK ワッシャ ス
プ
リン
グ
6M
/
M(3カシロ) FE
46 H54274 1 BOLT,HEXSOCKET ボルト 六角穴 M06X025(3カシロ) FE
47 W1013A 1 WASHER,CONICAL ワッシャ 皿 M-6-H FE
48 PM93171 1 ROLLER ローラ FE
49 PM93181 1 PIN ピン FE
50 N40256 1 SCREW,HEXSOCKETSET ネジ 六角穴止め M04X003クボミサキ FE
51 2MGKPX010500 1 PLATE,ARM
プ
レート アーム FE
52 H54274 3 BOLT,HEXSOCKET ボルト 六角穴 M06X025(3カシロ) FE
53 W1013A 3 WASHER,CONICAL ワッシャ 皿 M-6-H FE
54 PT01451 1 HOLDER ホルダ FE
55 H5427N 2 BOLT,HEXSOCKET ボルト 六角穴 M05X040(3カシロ) FE
56 W1106E 2 WASHER,LOCK ワッシャ ス
プ
リン
グ
5M
/
M(3カシロ) FE
287
PTS-NXT2-06JE
Vol.1