PTS-NXT2-06JE - 第39页
This page is intentionally blank. 39 PTS-NXT2-06JE Vol.1

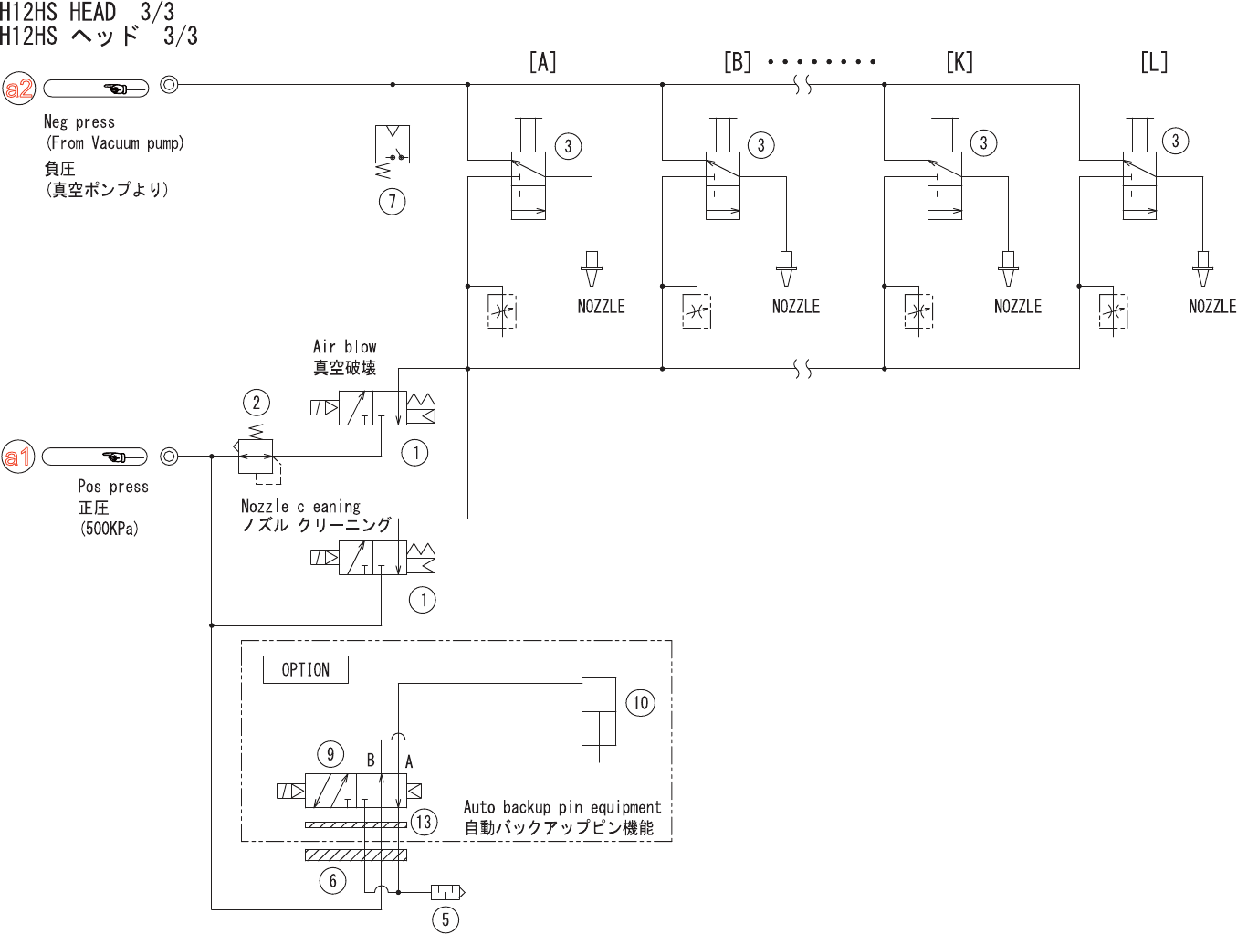
H12HSHEAD2/3
H12HSヘッド2/3
UH03023
No. Dr
g
.No.&CodeNo. QTY Descri
p
tion Ratin
g
Materials Remarks
番号 図番&コード番号 個数 品名
規
格 材質 備考
52 S1003D 1 CIR-CLIP サークリッ
プ
ST-EW-2(3カシロ) OT
53 PM04565 2 PIN,ROLLER ピン ローラ FE
54 PM04574 2 ROLLER ローラ FE
55 PM04552 2 COLLAR カラー FE
56 N1074Z 2 NUT,HEX ナット 六角 M2.5ステンレス FE
58 S4029E 1 SENSOR センサ PM-Y44P OT
59 K5256A 2 SCREW,HEXSOCKETBUTTON 小ネジ 六角穴ボタン M03X008 FE
60 W1021A 2 WASHER,LOCK ワッシャ ス
プ
リン
グ
3M
/
M FE
60.1 W1040R 2 WASHER,FLAT ワッシャ 平 3M
/
MX0.5X7(1W-3)(3カクロ) FE
61 PB00MT2 1 BKT,MOTOR BKTモータ AL
62 PP00171 1 NUT ナット FE
63 XM01172 1 MOTOR,STEPPING モータ ステッピン
グ
OT
64 K5169R 4 SCREW,C
/
RCOUNTERSUNK 小ネジ 十穴皿 M02.6X005 FE
65 H5275A 3 BOLT,HEXSOCKET ボルト 六角穴 M03X008 FE
66 W1021A 3 WASHER,LOCK ワッシャ ス
プ
リン
グ
3M
/
M FE
67 W1042A 3 WASHER,FLAT ワッシャ 平 4W-3 FE
68 PB09784 1 BKT BKT FE
69 K5169M 2 SCREW,C
/
RCOUNTERSUNK 小ネジ 十穴皿 M02X005(ステンレス) FE
71 PB09FF0 1 COVER カバー FE
72 H5274A 4 BOLT,HEXSOCKET ボルト 六角穴 M03X006 FE
73 W1021A 4 WASHER,LOCK ワッシャ ス
プ
リン
グ
3M
/
M FE
38
PTS-NXT2-06JE
Vol.1

This page is intentionally blank.
39
PTS-NXT2-06JE
Vol.1

Ref.BED
Ref.BED
a1
a2
UH03023
40
PTS-NXT2-06JE
Vol.1