PTS-NXT2-06JE.pdf - 第571页
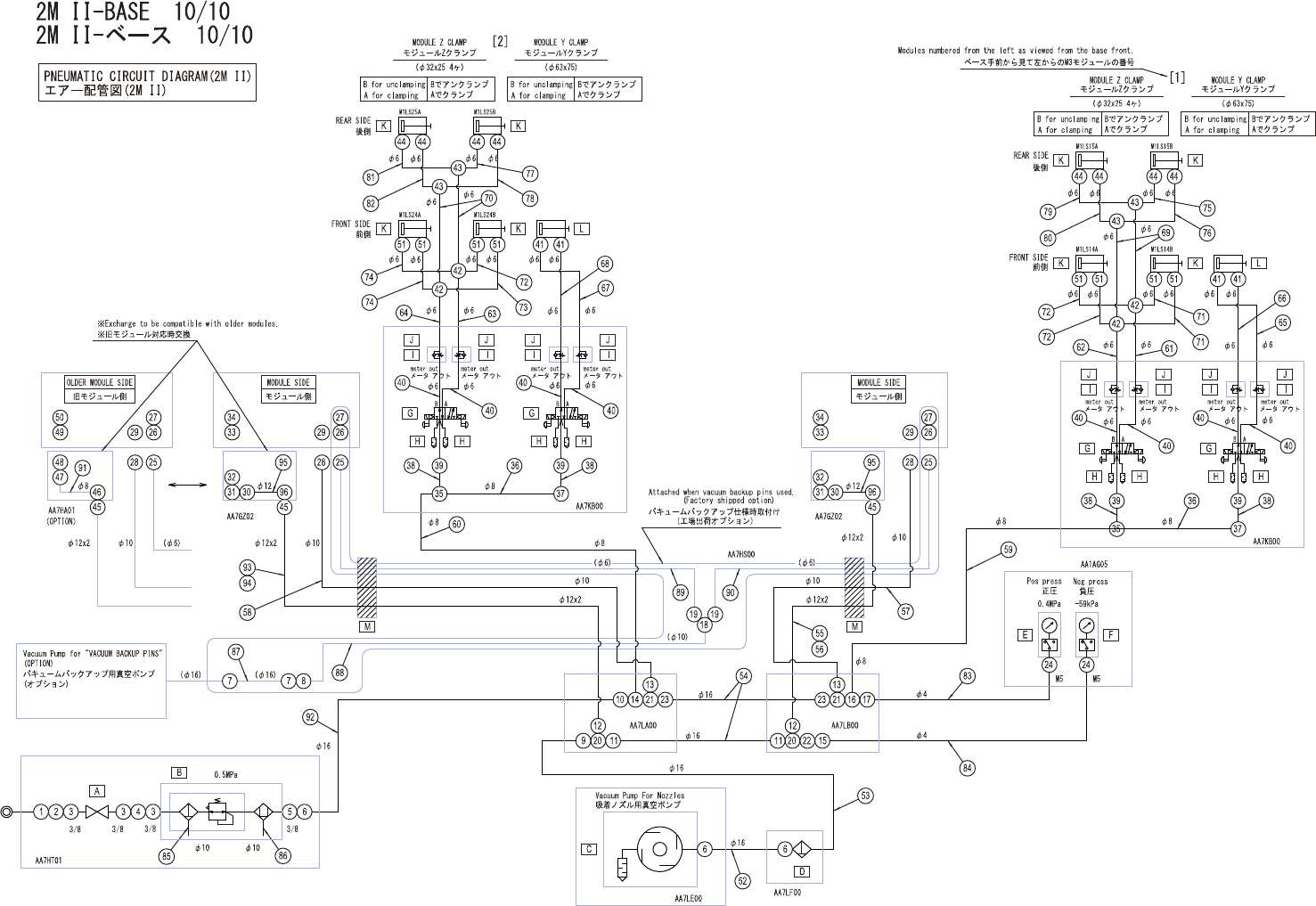
2MII-BASE9/10 2MII-ベース9/10 UB01331 No. Dr g .No.&CodeNo. QTY Descri p tion Ratin g Materials Remarks 番号 図番 &コー ド番号 個数 品名 規 格 材質 備考 1 PP03270 1 COVER カバー FE 1.1 PB01GT0 1 COVER カバー FE OPTION 2 K5171W 4…

A
OPTION
DETAIL
A
DETAIL
B
B
9
8
11
12
15
14
17
13
7
10
10.1
16
10.2
10.3
5
4
3
3
1
6
2
1.1
18
19
20
23
24
22
29
30
29
30
17
16
31
32
33
31
32
33
UB01331
194
PTS-NXT2-06JE
Vol.2

2MII-BASE9/10
2MII-ベース9/10
UB01331
No. Dr
g
.No.&CodeNo. QTY Descri
p
tion Ratin
g
Materials Remarks
番号 図番&コード番号 個数 品名
規
格 材質 備考
1 PP03270 1 COVER カバー FE
1.1 PB01GT0 1 COVER カバー FE OPTION
2 K5171W 4 SCREW,C
/
RTRUSS 小ネジ 十穴トラス M05X006(3カシロ) FE
3 K1141G 2 GUARD,FIN ガード フィン 109-1000G OT
4 H30129 1 FAN ファン 9G1224G4D01 OT
5 K51986 4 SCREW,WASHERASS'Y 小ネジ 座金組込み M04X040P=3ナベセムス(3カシロ) FE
6 N1080H 4 NUT,HEX ナット 六角 M04(ザツキ)(3カシロ) FE
7 PB005F1 1 BKT BKT FE
8 H5298A 2 BOLT,HEXSOCKET ボルト 六角穴 M05X010 FE
9 W1023A 2 WASHER,LOCK ワッシャ ス
プ
リン
グ
5M
/
M FE
10 PT02381 1 BRIDGE
ブ
リッジ FE
10.1 PM0DTF1 1 BLOCK,LOCATING
ブ
ロック 位置決め FE
10.2 H5322A 2 BOLT,HEXSOCKET ボルト 六角穴 M06X015 FE
10.3 W1013A 2 WASHER,CONICAL ワッシャ 皿 M-6-H FE
11 H5322A 5 BOLT,HEXSOCKET ボルト 六角穴 M06X015 FE
12 W1013A 5 WASHER,CONICAL ワッシャ 皿 M-6-H FE
13 PB007F1 1 BKT BKT FE
14 H5299A 2 BOLT,HEXSOCKET ボルト 六角穴 M05X012 FE
15 W1023A 2 WASHER,LOCK ワッシャ ス
プ
リン
グ
5M
/
M FE
16 PB94622 2 HOLDER 受け FE
17 K5172L 4 SCREW,C
/
RTRUSS 小ネジ 十穴トラス M04X006(3カシロ) FE
18 RB04434 1 BKT BKT OT
19 H5297A 2 BOLT,HEXSOCKET ボルト 六角穴 M05X008 FE
20 W1023A 2 WASHER,LOCK ワッシャ ス
プ
リン
グ
5M
/
M FE
22 RB04424 1 BKT BKT OT
23 H5297A 2 BOLT,HEXSOCKET ボルト 六角穴 M05X008 FE
24 W1023A 2 WASHER,LOCK ワッシャ ス
プ
リン
グ
5M
/
M FE
29 K5171S 16 SCREW,C
/
RTRUSS 小ネジ 十穴トラス M03X006(3カシロ) FE
30 K5198B 4 SCREW,WASHERASS'Y 小ネジ 座金組込み M03X008P=4ナベセムス(3カシロ) FE
31 PB010K0 2 BKT,PIPING BKT配管 FE
32 H5298A 4 BOLT,HEXSOCKET ボルト 六角穴 M05X010 FE
33 W1023A 4 WASHER,LOCK ワッシャ ス
プ
リン
グ
5M
/
M FE
195
PTS-NXT2-06JE
Vol.2

UB01331
196
PTS-NXT2-06JE
Vol.2