PTS-NXT2-06JE.pdf - 第61页
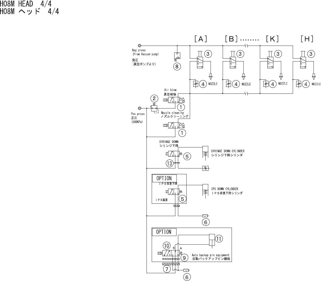
H08MHEAD4/4 H08Mヘッド4/4 2UGKHF000114 No. Dr g .No.&CodeNo. QTY Descri p tion Ratin g Materials Remarks 番号 図番 &コー ド番号 個数 品名 規 格 材質 備考 1 XB03330 2 VALVE,SOL バル ブ SO L OT 2 XB00763 1 VALVE,PRESSUREREDU…

2UGKHF000114
60
PTS-NXT2-06JE
Vol.1

H08MHEAD4/4
H08Mヘッド4/4
2UGKHF000114
No. Dr
g
.No.&CodeNo. QTY Descri
p
tion Ratin
g
Materials Remarks
番号 図番&コード番号 個数 品名
規
格 材質 備考
1 XB03330 2 VALVE,SOL バル
ブ
SOL OT
2 XB00763 1 VALVE,PRESSUREREDUCING バル
ブ
減圧 OT
3 XS03764 8 SPOOL ス
プ
ール OT
5 H1126W 2 VALVE,SOL バル
ブ
SOL V114A-5GR OT
6 S1058B 2 SILENCER サイレンサ AN120-M3 OT
7 H62140 1 PLATE
プ
レート SYJ3000-21-12A OT
8 XS00842 1 SENSOR,PRESSURE センサ 圧力 OT
9 PJ06032 1 PLATE,ACRYLIC
プ
レート アクリル OT
10 H1122D 1 VALVE,SOL バル
ブ
SOL SYJ3140-5M0U OT
11 XS01844 1 CYLINDER シリンダ OT
13 PJ24640 1 PLATE,ACRYLIC
プ
レート アクリル OT
61
PTS-NXT2-06JE
Vol.1

1
2
3
4
5
6
8
9
10
11
12
13
14
15
16
17
18
19
20
21
22
24
25
26
27
28
29
30
31
33
32
34
35
2323
1
2
36
37
2UGKHF000114
62
PTS-NXT2-06JE
Vol.1