PTS-NXT2-06JE - 第74页
G G H H J Ref.1/ 60 67 63 63.1 32 5 31 1 4 3 2 20 55 28 21 51 15 33.1 33.2 33.3 24 30 22 19 54 53 23 16 8 7 33 61 52 62 13 29 27 14 43 65 34 47 47.1 41 40 48 49 44 78 77 81 35 37 79 39 38 66 42 68 36 28 6 67.1 80 11 12 1…

H08HEAD2/5
H08ヘッド2/5
UH00494
No. Dr
g
.No.&CodeNo. QTY Descri
p
tion Ratin
g
Materials Remarks
番号 図番&コード番号 個数 品名
規
格 材質 備考
1 H45713 1 BELT,TIMING ベルト タイミン
グ
110-2GT-12 OT
2 XP00522 1 PULLEY
プ
ーリ OT
3 PM04633 1 COLLAR カラー FE
4 H5268T 1 BOLT,HEXSOCKET ボルト 六角穴 M02.5X006 FE
5 PM37446 1 PLATE
プ
レート FE
6 H5290A 2 BOLT,HEXSOCKET ボルト 六角穴 M04X015 FE
7 W1022A 2 WASHER,LOCK ワッシャ ス
プ
リン
グ
4M
/
M FE
8 W1043A 2 WASHER,FLAT ワッシャ 平 4W-4 FE
9.1 XM00146 1 MOTOR,ACSERVO モータ ACサーボ OT
9.2 PZ28081 1 TAPE テー
プ
OT
9.3 PZ28091 1 TAPE テー
プ
OT
10 H5276A 2 BOLT,HEXSOCKET ボルト 六角穴 M03X010 FE
11 W1021A 2 WASHER,LOCK ワッシャ ス
プ
リン
グ
3M
/
M FE
12 XK02232 1 COUPLING カッ
プ
リン
グ
OT
13 PM04723 2 NUT ナット AL
14 PP00131 1 RETAINER,BEARING 押え ベアリン
グ
FE
15 H5265A 3 BOLT,HEXSOCKET ボルト 六角穴 M02X005 FE
16 W1020A 3 WASHER,LOCK ワッシャ ス
プ
リン
グ
2M
/
M FE
17 H4897A 1 BEARING ベアリン
グ
AC5-14DBP5 OT
18 PM08751 1 GEAR ギヤ FE
19 XM00146 1 MOTOR,ACSERVO モータ ACサーボ OT
20 H5274A 2 BOLT,HEXSOCKET ボルト 六角穴 M03X006 FE
21 W1021A 2 WASHER,LOCK ワッシャ ス
プ
リン
グ
3M
/
M FE
23 XM00128 1 MOTOR,ACSERVO モータ ACサーボ OT
24 AA06D09 1 ROLLER ローラ OT
25 H5278A 2 BOLT,HEXSOCKET ボルト 六角穴 M03X015 FE
26 W1021A 2 WASHER,LOCK ワッシャ ス
プ
リン
グ
3M
/
M FE
30 PM04821 1 COLLAR カラー FE
31 H5274A 1 BOLT,HEXSOCKET ボルト 六角穴 M03X006 FE
32 PM15283 1 GEAR ギヤ FE
33 H41305 1 BEARING ベアリン
グ
695ZZ OT
38 H5276A 2 BOLT,HEXSOCKET ボルト 六角穴 M03X010 FE
38.1 W1021A 2 WASHER,LOCK ワッシャ ス
プ
リン
グ
3M
/
M FE
39 XB00763 1 VALVE,PRESSUREREDUCING バル
ブ
減圧 OT
40 XB03330 1 VALVE,SOL バル
ブ
SOL OT Nozzlescleanin
g
41 XB03330 1 VALVE,SOL バル
ブ
SOL OT Vacuumcut
42 H62140 1 PLATE
プ
レート SYJ3000-21-12A OT
73
PTS-NXT2-06JE
Vol.1

G
G
H
H
J
Ref.1/
60
67
63
63.1
32
5
31
1
4
3
2
20
55
28
21
51
15
33.1
33.2
33.3
24
30
22
19
54
53
23
16
8
7
33
61
52
62
13
29
27
14
43
65
34
47
47.1
41
40
48
49
44
78
77
81
35
37
79
39
38
66
42
68
36
28
6
67.1
80
11
12
10
18
18
17
26
74
50
59
56
57
58
57.1
69
70
71
76
76
75
64
9
73
73.1
72
UH00494
74
PTS-NXT2-06JE
Vol.1

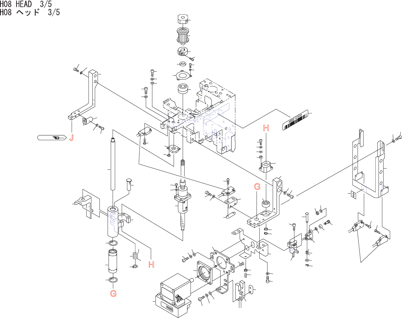
H08HEAD3/5
H08ヘッド3/5
UH00494
No. Dr
g
.No.&CodeNo. QTY Descri
p
tion Ratin
g
Materials Remarks
番号 図番&コード番号 個数 品名
規
格 材質 備考
1 N1040S 1 NUT,LOCK ナット ロック RN5 OT
2 XP00522 1 PULLEY
プ
ーリ OT
3 PM04633 1 COLLAR カラー FE
4 H5268T 1 BOLT,HEXSOCKET ボルト 六角穴 M02.5X006 FE
5 PM04614 1 COLLAR カラー FE
6 PP00131 1 RETAINER,BEARING 押え ベアリン
グ
FE
7 H5265A 3 BOLT,HEXSOCKET ボルト 六角穴 M02X005 FE
8 W1020A 3 WASHER,LOCK ワッシャ ス
プ
リン
グ
2M
/
M FE
9 H4897A 1 BEARING ベアリン
グ
AC5-14DBP5 OT
10 XB00756 1 BALLSCREW ボールネジ OT
11 H5268Z 4 BOLT,HEXSOCKET ボルト 六角穴 M02.5X008 FE
12 W1020H 4 WASHER,LOCK ワッシャ ス
プ
リン
グ
2.5M
/
M FE
13 PG00151 1 STOPPER ストッパ PL
14 H5267A 2 BOLT,HEXSOCKET ボルト 六角穴 M02X008 FE
15 W1020A 2 WASHER,LOCK ワッシャ ス
プ
リン
グ
2M
/
M FE
16 PM04711 2 COLLAR カラー FE
17 S61583 1 SENSOR センサ EX-11B-FJ-PN(ビスナシ) OT SET
18 K5175S 4 SCREW,C
/
RPAN 小ネジ 十穴鍋 M02X005ステンレス FE ACC-17
19 PZ04551 1 SHAFT シャフト OT
20 H5274A 1 BOLT,HEXSOCKET ボルト 六角穴 M03X006 FE
21 W1021A 1 WASHER,LOCK ワッシャ ス
プ
リン
グ
3M
/
M FE
22 W1040R 1 WASHER,FLAT ワッシャ 平 3M
/
MX0.5X7(1W-3)(3カクロ) FE
23 PM076B1 1 PIN ピン FE
24 PM25928 1 SLIDER スライダ AL
26 PM08698 1 ARM アーム FE
27 XB00642 1 BEARING,SLIDE ベアリン
グ
スライド OT
28 S10015 2 CIR-CLIP サークリッ
プ
RTW12 OT
29 PZ04513 1 SPRING,TORSION ス
プ
リン
グ
ネジリ FE
30 S1027A 1 CIR-CLIP サークリッ
プ
STW5 OT
31 PM04593 1 BKT BKT AL
32 H5288A 2 BOLT,HEXSOCKET ボルト 六角穴 M04X010 FE
33 W1011A 2 WASHER,CONICAL ワッシャ 皿 M-4-L FE
33.1 PB08921 1 BKT BKT FE
33.2 H5265A 2 BOLT,HEXSOCKET ボルト 六角穴 M02X005 FE
33.3 W1020A 2 WASHER,LOCK ワッシャ ス
プ
リン
グ
2M
/
M FE
34 H4581B 1 BEARING,MINIATURE ベアリン
グ
ミニチュア 694ZZ OT
35 PM04621 2 COLLAR カラー FE
36 PG00142 1 STOPPER ストッパ PL
37 H5267A 2 BOLT,HEXSOCKET ボルト 六角穴 M02X008 FE
38 W1020A 2 WASHER,LOCK ワッシャ ス
プ
リン
グ
2M
/
M FE
39 W1039A 2 WASHER,FLAT ワッシャ 平 2M
/
M FE
40 PM04642 1 COLLAR カラー AL
41 S10267 1 CIR-CLIP サークリッ
プ
STW4 OT
42 PM04606 1 BKT BKT AL
43 H5288A 2 BOLT,HEXSOCKET ボルト 六角穴 M04X010 FE
44 W1011A 2 WASHER,CONICAL ワッシャ 皿 M-4-L FE
47 PB11752 1 BKT BKT AL
47.1 PP01251 1 NUT ナット FE
48 H5265A 2 BOLT,HEXSOCKET ボルト 六角穴 M02X005 FE
49 W1020A 2 WASHER,LOCK ワッシャ ス
プ
リン
グ
2M
/
M FE
50 XM00182 1 MOTOR,STEPPING モータ ステッピン
グ
OT
75
PTS-NXT2-06JE
Vol.1