JX-200_安装要领书 - 第30页
Rev. 1.0 安装要领书 14. 主电源打开前的检查 < 程序 > 1) 是否进行了贴片机主机的水平调整了吗 ? 2) 传送轨道高度是否符合用户的规格要求 ? 3) 调节器的锁定螺母是否被牢牢地固定 ? 4) 是否正确地供给干燥空气 ? 5) 连接贴片机主机的电源线是否正确地连接 ?( 电压是否正确 ?) 6) X 轴、贴装头、传送轨道等的传送用固定金属部件是否脱落 ? 7) 附属品是否正确地安装 ? 8) 外部装置是否正确地连接 …

Rev. 1.0
安装要领书
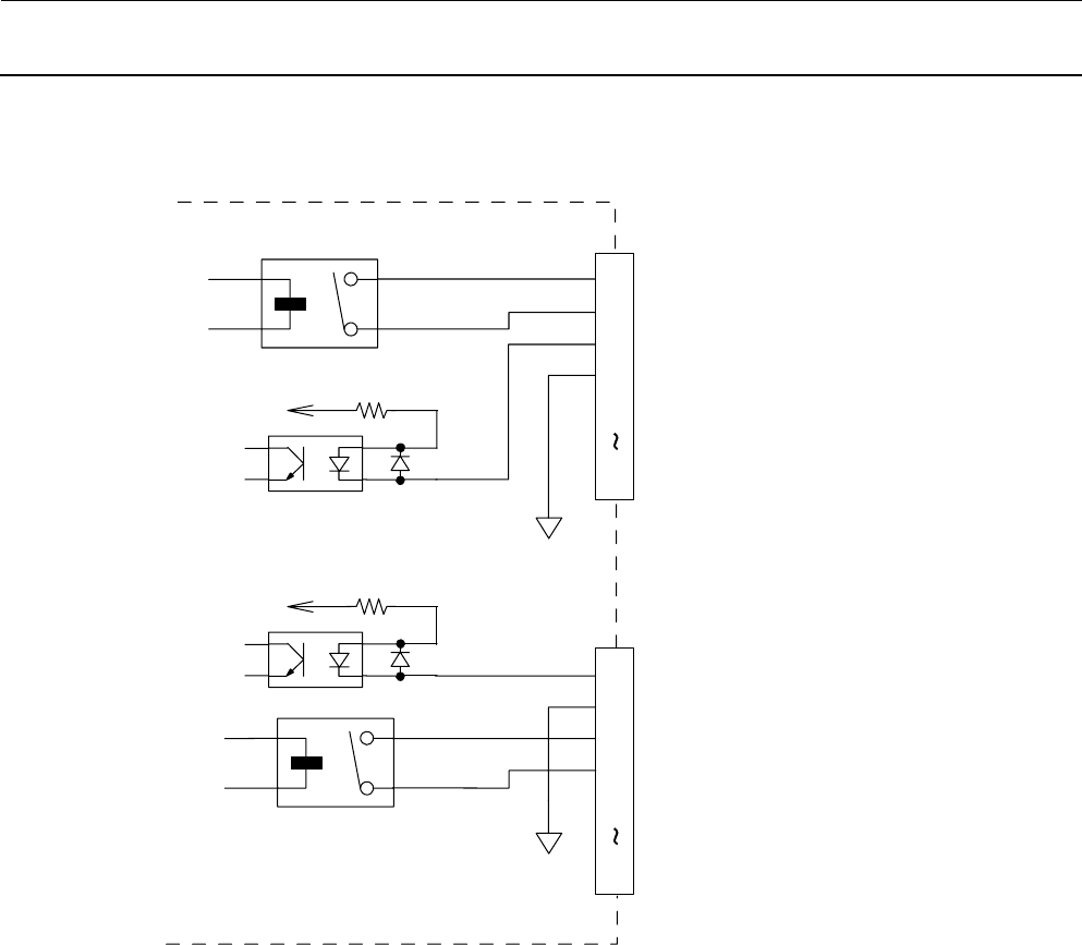
预输出(输入)信号和板有效信号的接口电路如图 13-3 所示。
以 SMEMA 规格为准。
GND(24V)
+
+24V
3.3K 1/4W
READY OUT +
BOAD AVAILABLE IN +
READY OUT -
BOAD AVAILABLE IN -
N.C.
1
2
3
4
5
14
READY IN +
BOAD AVAILABLE OUT +
READY IN -
BOAD AVAILABLE OUT -
N.C.
1
2
3
4
5
14
+24V
3.3K 1/4W
+
GND(24V)
JOINT IN
JOINT OUT
图 13-3
26

Rev. 1.0
安装要领书
14. 主电源打开前的检查
<程序>
1) 是否进行了贴片机主机的水平调整了吗?
2) 传送轨道高度是否符合用户的规格要求?
3) 调节器的锁定螺母是否被牢牢地固定?
4) 是否正确地供给干燥空气?
5) 连接贴片机主机的电源线是否正确地连接?(电压是否正确?)
6) X 轴、贴装头、传送轨道等的传送用固定金属部件是否脱落?
7) 附属品是否正确地安装?
8) 外部装置是否正确地连接?
9) 各装置的轴是否可以用手动顺畅地转动?
・手拿 Y 轴的手柄,前后是否可以顺畅转动?
・手拿贴装装置的手柄看看是否左右可以顺畅地移动?
・用手指转动 Z 和θ轴堪堪是否可以顺畅地转动?
27

◆修订履历
改版 日期 修订页 修订内容 备注
1.0 2011.05 初版