N7205A119B - 第103页
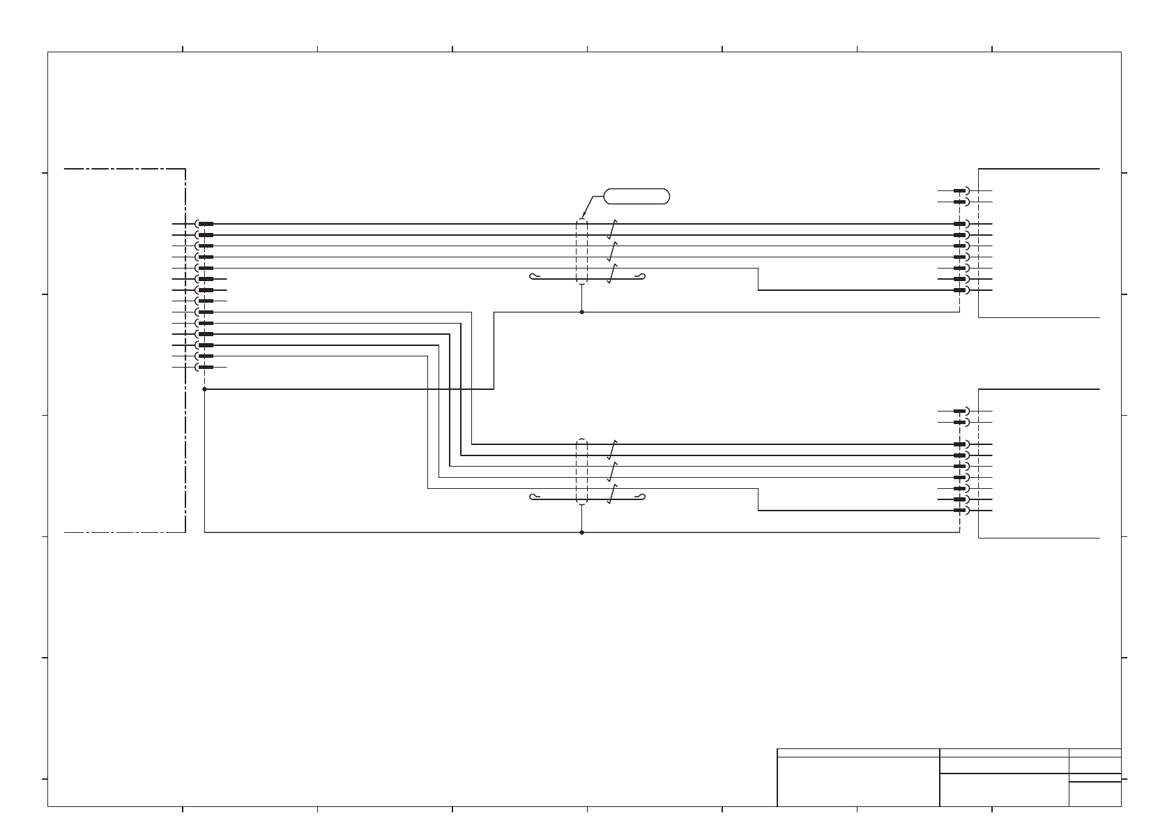
AFX-Axis Motor Driver X4 CN3 +A12A -K501 MDDHT5540NL4 Panasonic -K502 MEDHT7364NL4 Panasonic ENC_A1_P ENC_A1_N 1 8 3 10 2 9 ENC_B1_P ENC_B1_N GND N.C. GND ENC_A2_P 4 11 5 12 7 14 ENC_A2_N ENC_B2_P ENC_B2_N GND N.C. 6 13 …

+A11B
Power Unit #2(Bst)
MCRP
P24
G24
1
2
3
4
5
6
P24
G24
N.C
FG
FGA13B
R1.25-4
JST
+A13B
CN1
P24
G24
P24
G24
1
3
2
4
BK/WH
BK
RD/WH
RD
Multi Recognition Camera(BR)
MOLEX
1A13B
5557-04R-210
4
3
2
1
MOLEX
MCRA11B
5557-06R-210
6
5
4
3
2
1
2464C(BPF)VSVP AWG#20×2P-B
-K303
PPREAB
+A01
CPU Box
Capture Board
CN7
SHIELD
12V
GND
X0-
X0+
X1-
X1+
X2-
X2+
XCLK-
XCLK+
X3-
X3+
SERTC+
SERTC-
CC1-
CC1+
SERTFG-
SERTFG+
GND
12V
CC2+
CC2-
CC3-
CC3+
CC4+
CC4-
1
14
25
12
24
11
23
10
22
9
21
8
20
7
18
5
19
6
13
26
17
4
16
15
3
2
GND/12V
GND
X0-
X0+
X1-
X1+
X2-
X2+
XCLK-
XCLK+
X3-
X3+
SERTC+
SERTC-
CC1-
CC1+
SERTFG-
SERTFG+
GND
GND/12V
1
14
2
15
3
16
4
17
5
18
6
19
7
20
9
22
8
21
13
26
10
23
11
12
24
25
LB
DRAIN
BN
YE
BN
GN
WH
BN
GN
RD
DRAIN
WH
BN
GN
BU
WH
BN
DRAIN
BN
GN
YE
CAML-E-1750
HONDA
7K303
HDR-E26MG+
1
14
25
12
24
11
23
10
22
9
21
8
20
7
18
5
19
6
13
26
17
4
16
3
15
2
HDR-E26LPH
HONDA
2A13B
HDR-E26MG+
25
12
24
11
23
10
26
13
21
8
22
9
20
7
19
6
18
5
17
4
16
3
15
2
14
1
HDR-E26LPJ+
CC2+
CC2-
CC3-
CC3+
CC4+
CC4-
CN2
Note1) Note1)
N510062617AA
MTKC002479AD
Note1) Connector Pin arrangement is not sequential.
2464-1061/ⅡA-SBX(PF) LF 2P×22AWG
2
2
CAML-E-2000
2
3 2 1
Panasonic Factory Solutions Co.,Ltd. パナソニック ファクトリーソリューションズ株式会社
Name
Drawing No.
Loc. No.
F4K1020-05A
1
2 3 4 5 6 7 8
A
B
C
D
E
F
1 2 3 4 5 6 7 8
A
B
C
D
E
F
Page. No.
Main Body Wiring (NPM-DX)
(Multi Recognition Camera : BR)
MTKA001071+045AD
P045

AFX-Axis
Motor Driver
X4
CN3
+A12A -K501
MDDHT5540NL4
Panasonic
-K502
MEDHT7364NL4
Panasonic
ENC_A1_P
ENC_A1_N
1
8
3
10
2
9
ENC_B1_P
ENC_B1_N
GND
N.C.
GND
ENC_A2_P
4
11
5
12
7
14
ENC_A2_N
ENC_B2_P
ENC_B2_N
GND
N.C.
6
13
RESERVED
RESERVED
GND
17
20
21
22
16
18
19
I-COM
6
9
SHELL : FG
X4
RESERVED
RESERVED
GND
17
20
21
22
16
18
19
I-COM
6
9
SHELL : FG
2464C(BPF)VSVP AWG#24×3P-B
GN/WH
GN
BK/WH
BK
RD/WH
RD
2464C(BPF)VSVP AWG#24×3P-B
GN/WH
GN
BK/WH
BK
RD/WH
RD
OA+
OB+
OA-
OB-
OA+
OB+
OA-
OB-
SI-MON1
SI-MON1
N.C.
Sumitomo 3M
3A12A
10114-3000PE
1
8
3
10
2
9
4
11
5
12
7
14
6
13
Sumitomo 3M
X4K501
10126-3000PE
16
22
21
19
20
18
17
9
6
Sumitomo 3M
X4K502
10126-3000PE
16
22
21
19
20
18
17
9
6
Multi Recognition Camera
(AF)
AFYM-Axis
Motor Driver
Note1) Connector Pin arrangement is not sequential.
Note1)
Note1)
Note1)
MTKC002480AD
10314-52F0-008
10314-52A008
1
2464-1061/ⅡA-SBX(PF) LF 3P×24AWG
2
2464-1061/ⅡA-SBX(PF) LF 3P×24AWG
2
MDDHT5540NL1 2
MEDHT7364NL3
2
3 2 1
Panasonic Factory Solutions Co.,Ltd. パナソニック ファクトリーソリューションズ株式会社
Name
Drawing No.
Loc. No.
F4K1020-05A
1
2 3 4 5 6 7 8
A
B
C
D
E
F
1 2 3 4 5 6 7 8
A
B
C
D
E
F
Page. No.
Main Body Wiring (NPM-DX)
(Encoder Connection : AF)
MTKA001071+046AD
P046

-K503
MDDHT5540NL4
Panasonic
-K504
MEDHT7364NL4
Panasonic
ARX-Axis
Motor Driver
X4
CN3
+A13A
ENC_A1_P
ENC_A1_N
1
8
3
10
2
9
ENC_B1_P
ENC_B1_N
GND
N.C.
GND
ENC_A2_P
4
11
5
12
7
14
ENC_A2_N
ENC_B2_P
ENC_B2_N
GND
N.C.
6
13
RESERVED
RESERVED
GND
17
20
21
22
16
18
19
I-COM
6
9
SHELL : FG
X4
RESERVED
RESERVED
GND
17
20
21
22
16
18
19
I-COM
6
9
SHELL : FG
2464C(BPF)VSVP AWG#24×3P-B
GN/WH
GN
BK/WH
BK
RD/WH
RD
2464C(BPF)VSVP AWG#24×3P-B
GN/WH
GN
BK/WH
BK
RD/WH
RD
OA+
OB+
OA-
OB-
OA+
OB+
OA-
OB-
SI-MON1
SI-MON1
N.C.
Sumitomo 3M
3A13A
10114-3000PE
1
8
3
10
2
9
4
11
5
12
7
14
6
13
Sumitomo 3M
X4K503
10126-3000PE
16
22
21
19
20
18
17
9
6
Sumitomo 3M
X4K504
10126-3000PE
16
22
21
19
20
18
17
9
6
Multi Recognition Camera
(AR)
ARYM-Axis
Motor Driver
Note1) Connector Pin arrangement is not sequential.
Note1)
Note1)
Note1)
MTKC002481AD
10314-52F0-008
10314-52A008
1
2464-1061/ⅡA-SBX(PF) LF 3P×24AWG
2
2464-1061/ⅡA-SBX(PF) LF 3P×24AWG
2
MDDHT5540NL1 2
MEDHT7364NL3
2
3 2 1
Panasonic Factory Solutions Co.,Ltd. パナソニック ファクトリーソリューションズ株式会社
Name
Drawing No.
Loc. No.
F4K1020-05A
1
2 3 4 5 6 7 8
A
B
C
D
E
F
1 2 3 4 5 6 7 8
A
B
C
D
E
F
Page. No.
Main Body Wiring (NPM-DX)
(Encoder Connection : AR)
MTKA001071+047AD
P047