N7205A119B - 第106页
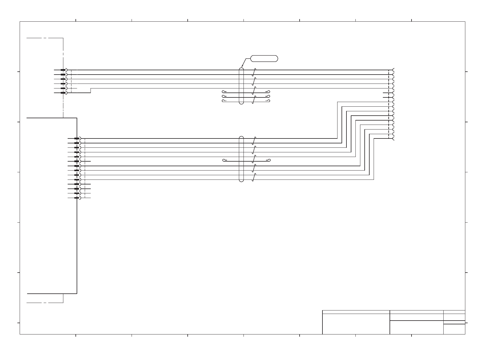
-K511 MDDHT5540NL4 Panasonic -K512 MEDHT7364NL4 Panasonic MTKC002483AD BRX-Axis Motor Driver X4 CN3 +A13B ENC_A1_P ENC_A1_N 1 8 3 10 2 9 ENC_B1_P ENC_B1_N GND N.C. GND ENC_A2_P 4 11 5 12 7 14 ENC_A2_N ENC_B2_P ENC_B2_N G…

-K509
MDDHT5540NL4
Panasonic
-K510
MEDHT7364NL4
Panasonic
BFX-Axis
Motor Driver
X4
CN3
+A12B
ENC_A1_P
ENC_A1_N
1
8
3
10
2
9
ENC_B1_P
ENC_B1_N
GND
N.C.
GND
ENC_A2_P
4
11
5
12
7
14
ENC_A2_N
ENC_B2_P
ENC_B2_N
GND
N.C.
6
13
RESERVED
RESERVED
GND
17
20
21
22
16
18
19
I-COM
6
9
SHELL : FG
X4
RESERVED
RESERVED
GND
17
20
21
22
16
18
19
I-COM
6
9
SHELL : FG
2464C(BPF)VSVP AWG#24×3P-B
GN/WH
GN
BK/WH
BK
RD/WH
RD
2464C(BPF)VSVP AWG#24×3P-B
GN/WH
GN
BK/WH
BK
RD/WH
RD
OA+
OB+
OA-
OB-
OA+
OB+
OA-
OB-
SI-MON1
SI-MON1
N.C.
Sumitomo 3M
3A12B
10114-3000PE
1
8
3
10
2
9
4
11
5
12
7
14
6
13
Sumitomo 3M
X4K509
10126-3000PE
16
22
21
19
20
18
17
9
6
Sumitomo 3M
X4K510
10126-3000PE
16
22
21
19
20
18
17
9
6
Multi Recognition Camera
(BF)
BFYM-Axis
Motor Driver
Note1) Connector Pin arrangement is not sequential.
Note1)
Note1)
Note1)
MTKC002482AD
10314-52F0-008
10314-52A008
1
2464-1061/ⅡA-SBX(PF) LF 3P×24AWG
2
2464-1061/ⅡA-SBX(PF) LF 3P×24AWG
2
MDDHT5540NL1 2
MEDHT7364NL3
2
3 2 1
Panasonic Factory Solutions Co.,Ltd. パナソニック ファクトリーソリューションズ株式会社
Name
Drawing No.
Loc. No.
F4K1020-05A
1
2 3 4 5 6 7 8
A
B
C
D
E
F
1 2 3 4 5 6 7 8
A
B
C
D
E
F
Page. No.
Main Body Wiring (NPM-DX)
(Encoder Connection : BF)
MTKA001071+048AD
P048

-K511
MDDHT5540NL4
Panasonic
-K512
MEDHT7364NL4
Panasonic
MTKC002483AD
BRX-Axis
Motor Driver
X4
CN3
+A13B
ENC_A1_P
ENC_A1_N
1
8
3
10
2
9
ENC_B1_P
ENC_B1_N
GND
N.C.
GND
ENC_A2_P
4
11
5
12
7
14
ENC_A2_N
ENC_B2_P
ENC_B2_N
GND
N.C.
6
13
RESERVED
RESERVED
GND
17
20
21
22
16
18
19
I-COM
6
9
SHELL : FG
X4
RESERVED
RESERVED
GND
17
20
21
22
16
18
19
I-COM
6
9
SHELL : FG
2464C(BPF)VSVP AWG#24×3P-B
GN/WH
GN
BK/WH
BK
RD/WH
RD
2464C(BPF)VSVP AWG#24×3P-B
GN/WH
GN
BK/WH
BK
RD/WH
RD
OA+
OB+
OA-
OB-
OA+
OB+
OA-
OB-
SI-MON1
SI-MON1
N.C.
Sumitomo 3M
3A13B
10114-3000PE
1
8
3
10
2
9
4
11
5
12
7
14
6
13
Sumitomo 3M
X4K511
10126-3000PE
16
22
21
19
20
18
17
9
6
Sumitomo 3M
X4K512
10126-3000PE
16
22
21
19
20
18
17
9
6
Multi Recognition Camera
(BR)
BRYM-Axis
Motor Driver
Note1) Connector Pin arrangement is not sequential.
Note1)
Note1)
Note1)
10314-52F0-008
10314-52A008
1
2464-1061/ⅡA-SBX(PF) LF 3P×24AWG
2
2464-1061/ⅡA-SBX(PF) LF 3P×24AWG
2
MDDHT5540NL1 2
MEDHT7364NL3
2
3 2 1
Panasonic Factory Solutions Co.,Ltd. パナソニック ファクトリーソリューションズ株式会社
Name
Drawing No.
Loc. No.
F4K1020-05A
1
2 3 4 5 6 7 8
A
B
C
D
E
F
1 2 3 4 5 6 7 8
A
B
C
D
E
F
Page. No.
Main Body Wiring (NPM-DX)
(Encoder Connection : BR)
MTKA001071+049AD
P049

For
Cart Unit (+A41A)
(AF)
Note1) Connector Pin arrangement is not sequential.
-K313A
PDG14042A
CN Board : Safety #1
CNCAF
1
2
3
4
5
6
7
8
9
10
11
12
13
14
CAF24VP
1
2
3
4
5
6
P24
GND
P24
GND
N.C.
FG
JST
CAF_K313A
PUDP-14V-S
1
2
3
4
5
6
7
8
9
10
11
12
13
14
MTKC002484AD
BK/WH
BK
RD/WH
RD
GN/WH
GN
JAE
CART.AF
DM1R016PA1
8
14
6
13
5
16
4
3
12
11
15
7
9
10
1
2
Note1)
2464C(BPF)VVP AWG#24×5P-B
BN/WH
BN
YE/WH
YE
GN/WH
GN
BK/WH
BK
RD/WH
RD
5557-08R-210
MOLEX
1
+A11A
Power Unit #1(Ast)
TxD5A+
TxD5A-
RxD5A+
RxD5A-
GND
N.C.
IN202
IN204
T1
Si6
T3
Si7
T1F
T3F
CAFK313A
1
2
177903-1
2
AMP
CAF24VRA11A
177901-1
6
5
4
3
2
1
YE/WH
YE
2464C(BPF)VVP AWG#20×4P-B
2464-1061/ⅡA(PF)LF 3P×20AWG
2
2464-1061/ⅡA(PF)LF 5P×24AWG
2
2
3 2 1
Panasonic Factory Solutions Co.,Ltd. パナソニック ファクトリーソリューションズ株式会社
Name
Drawing No.
Loc. No.
F4K1020-05A
1
2 3 4 5 6 7 8
A
B
C
D
E
F
1 2 3 4 5 6 7 8
A
B
C
D
E
F
Page. No.
Main Body Wiring (NPM-DX)
(Cart I/F : AF)
MTKA001071+050AD
P050