N7205A119B - 第109页
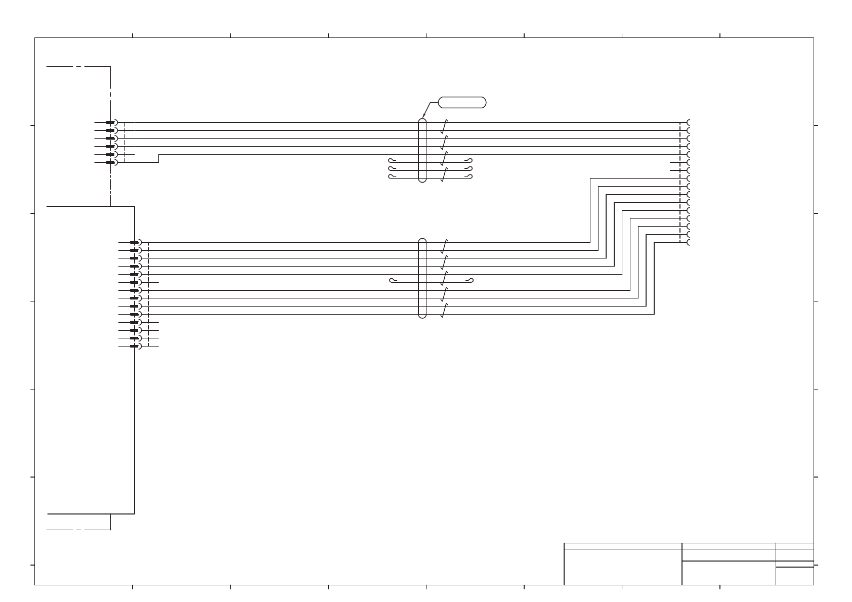
For Cart Unit (+A41B) (BF) Note1) Connector Pin arrangement is not sequential. CNCBF 1 2 3 4 5 6 7 8 9 10 11 12 13 14 TxD7A+ TxD7A- RxD7A+ RxD7A- GND N.C. IN702 IN704 T1 Si6 T3 Si7 T1F T3F CAF24VP JST CBF_K313B PUDP-14V-…

Note1) Connector Pin arrangement is not sequential.
For
Cart Unit (+A42A)
(AR)
Note1) Connector Pin arrangement is not sequential.
CNCAR
1
2
3
4
5
6
7
8
9
10
11
12
13
14
CAR24VP
1
2
3
4
5
6
P24
GND
P24
GND
N.C.
FG
JST
CAR_K313A
PUDP-14V-S
1
2
3
4
5
6
7
8
9
10
11
12
13
14
MTKC002485AD
BK/WH
BK
RD/WH
RD
GN/WH
GN
JAE
CART.AR
DM1R016PA1
8
14
6
13
5
16
4
3
12
11
15
7
9
10
1
2
Note1)
+A11A
Power Unit #1(Ast)
-K313A
PDG14042A
CN Board : Safety #1
TxD6A+
TxD6A-
RxD6A+
RxD6A-
GND
N.C.
IN203
IN205
T2
Si8
T3
Si9
T2R
T3R
CARK313A
1
2
AMP
CAR24VRA11A
177901-1
6
5
4
3
2
1
2464C(BPF)VVP AWG#24×5P-B
BN/WH
BN
YE/WH
YE
GN/WH
GN
BK/WH
BK
RD/WH
RD
YE/WH
YE
2464C(BPF)VVP AWG#20×4P-B
2464-1061/ⅡA(PF)LF 3P×20AWG
2
2464-1061/ⅡA(PF)LF 5P×24AWG
2
2
5557-08R-210
MOLEX
1
177903-1
2
3 2 1
Panasonic Factory Solutions Co.,Ltd. パナソニック ファクトリーソリューションズ株式会社
Name
Drawing No.
Loc. No.
F4K1020-05A
1
2 3 4 5 6 7 8
A
B
C
D
E
F
1 2 3 4 5 6 7 8
A
B
C
D
E
F
Page. No.
Main Body Wiring (NPM-DX)
(Cart I/F : AR)
MTKA001071+051AD
P051

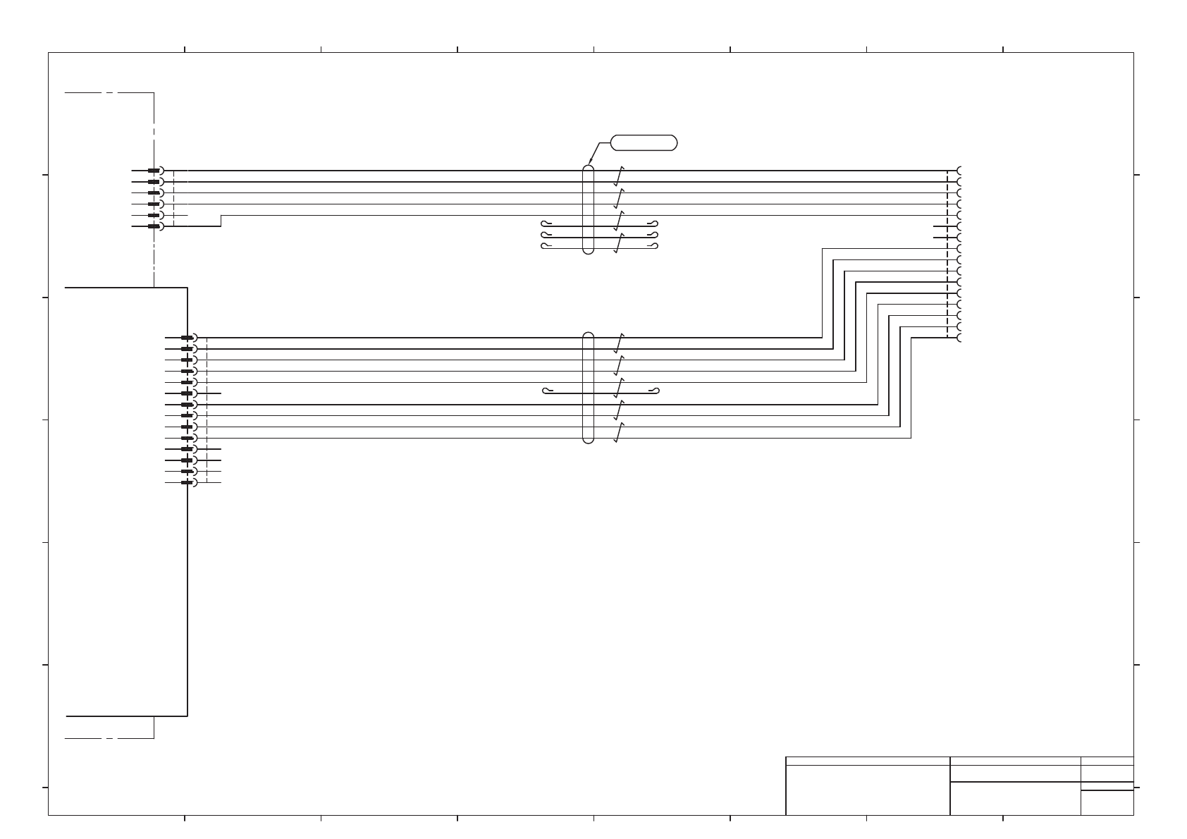
For
Cart Unit (+A41B)
(BF)
Note1) Connector Pin arrangement is not sequential.
CNCBF
1
2
3
4
5
6
7
8
9
10
11
12
13
14
TxD7A+
TxD7A-
RxD7A+
RxD7A-
GND
N.C.
IN702
IN704
T1
Si6
T3
Si7
T1F
T3F
CAF24VP
JST
CBF_K313B
PUDP-14V-S
1
2
3
4
5
6
7
8
9
10
11
12
13
14
MTKC002486AD
BK/WH
BK
RD/WH
RD
GN/WH
GN
JAE
CART.BF
DM1R016PA1
8
14
6
13
5
16
4
3
12
11
15
7
9
10
1
2
Note1)
-K313B
PDG14042A
CN Board : Safety #2
+A11B
Power Unit #2(Bst)
1
2
3
4
5
6
P24
GND
P24
GND
N.C.
FG
CNCAF
CAFK313B
1
1
2
AMP
CAF24VRA11B
177901-1
6
5
4
3
2
1
2464C(BPF)VVP AWG#24×5P-B
BN/WH
BN
YE/WH
YE
GN/WH
GN
BK/WH
BK
RD/WH
RD
YE/WH
YE
2464C(BPF)VVP AWG#20×4P-B
2464-1061/ⅡA(PF)LF 3P×20AWG
2
2464-1061/ⅡA(PF)LF 5P×24AWG
2
2
5557-08R-210
MOLEX
1
177903-1
2
3 2 1
Panasonic Factory Solutions Co.,Ltd. パナソニック ファクトリーソリューションズ株式会社
Name
Drawing No.
Loc. No.
F4K1020-05A
1
2 3 4 5 6 7 8
A
B
C
D
E
F
1 2 3 4 5 6 7 8
A
B
C
D
E
F
Page. No.
Main Body Wiring (NPM-DX)
(Cart I/F : BF)
MTKA001071+052AD
P052

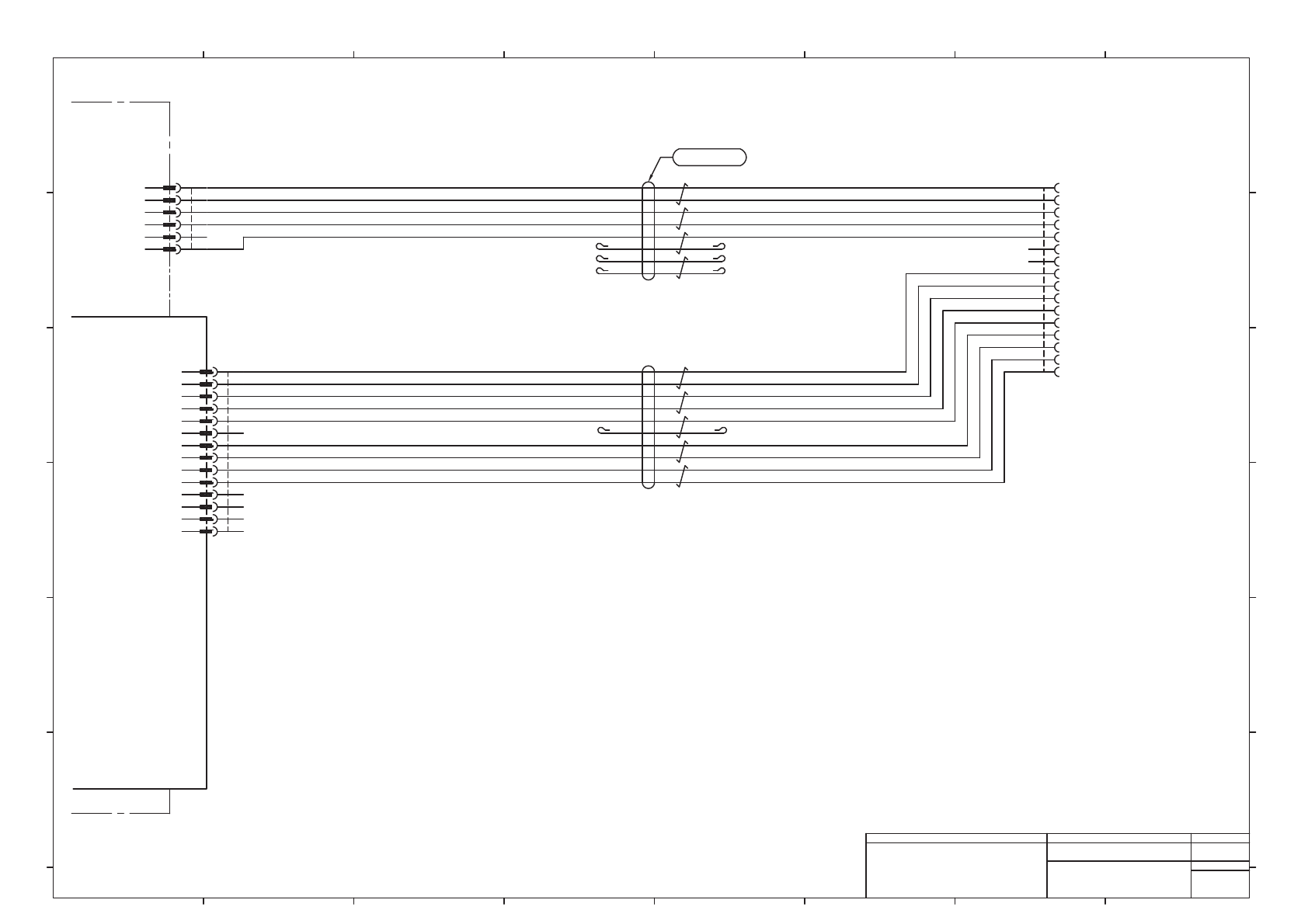
For
Cart Unit (+A42B)
(BR)
Note1) Connector Pin arrangement is not sequential.
CNCBR
1
2
3
4
5
6
7
8
9
10
11
12
13
14
TxD8A+
TxD8A-
RxD8A+
RxD8A-
GND
N.C.
IN703
IN705
T2
Si8
T3
Si9
T2R
T3R
CAR24VP
JST
CBR_K313B
PUDP-14V-S
1
2
3
4
5
6
7
8
9
10
11
12
13
14
MTKC002487AD
BK/WH
BK
RD/WH
RD
GN/WH
GN
JAE
CART.BR
DM1R016PA1
8
14
6
13
5
16
4
3
12
11
15
7
9
10
1
2
Note1)
-K313B
PDG14042A
CN Board : Safety #2
+A11B
Power Unit #2(Bst)
1
2
3
4
5
6
P24
GND
P24
GND
N.C.
FG
CNCAR
CARK313B
1
1
2
AMP
CAR24VRA11B
177901-1
6
5
4
3
2
1
2464C(BPF)VVP AWG#24×5P-B
BN/WH
BN
YE/WH
YE
GN/WH
GN
BK/WH
BK
RD/WH
RD
YE/WH
YE
2464C(BPF)VVP AWG#20×4P-B
2464-1061/ⅡA(PF)LF 3P×20AWG
2
2464-1061/ⅡA(PF)LF 5P×24AWG
2
2
5557-08R-210
MOLEX
1
177903-1
2
3 2 1
Panasonic Factory Solutions Co.,Ltd. パナソニック ファクトリーソリューションズ株式会社
Name
Drawing No.
Loc. No.
F4K1020-05A
1
2 3 4 5 6 7 8
A
B
C
D
E
F
1 2 3 4 5 6 7 8
A
B
C
D
E
F
Page. No.
Main Body Wiring (NPM-DX)
(Cart I/F : BR)
MTKA001071+053AD
P053