N7205A119B - 第114页
CN Board : I/O #4(BR) -K322B CNCLB 24VOUT 24GND 1 B_LKF_IN(IN714) B_CHK_IN(IN715) CHECKB B_LCK_OT(OUT704) CHECKB CNDB 1 2 3 4 24VOUT DBCHK_IN(IN510) NC 24GND JST DB_K322B PAP-04V-S 4 3 2 1 24GND B_LKF_OT(OUT706) CNCRB CH…

CN Board : I/O #3(BF)
-K321B
CNCLB
24VOUT
24GND
1
B_LKF_IN(IN710)
B_CHK_IN(IN711
CHECKB
B_LKF_OT(OUT700)
CHECKB
CNDB
1
2
3
4
24VOUT
DBCHK_IN(IN410)
NC
24GND
JST
DB_K321B
PAP-04V-S
4
3
2
1
24GND
B_LCK_OT(OUT702)
CNCRB
CHECKB
B_CUT_OT(OUT701)
1
2
B_FIX_IN(IN712)
B_CNK_IN(IN713)
-B1710
D-M9N
BN
BK
BU
SMC
Cart lock
Release Confirmation : BF
AMP
B1710R
177899-1
3
2
1
Cart Setting Check : BF
-R4700
VQZ1321-5LOZ1-M5-X574-Q
SMC
Cart Lock : BF
-R4702
VQZ1321-5LOZ1-M5-X574-Q
SMC
Cart Lock Release : BF
SMC
R4700R
SY100-29-1
-
+
SMC
R4702R
SY100-29-1
-
+
-R4701
VQZ1121-5LOZ1-M5-F-X561-Q
SMC
Tape Cutter : BF
SMC
R4701R
SY100-29-1
-
+
Dust Box Detection : BF
JST
B1410R
PAP-04V-S
4
3
2
1
BK/WH
BK
RD/WH
RD
MTKC002498AD
MTKC002501AD
JST
CRB_K321B
PAP-02V-S
2
1
BK
BK/WH
MTKC002500AD
18
JST
CLB_K321B
PUDP-18V-S
1
2
3
4
5
6
7
8
9
10
11
12
13
14
15
16
17
18
24VOUT
24GND
PDG14041
CNBL
1
2
24VOUT
VL_OT(OUT432)
JST
BL_K321B
PAP-02V-S
2
1
BK
BK/WH
MTKC002502AD
SMC
R4432R
SY100-29-1
-
+
Blow Switch Valve : BF
-R4432
VQZ212-5MOZ1-M5-X550
SMC
-S3711
D4N-1122
31 32
13 14
OMRON
31
N0.5-3.7
JST
32
13
14
2
3
4
5
6
7
8
9
10
11
12
13
14
15
16
17
24GND
24GND
24VOUT
24VOUT
24VOUT
AMP
B1214/1710P
177907-1
3
2
1
UL1007 24AWG BU
BK/WH
BK
RD/WH
RD
MTKA001086** : Feeder cart drive unit(Right Side)
JST
FCDRFP
J21DPM-12V-KX
B6
A6
B5
A5
B4
A4
B3
A3
B2
A2
B1
A1
JST
FCDRR
J21DF-12V-KX-L
A1
B1
A2
B2
A3
B3
A4
B4
A5
B5
A6
B6
BN/WH
BN
YE/WH
YE
GN/WH
GN
BK/WH
BK
RD/WH
RD
BK/WH
BK
RD/WH
RD
MTKC002494AC
S3215/3711
BK/WH
BK
RD/WH
RD
2464C(BPF)VVP AWG#24×2P-B
2464C(BPF)VVP AWG#24×2P-B
2464C(BPF)VVP AWG#24×2P-B
2464C(BPF)VVP AWG#24×2P-B
2464C(BPF)VVP AWG#24×1P-B
2464C(BPF)VVP AWG#24×1P-B
2464C(BPF)VVP AWG#24×5P-B
2464-1061/ⅡA(PF)LF 2P×24AWG
2
2464-1061/ⅡA(PF)LF 2P×20AWG
2
2464-1061/ⅡA(PF)LF 2P×24AWG
2
2464-1061/ⅡA(PF)LF 1P×24AWG
2
2464-1061/ⅡA(PF)LF 5P×24AWG
2
2464-1061/ⅡA(PF)LF 2P×24AWG
2
2464-1061/ⅡA(PF)LF 1P×24AWG
2
P24
OUT1
OUT2
GND
1
2
3
4
-B1410
PM-K65
Panasonic
PM-K64
2
VQZ1321-5LOZ1-M5-X562-Q
3
VQZ1321-5LOZ1-M5-X562-Q
3
3 2
3 2
3 2
3 2
4
2
4
MTKA001992**
Panasonic Factory Solutions Co.,Ltd. パナソニック ファクトリーソリューションズ株式会社
Name
Drawing No.
Loc. No.
F4K1020-05A
1
2 3 4 5 6 7 8
A
B
C
D
E
F
1 2 3 4 5 6 7 8
A
B
C
D
E
F
Page. No.
Main Body Wiring (NPM-DX)
(Cart Senser : BF)
MTKA001071+056AE
P056

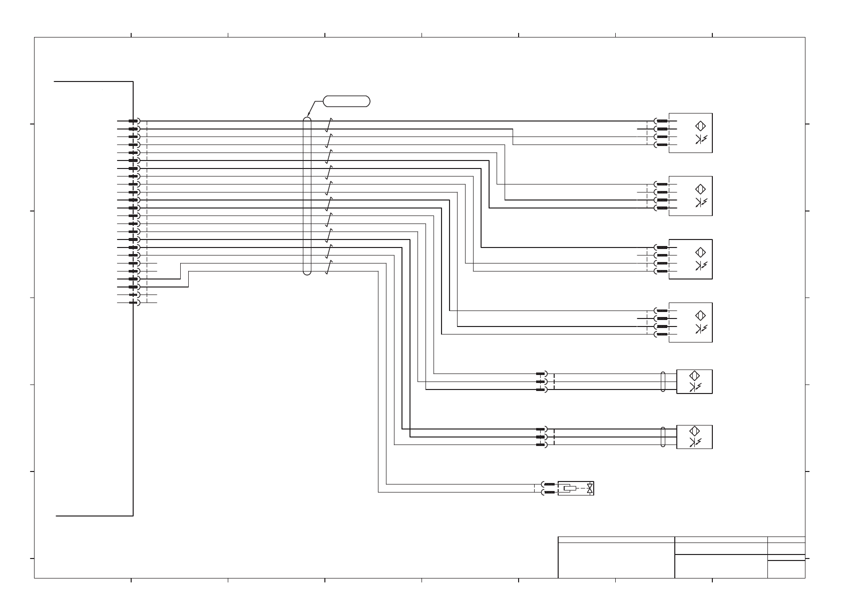
CN Board : I/O #4(BR)
-K322B
CNCLB
24VOUT
24GND
1
B_LKF_IN(IN714)
B_CHK_IN(IN715)
CHECKB
B_LCK_OT(OUT704)
CHECKB
CNDB
1
2
3
4
24VOUT
DBCHK_IN(IN510)
NC
24GND
JST
DB_K322B
PAP-04V-S
4
3
2
1
24GND
B_LKF_OT(OUT706)
CNCRB
CHECKB
B_CUT_OT(OUT705)
1
2
B_FIX_IN(IN716)
B_CNK_IN(IN717)
-B1714
D-M9N
BN
BK
BU
SMC
Cart lock
Release Confirmation : BR
AMP
B1714R
177899-1
3
2
1
Cart Setting Check : BR
-R4704
VQZ1321-5LOZ1-M5-X573-Q
SMC
Cart Lock : BR
-R4706
VQZ1321-5LOZ1-M5-X573-Q
SMC
Cart Lock Release : BR
SMC
R4704R
SY100-29-1
-
+
SMC
R4706R
SY100-29-1
-
+
-R4705
VQZ1121-5LOZ1-M5-F-X561-Q
SMC
Tape Cutter : BR
SMC
R4705R
SY100-29-1
-
+
Dust Box Detection : BR
JST
B1510R
PAP-04V-S
4
3
2
1
P24
OUT1
OUT2
GND
1
2
3
4
-B1510
PM-K65
Panasonic
BK/WH
BK
RD/WH
RD
MTKC002503AD
MTKC002506AD
JST
CRB_K322B
PAP-02V-S
2
1
BK
BK/WH
MTKC002505AD
JST
CLB_K322B
PUDP-18V-S
1
2
3
4
5
6
7
8
9
10
11
12
13
14
15
16
17
18
24VOUT
24GND
18
PDG14041
CNBL
1
2
24VOUT
VL_OT(OUT532)
JST
BL_K322B
PAP-02V-S
2
1
BK
BK/WH
MTKC002507AD
SMC
R4532
SY100-29-1
-
+
Blow Switch Valve : BR
-R4532
VQZ212-5MOZ1-M5-X550
SMC
-S3715
D4N-1122
31 32
13 14
OMRON
31
N0.5-3.7
JST
32
13
14
2
3
4
5
6
7
8
9
10
11
12
13
14
15
16
17
24GND
24VOUT
24GND
24VOUT
24VOUT
AMP
B1210/1714P
177907-1
3
2
1
BN/WH
BN
YE/WH
YE
GN/WH
GN
BK/WH
BK
RD/WH
RD
UL1007 24AWG BU
BK/WH
BK
RD/WH
RD
MTKC002489AC
BK/WH
BK
RD/WH
RD
BK/WH
BK
RD/WH
RD
JST
FCDLRP
J21DPM-12V-KX
B6
A6
B5
A5
B4
A4
B3
A3
B2
A2
B1
A1
JST
FCDLR
J21DF-12V-KX-L
A1
B1
A2
B2
A3
B3
A4
B4
A5
B5
A6
B6
MTKA001087** : Feeder cart drive unit(Left Side)
S3211/3715
2464C(BPF)VVP AWG#24×2P-B
2464C(BPF)VVP AWG#24×2P-B
2464C(BPF)VVP AWG#24×2P-B
2464C(BPF)VVP AWG#24×2P-B
2464C(BPF)VVP AWG#24×1P-B
2464C(BPF)VVP AWG#24×1P-B
2464C(BPF)VVP AWG#24×5P-B
2464-1061/ⅡA(PF)LF 2P×24AWG
2
2464-1061/ⅡA(PF)LF 2P×20AWG
2
2464-1061/ⅡA(PF)LF 2P×24AWG
2
2464-1061/ⅡA(PF)LF 1P×24AWG
2
2464-1061/ⅡA(PF)LF 5P×24AWG
2
2464-1061/ⅡA(PF)LF 2P×24AWG
2
2464-1061/ⅡA(PF)LF 1P×24AWG
2
PM-K64
2
VQZ1321-5LOZ1-M5-X562-Q
3
VQZ1321-5LOZ1-M5-X562-Q
3
3 2
3 2
3 2
3 2
4
2
4
MTKA001086**
Panasonic Factory Solutions Co.,Ltd. パナソニック ファクトリーソリューションズ株式会社
Name
Drawing No.
Loc. No.
F4K1020-05A
1
2 3 4 5 6 7 8
A
B
C
D
E
F
1 2 3 4 5 6 7 8
A
B
C
D
E
F
Page. No.
Main Body Wiring (NPM-DX)
(Cart Senser : BR)
MTKA001071+057AE
P057

CN Board : I/O #1(AF)
-K321A
PDG14041
Plate Identification Bit0 : AF
Plate Identification Bit1 : AF
Plate Identification Bit3 : AF
Note1) Connector Pin arrangement is not sequential.
JST
CG_K321A
PUDP-24V-S
1
2
3
4
5
6
7
8
9
10
11
12
Nozzle Changer
Shutter Open Detection : AF
-B01A
D-M9NV
BN
BK
BU
SMC
AMP
B01/11R
177899-1
3
2
1
AMP
B01AP
177907-1
3
2
1
-R4093
VQZ115-5MZ1-M5-PR-X550
SMC
Nozzle Changer
Shutter Open : AF
SMC
R4093R
SY100-29-1
-
+
13
14
15
16
17
18
19
20
21
22
Nozzle Changer
Shutter Close Detection : AF
-B02A
D-M9NV
BN
BK
BU
SMC
AMP
B02/12R
177899-1
3
2
1
AMP
B02AP
177907-1
3
2
1
LG/WH
LG
VT/WH
VT
OG/WH
OG
GY/WH
GY
BU/WH
BU
BN/WH
BN
YE/WH
YE
GN/WH
GN
BK/WH
BK
RD/WH
RD
MTKC002508AE
CNCG
1
2
3
4
5
6
7
8
9
10
11
12
24VOUT
24GND
24VOUT
24GND
24VOUT
24GND
PLATE#2
PLATE#3
PLATE#0
PLATE#1
13
14
15
16
17
18
19
20
21
22
24VOUT
24GND
NG-CL-IN
NG-OP-IN
24VOUT
NG-CL-OUT
24VOUT
NG-OP-OUT
24VOUT
24GND
23
24
23
24
N.C.
N.C.
24VOUT
24GND
2464C(BPF)VVP AWG#24×10P-B
3
2
2
2464-1061/ⅡA(PF)LF 10P×24AWG
2
VQZ212-5MOZ1-M5-X550
2
PM-K65
3
Panasonic
P24
OUT1
OUT2
GND
1
2
3
4
-B06A
PM-Y65
Panasonic
JST
B06AR
PAP-04V-S
4
3
2
1
AMP
177908-1
2
Plate Identification Bit2 : AF
P24
OUT1
OUT2
GND
1
2
3
4
-B05A
PM-Y65
Panasonic
JST
B05AR
PAP-04V-S
4
3
2
1
P24
OUT1
OUT2
GND
1
2
3
4
-B04A
PM-Y65
Panasonic
JST
B04AR
PAP-04V-S
4
3
2
1
P24
OUT1
OUT2
GND
1
2
3
4
-B03A
PM-Y65
Panasonic
JST
B03AR
PAP-04V-S
4
3
2
1
B06AP
AMP
177908-1
2
B05AP
AMP
177908-1
2
B04AP
AMP
177908-1
2
B03AP
EE-SX914-C2J-R 0.3M
2
OMRON
PM-K65
3
Panasonic
EE-SX914-C2J-R 0.3M
2
OMRON
PM-K65
3
Panasonic
EE-SX914-C2J-R 0.3M
2
OMRON
PM-K65
3
Panasonic
EE-SX914-C2J-R 0.3M
2
OMRON
4
3
Panasonic Factory Solutions Co.,Ltd. パナソニック ファクトリーソリューションズ株式会社
Name
Drawing No.
Loc. No.
F4K1020-05A
1
2 3 4 5 6 7 8
A
B
C
D
E
F
1 2 3 4 5 6 7 8
A
B
C
D
E
F
Page. No.
Main Body Wiring (NPM-DX)
(Nozzle Changer : AF)
MTKA001071+058AE
P058