N7205A119B - 第120页
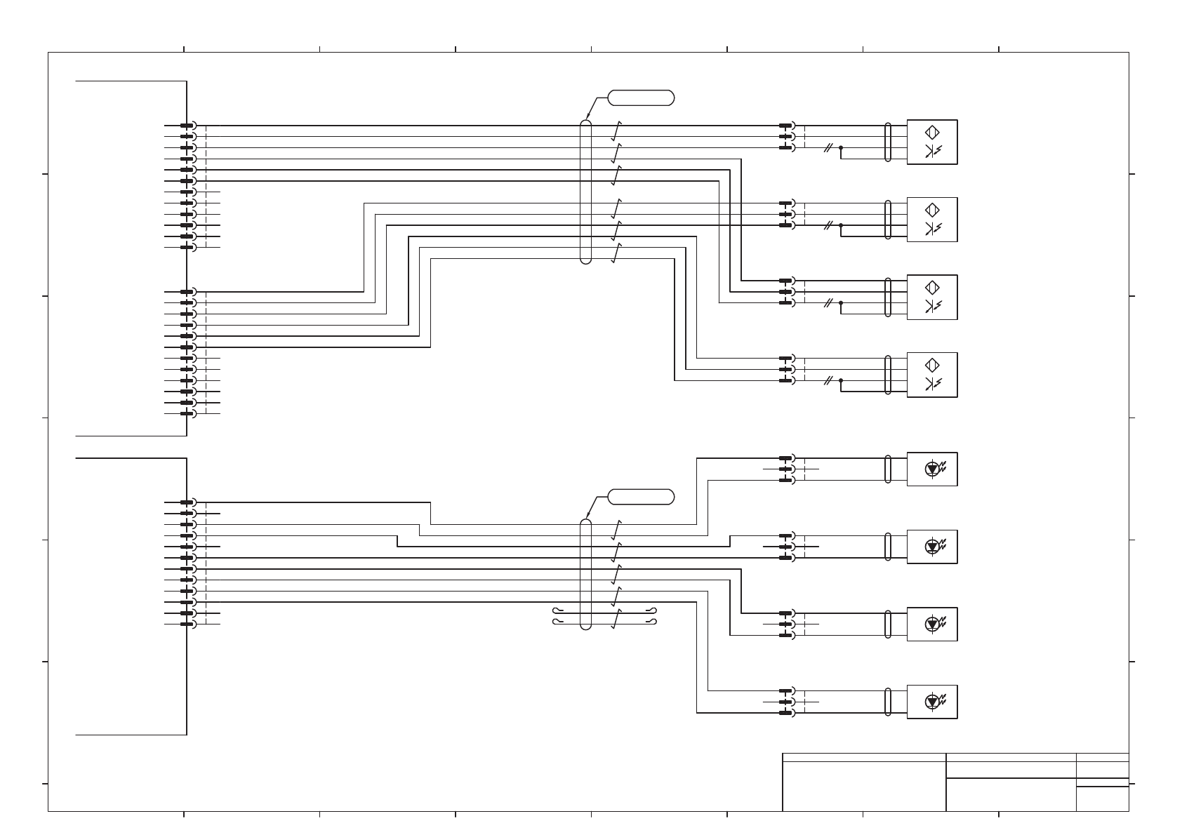
Feeder Opening 1 : AR (Receive Side) AMP B1237R 177899-1 3 2 1 AMP B1237P 177907-1 3 2 1 -B1240T EX-L212 BN BU Panasonic Feeder Opening 2 : AR (Projection Side) AMP B1240TR 177899-1 3 2 1 AMP B1240TP 177907-1 3 2 1 Feede…

-K321A
PDG14041
CN Board : I/O #1(AF)
CNFA1
BN/WH
BN
YE/WH
YE
GN/WH
GN
BK/WH
BK
RD/WH
RD
MTKC002590AC
Feeder Opening 1 : AF
(Receive Side)
AMP
B1231R
177899-1
3
2
1
AMP
B1231P
177907-1
3
2
1
-B1232T
EX-L212
BN
BU
Panasonic
Feeder Opening 2 : AF
(Projection Side)
AMP
B1232TR
177899-1
3
2
1
AMP
B1232TP
177907-1
3
2
1
Feeder Opening 3 : AF
(Receive Side)
AMP
B1233R
177899-1
3
2
1
AMP
B1233P
177907-1
3
2
1
Feeder Opening 4 : AF
(Projection Side)
-B1234T
EX-L212
BN
BU
Panasonic
AMP
B1234TR
177899-1
3
2
1
AMP
B1234TP
177907-1
3
2
1
CNFB1
YE/WH
YE
GN/WH
GN
BK/WH
BK
RD/WH
RD
MTKC002591AC
-B1231T
EX-L212
BN
BU
Panasonic
Feeder Opening 1 : AF
(Projection Side)
AMP
B1231TR
177899-1
3
2
1
AMP
B1231TP
177907-1
3
2
1
Feeder Opening 2 : AF
(Receive Side)
AMP
B1232R
177899-1
3
2
1
AMP
B1232P
177907-1
3
2
1
Feeder Opening 3 : AF
(Projection Side)
-B1233T
EX-L212
BN
BU
Panasonic
AMP
B1233TR
177899-1
3
2
1
AMP
B1233TP
177907-1
3
2
1
Feeder Opening 4 : AF
(Receive Side)
AMP
B1234R
177899-1
3
2
1
AMP
B1234P
177907-1
3
2
1
24VOUT
A_OPS1(IN231)
24GND
24VOUT
A_OPS3(IN233)
24GND
24VOUT
24GND
24VOUT
24GND
24VOUT
24GND
JST
FA1_K321A
PUDP-12V-S
1
2
3
4
5
6
7
8
9
10
11
12
24VOUT
B_OPS1(IN331)
24GND
24VOUT
B_OPS3(IN333)
24GND
24VOUT
24GND
24VOUT
24GND
24VOUT
24GND
JST
FB1_K322A
PUDP-12V-S
1
2
3
4
5
6
7
8
9
10
11
12
1
2
3
4
5
6
7
8
9
10
11
12
3
4
5
6
7
8
9
10
11
12
1
2
BU/WH
BU
2464C(BPF)VVP AWG#24×6P-B
CNFA2
24VOUT
A_OPS2(IN232)
24GND
24VOUT
A_OPS4(IN234)
24GND
24VOUT
24GND
24VOUT
24GND
24VOUT
24GND
JST
FA2_K321A
PUDP-12V-S
1
2
3
4
5
6
7
8
9
10
11
12
1
2
3
4
5
6
7
8
9
10
11
12
-K322A
PDG14041
CN Board : I/O #2(AR)
1
-B1231
EX-L212
BN
BK
BU
PK
Panasonic
-B1232
EX-L212
BN
BK
BU
PK
Panasonic
-B1233
EX-L212
BN
BK
BU
PK
Panasonic
-B1234
EX-L212
BN
BK
BU
PK
Panasonic
2
BN/WH
BN
2464C(BPF)VVP AWG#24×5P-B
2
2
2
2
2
2
2
2464-1061/ⅡA(PF)LF 6P×24AWG
2
2464-1061/ⅡA(PF)LF 4P×24AWG
2
3
3
2
2
Panasonic Factory Solutions Co.,Ltd. パナソニック ファクトリーソリューションズ株式会社
Name
Drawing No.
Loc. No.
F4K1020-05A
1
2 3 4 5 6 7 8
A
B
C
D
E
F
1 2 3 4 5 6 7 8
A
B
C
D
E
F
Page. No.
Main Body Wiring (NPM-DX)
(Feeder Opening Sensor : AF)
MTKA001071+062AD
P062

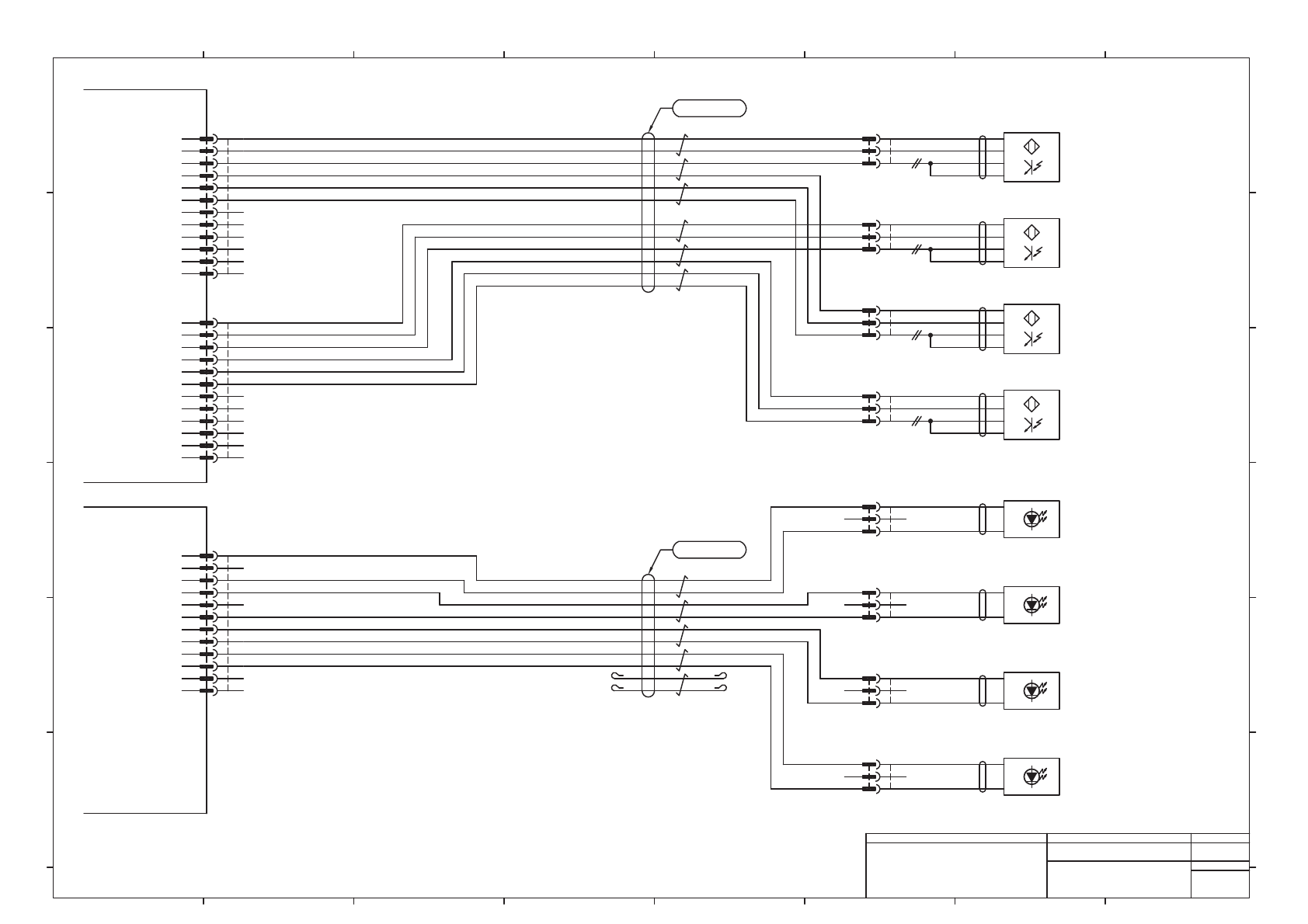
Feeder Opening 1 : AR
(Receive Side)
AMP
B1237R
177899-1
3
2
1
AMP
B1237P
177907-1
3
2
1
-B1240T
EX-L212
BN
BU
Panasonic
Feeder Opening 2 : AR
(Projection Side)
AMP
B1240TR
177899-1
3
2
1
AMP
B1240TP
177907-1
3
2
1
Feeder Opening 3 : AR
(Receive Side)
AMP
B1241R
177899-1
3
2
1
AMP
B1241P
177907-1
3
2
1
Feeder Opening 4 : AR
(Projection Side)
-B1242T
EX-L212
BN
BU
Panasonic
AMP
B1242TR
177899-1
3
2
1
AMP
B1242TP
177907-1
3
2
1
-B1237T
EX-L212
BN
BU
Panasonic
Feeder Opening 1 : AR
(Projection Side)
AMP
B1237TR
177899-1
3
2
1
AMP
B1237TP
177907-1
3
2
1
Feeder Opening 2 : AR
(Receive Side)
AMP
B1240R
177899-1
3
2
1
AMP
B1240P
177907-1
3
2
1
Feeder Opening 3 : AR
(Projection Side)
-B1241T
EX-L212
BN
BU
Panasonic
AMP
B1241TR
177899-1
3
2
1
AMP
B1241TP
177907-1
3
2
1
Feeder Opening 4 : AR
(Receive Side)
AMP
B1242R
177899-1
3
2
1
AMP
B1242P
177907-1
3
2
1
-K322A
PDG14041
CN Board : I/O #2(AR)
CNFA1
BN/WH
BN
YE/WH
YE
GN/WH
GN
BK/WH
BK
RD/WH
RD
MTKC002592AC
CNFB1
YE/WH
YE
GN/WH
GN
BK/WH
BK
RD/WH
RD
MTKC002593AB
24VOUT
A_OPS1(IN237)
24GND
24VOUT
A_OPS3(IN241)
24GND
24VOUT
24GND
24VOUT
24GND
24VOUT
24GND
JST
FA1_K322A
PUDP-12V-S
1
2
3
4
5
6
7
8
9
10
11
12
24VOUT
B_OPS1(IN337)
24GND
24VOUT
B_OPS3(IN341)
24GND
24VOUT
24GND
24VOUT
24GND
24VOUT
24GND
JST
FB1_K321A
PUDP-12V-S
1
2
3
4
5
6
7
8
9
10
11
12
1
2
3
4
5
6
7
8
9
10
11
12
3
4
5
6
7
8
9
10
11
12
1
2
BU/WH
BU
CNFA2
24VOUT
A_OPS2(IN240)
24GND
24VOUT
A_OPS4(IN242)
24GND
24VOUT
24GND
24VOUT
24GND
24VOUT
24GND
JST
FA2_K322A
PUDP-12V-S
1
2
3
4
5
6
7
8
9
10
11
12
1
2
3
4
5
6
7
8
9
10
11
12
-K321A
PDG14041
CN Board : I/O #1(AF)
1
-B1237
EX-L212
BN
BK
BU
PK
Panasonic
-B1240
EX-L212
BN
BK
BU
PK
Panasonic
-B1241
EX-L212
BN
BK
BU
PK
Panasonic
-B1242
EX-L212
BN
BK
BU
PK
Panasonic
BN/WH
BN
2
2
2
2
2
2
2
2
2464C(BPF)VVP AWG#24×5P-B
2464-1061/ⅡA(PF)LF 4P×24AWG
2
2464C(BPF)VVP AWG#24×6P-B
2464-1061/ⅡA(PF)LF 6P×24AWG
2
2
3 2
Panasonic Factory Solutions Co.,Ltd. パナソニック ファクトリーソリューションズ株式会社
Name
Drawing No.
Loc. No.
F4K1020-05A
1
2 3 4 5 6 7 8
A
B
C
D
E
F
1 2 3 4 5 6 7 8
A
B
C
D
E
F
Page. No.
Main Body Wiring (NPM-DX)
(Feeder Opening Sensor : AR)
MTKA001071+063AD
P063

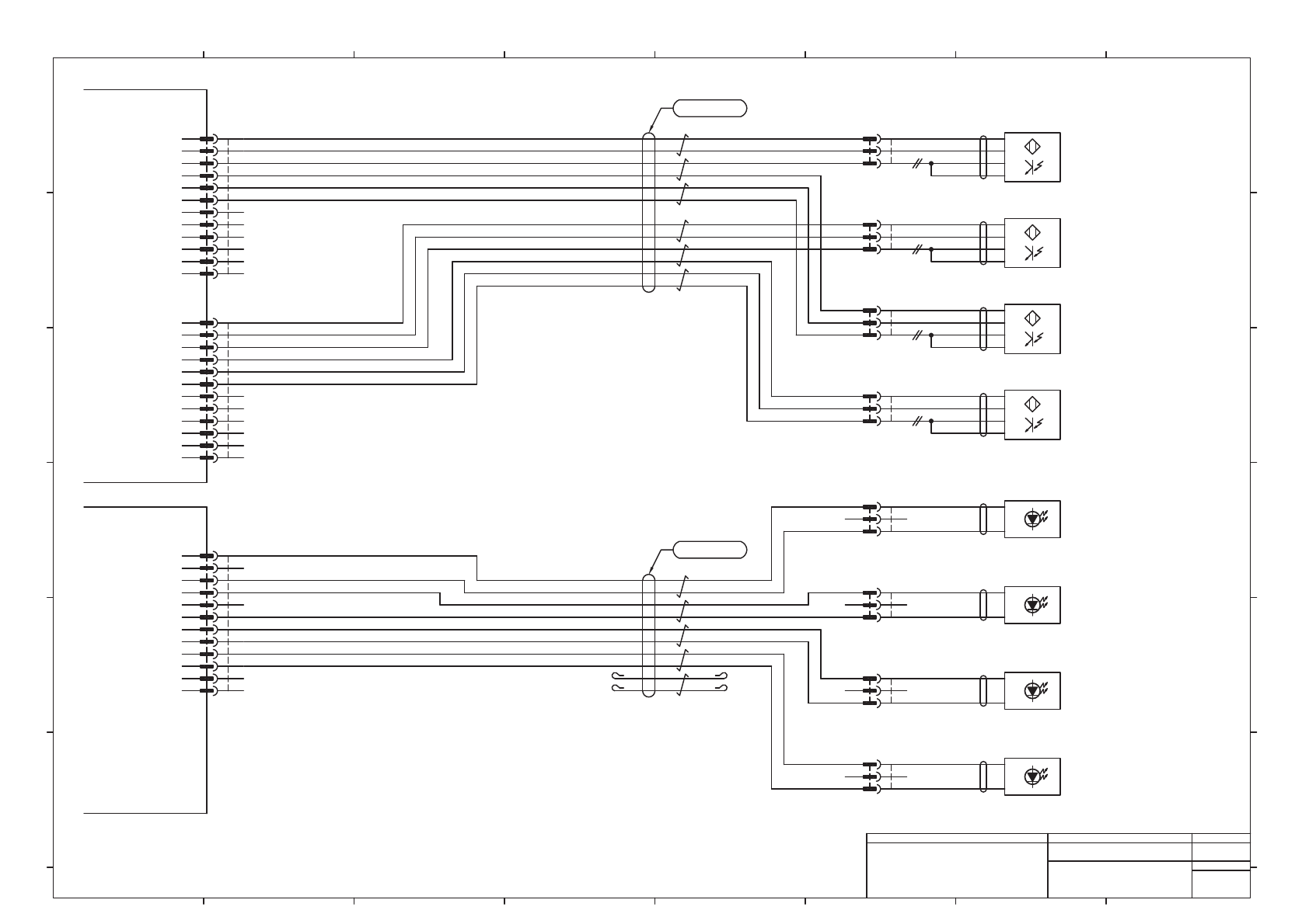
Feeder Opening 1 : BF
(Receive Side)
AMP
B1731R
177899-1
3
2
1
AMP
B1731P
177907-1
3
2
1
-B1732T
EX-L212
BN
BU
Panasonic
Feeder Opening 2 : BF
(Projection Side)
AMP
B1732TR
177899-1
3
2
1
AMP
B1732TP
177907-1
3
2
1
Feeder Opening 3 : BF
(Receive Side)
AMP
B1733R
177899-1
3
2
1
AMP
B1733P
177907-1
3
2
1
Feeder Opening 4 : BF
(Projection Side)
-B1734T
EX-L212
BN
BU
Panasonic
AMP
B1734TR
177899-1
3
2
1
AMP
B1734TP
177907-1
3
2
1
-B1731T
EX-L212
BN
BU
Panasonic
Feeder Opening 1 : BF
(Projection Side)
AMP
B1731TR
177899-1
3
2
1
AMP
B1731TP
177907-1
3
2
1
Feeder Opening 2 : BF
(Receive Side)
AMP
B1732R
177899-1
3
2
1
AMP
B1732P
177907-1
3
2
1
Feeder Opening 3 : BF
(Projection Side)
-B1733T
EX-L212
BN
BU
Panasonic
AMP
B1733TR
177899-1
3
2
1
AMP
B1733TP
177907-1
3
2
1
Feeder Opening 4 : BF
(Receive Side)
AMP
B1734R
177899-1
3
2
1
AMP
B1734P
177907-1
3
2
1
-K321B
PDG14041
CN Board : I/O #3(BF)
CNFB1
BN/WH
BN
YE/WH
YE
GN/WH
GN
BK/WH
BK
RD/WH
RD
MTKC002594AC
CNFA1
YE/WH
YE
GN/WH
GN
BK/WH
BK
RD/WH
RD
MTKC002595AC
24VOUT
B_OPS1(IN731)
24GND
24VOUT
B_OPS3(IN733)
24GND
24VOUT
24GND
24VOUT
24GND
24VOUT
24GND
JST
FB1_K321B
PUDP-12V-S
1
2
3
4
5
6
7
8
9
10
11
12
24VOUT
A_OPS1(IN631)
24GND
24VOUT
A_OPS3(IN633)
24GND
24VOUT
24GND
24VOUT
24GND
24VOUT
24GND
JST
FA1_K322B
PUDP-12V-S
1
2
3
4
5
6
7
8
9
10
11
12
1
2
3
4
5
6
7
8
9
10
11
12
3
4
5
6
7
8
9
10
11
12
1
2
BU/WH
BU
CNFB2
24VOUT
B_OPS2(IN732)
24GND
24VOUT
B_OPS4(IN734)
24GND
24VOUT
24GND
24VOUT
24GND
24VOUT
24GND
JST
FB2_K321B
PUDP-12V-S
1
2
3
4
5
6
7
8
9
10
11
12
1
2
3
4
5
6
7
8
9
10
11
12
-K322B
PDG14041
CN Board : I/O #4(BR)
1
-B1731
EX-L212
BN
BK
BU
PK
Panasonic
-B1732
EX-L212
BN
BK
BU
PK
Panasonic
-B1733
EX-L212
BN
BK
BU
PK
Panasonic
-B1734
EX-L212
BN
BK
BU
PK
Panasonic
BN/WH
BN
2
2
2
2
2
2
2
2
2464C(BPF)VVP AWG#24×5P-B
2464-1061/ⅡA(PF)LF 4P×24AWG
2
2464C(BPF)VVP AWG#24×6P-B
2464-1061/ⅡA(PF)LF 6P×24AWG
2
3
3
2
2
Panasonic Factory Solutions Co.,Ltd. パナソニック ファクトリーソリューションズ株式会社
Name
Drawing No.
Loc. No.
F4K1020-05A
1
2 3 4 5 6 7 8
A
B
C
D
E
F
1 2 3 4 5 6 7 8
A
B
C
D
E
F
Page. No.
Main Body Wiring (NPM-DX)
(Feeder Opening Sensor : BF)
MTKA001071+064AD
P064