N7205A119B - 第152页
L1 Width Adjustment Axis Motor : Ast 1 2 3 4 5 6 7 8 9 10 11 12 13 14 15 16 17 18 -M619A P24(M) GND(M) P24(C) GND(C) ORG +LS -LS EMG DATA+ DATA- CW/CCW BUSY NC NC NC NC NC OUTPUT COM L1 Width Adjustment Axis Single Mode …

L1 Right Transfer Motor : Ast
CNM7
+V24(M)
GND(M)
+24(C)
1
2
3
GND(C)
START/STOP(OUT025)
SPD_H/L(OUT026)
4
5
6
-K323A
REVERSE(OUT027)
EMG1C(OUT217)
+V24(C)
GND(C)
7
8
9
10
11
12
13
14
CNM8
+V24(M)
GND(M)
+24(C)
1
2
3
GND(C)
4
5
6
EMG1C(OUT217)
+V24(C)
7
8
9
10
11
12
13
14
1
2
3
4
5
6
7
8
9
10
11
12
13
14
15
16
17
18
-M616A
P24(M)
GND(M)
P24(C)
GND(C)
Start/Stop
SPD_H/L
Reverse
EMG
DATA+
DATA-
CW/CCW
BUSY
OUT1
OUTPUT COM
NC
NC
NC
NC
MTKC000521AC
MTKC000523AC
JST
M7_K323
PHDR-18VS
1
2
3
4
5
6
7
8
9
10
11
12
13
14
15
16
17
18
EMG2C(OUT317)
NC
NC
NC
15
16
17
18
NC
NC
15
16
17
18
EMG2C(OUT317)
JST
M8_K323
PHDR-18VS
1
2
3
4
5
6
7
8
9
10
11
12
13
14
15
16
17
18
(Fixed Side)
PDG14040A
START/STOP(OUT025)
SPD_H/L(OUT026)
REVERSE(OUT027)
L1 Right Transfer Motor : Ast
1
2
3
4
5
6
7
8
9
10
11
12
13
14
15
16
17
18
-M617A
P24(M)
GND(M)
P24(C)
GND(C)
Start/Stop
SPD_H/L
Reverse
EMG
DATA+
DATA-
CW/CCW
BUSY
OUT1
OUTPUT COM
NC
NC
NC
NC
(Moving Side)
JST
M617R
PHDR-18VS
18
17
16
15
13
12
11
10
9
8
7
6
5
4
14
3
2
1
JST
M616R
PHDR-18VS
18
17
16
15
13
12
11
10
9
8
7
6
5
4
14
3
2
1
D+MAIN
D-MAIN
D+SUB
D-SUB
D+MAIN
D-MAIN
D+SUB
D-SUB
CN Board : Transfer #1(AR)
1
1
BN/WH
BN
YE/WH
YE
GN/WH
GN
BK/WH
BK
RD/WH
RD
2464-1061/ⅡA(PF)LF 6P×24AWG
1
2464C(BPF)VVP AWG#24×5P-B
1
T/2464-3599 BK LF 6P×24AWG
VT
PK
LB
BN
GY
BK
GN
OG
BU
RD
WH
YE
1
1
NC
GND(C)
1
1
NC
GND(C)
M7K323
1
M8K323
1
1
2
2
Panasonic Factory Solutions Co.,Ltd. パナソニック ファクトリーソリューションズ株式会社
Name
Drawing No.
Loc. No.
F4K1020-05A
1
2 3 4 5 6 7 8
A
B
C
D
E
F
1 2 3 4 5 6 7 8
A
B
C
D
E
F
Page. No.
Conveyor Unit (NPM-DX)
Conveyor Motor 3:L1(Ast)
MTKA001084+006AC
P006

L1 Width Adjustment Axis Motor : Ast
1
2
3
4
5
6
7
8
9
10
11
12
13
14
15
16
17
18
-M619A
P24(M)
GND(M)
P24(C)
GND(C)
ORG
+LS
-LS
EMG
DATA+
DATA-
CW/CCW
BUSY
NC
NC
NC
NC
NC
OUTPUT COM
L1 Width Adjustment Axis
Single Mode Detection : Ast
L1 Width Adjustment Axis
Dual Mode ORG Detection : Ast
L1 Width Adjustment Axis
Single Mode ORG Detection : Ast
(Dual Modle +OVR Detection)
CNM9
+V24(M)
GND(M)
+24(C)
1
2
3
GND(C)
ORG
+LS
4
5
6
-K323A
-LS
EMG1W(OUT216)
+V24(C)
7
8
9
10
11
12
13
14
CNB4
+V24(C)
-LS
1
2
3
GND(C)
+V24(C)
4
5
6
ORG
GND(C)
7
8
CNB5
+V24(C)
+LS
1
2
3
GND(C)
+V24(C)
4
5
6
ORG
GND(C)
7
8
BN/WH
BN
YE/WH
YE
GN/WH
GN
BK/WH
BK
RD/WH
RD
JST
B4_K323/4
PAP-08V-S
8
7
6
5
4
3
2
1
JST
B5_K323
PAP-08V-S
8
7
6
5
4
3
2
1
L1 Support Pin Detection (Receiver) : Ast
-B121TA
-B121RA
BU
BK
BN
BU
BN
FGCVF2
R1.25-4
JST
FGCVM2
R1.25-4
JST
L1 Support Pin Detection (Projector) : Ast
AMP
B121/5P
177908-1
4
3
2
1
AMP
B121R
177900-1
4
3
2
1
BK
GN
WH
RD
T/2464-3599 BK LF 4×24AWG
BK/WH
BK
RD/WH
RD
2464C(BPF)VVP AWG#24×2P-B
2464C(BPF)VVP AWG#24×3P-B
GN/WH
GN
BK/WH
BK
RD/WH
RD
JST
B122/6R
PAP-04V-S
4
3
2
1
JST
B123R
PAP-04V-S
4
3
2
1
P24
OUT1
OUT2
GND
1
2
3
4
-B124A
P24
OUT1
OUT2
GND
1
2
3
4
-B123A
P24
OUT1
OUT2
GND
1
2
3
4
-B122A
MTKC000526AB
MTKC000527AB
EMG2W(OUT316)
JST
M9_K323A
PHDR-18VS
1
2
3
4
5
6
7
8
9
10
11
12
13
14
15
16
17
18
NC
NC
15
16
17
18
NC
NC
NC
NC
PDG14040A
JST
M619AR
PHDR-18VS
18
17
16
15
13
12
11
10
9
8
7
6
5
4
14
3
2
1
MTKC000524**
JST
B124R
PAP-04V-S
4
3
2
1
Main Body Wiring
D+MAIN
D-MAIN
D+SUB
D-SUB
CN Board : Transfer #1(AR)
1
2464-1061/ⅡA(PF)LF 6P×24AWG
1
2464-1061/ⅡA(PF)LF 2P×24AWG
1
2464-1061/ⅡA(PF)LF 3P×24AWG
1
1
1
EGCVF
1
EGCVM
1
NC
GND(C)
1
NC
GND(C)
2464C(BPF)VVP AWG#24×5P-B
1
M9K323A
1
B4K323/4
1
B5K323
1
1
Panasonic Factory Solutions Co.,Ltd. パナソニック ファクトリーソリューションズ株式会社
Name
Drawing No.
Loc. No.
F4K1020-05A
1
2 3 4 5 6 7 8
A
B
C
D
E
F
1 2 3 4 5 6 7 8
A
B
C
D
E
F
Page. No.
Conveyor Unit (NPM-DX)
Width Adjustment Axis:L1(Ast)
MTKA001084+007AB
P007

+V24(C)
IN020
OUT010
GND(C)
+V24(C)
IN021
OUT010
GND(C)
+V24(C)
IN022
OUT012
GND(C)
+V24(C)
IN023
OUT012
GND(C)
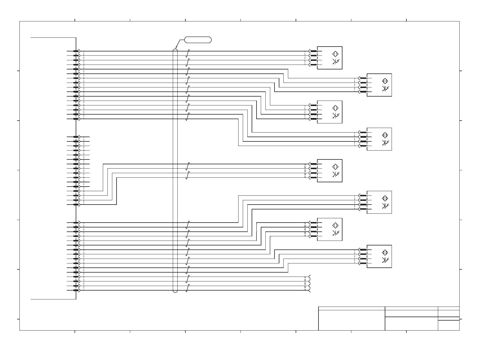
L1 Left Side PCB Detection 1 : Ast
P24
OUT
IN
GND
1
2
3
4
-B1021
L1 Left Side PCB Detection 2 : Ast
1
2
3
4
5
6
7
8
9
10
11
12
13
14
15
16
CNB1
-K323A
JST
B1_K323/4
PAP-16V-S
1
2
3
4
5
6
7
8
9
10
11
12
13
14
15
16
P24
OUT
IN
GND
1
2
3
4
-B1020
MTKC000528AB
PDG14040A
OG/WH
OG
GY/WH
GY
BU/WH
BU
BN/WH
BN
YE/WH
YE
GN/WH
GN
BK/WH
BK
RD/WH
RD
L1 Mount Position PCB Detection 1 : Ast
P24
OUT
IN
GND
1
2
3
4
-B1023
L1 Mount Position PCB Detection 2 : Ast
P24
OUT
IN
GND
1
2
3
4
-B1022
JST
B1*20R
PAP-04V-S
4
3
2
1
JST
B1*21R
PAP-04V-S
4
3
2
1
JST
B1*22R
PAP-04V-S
4
3
2
1
JST
B1*23R
PAP-04V-S
4
3
2
1
CN Board : Transfer #1(AR)
+V24(C)
IN024
OUT011
GND(C)
+V24(C)
IN025
OUT011
GND(C)
+V24(C)
IN026
OUT011
GND(C)
+V24(C)
IN027
OUT012
GND(C)
P24
OUT
IN
GND
1
2
3
4
-B1027
JST
B1*27R
PAP-04V-S
4
3
2
1
1
2
3
4
5
6
7
8
9
10
11
12
13
14
15
16
CNB2
JST
B2_K323/4
PAP-16V-S
1
2
3
4
5
6
7
8
9
10
11
12
13
14
15
16
L1 Mount Position PCB Detection 3 : Ast
+V24(C)
IN030
OUT012
GND(C)
+V24(C)
IN031
OUT012
GND(C)
+V24(C)
IN032
OUT013
GND(C)
+V24(C)
IN033
OUT013
GND(C)
P24
OUT
IN
GND
1
2
3
4
-B1031
P24
OUT
IN
GND
1
2
3
4
-B1032
JST
B1*31R
PAP-04V-S
4
3
2
1
JST
B1*32R
PAP-04V-S
4
3
2
1
No Use
JST
B1*33R
PAP-04V-S
4
3
2
1
1
2
3
4
5
6
7
8
9
10
11
12
13
14
15
16
CNB3
JST
B3_K323/4
PAP-16V-S
1
2
3
4
5
6
7
8
9
10
11
12
13
14
15
16
P24
OUT
IN
GND
1
2
3
4
-B1030
JST
B1*30R
PAP-04V-S
4
3
2
1
L1 Mount Position PCB Detection 4 : Ast
L1 Mount Position PCB Detection 5 : Ast
L1 Right Side PCB Detection 1 : Ast
2464C(BPF)VVP AWG#24×18P-B
LG/WH
LG
VT/WH
VT
LB/WH
LB
PK/WH
PK
GY/RD
GY/BK
BU/RD
BU/BK
BN/RD
BN/BK
YE/RD
YE/BK
GN/RD
GN/BK
WH/BK
WH
1
1
1
Panasonic Factory Solutions Co.,Ltd. パナソニック ファクトリーソリューションズ株式会社
Name
Drawing No.
Loc. No.
F4K1020-05A
1
2 3 4 5 6 7 8
A
B
C
D
E
F
1 2 3 4 5 6 7 8
A
B
C
D
E
F
Page. No.
Conveyor Unit (NPM-DX)
Position Sensor :L1(Ast)
MTKA001084+008AB
P008