N7205A119B - 第158页
+V24(C) IN120 OUT110 GND(C) +V24(C) IN121 OUT110 GND(C) +V24(C) IN122 OUT112 GND(C) +V24(C) IN123 OUT112 GND(C) L2 Left Side PCB Detection 1 : Ast P24 OUT IN GND 1 2 3 4 -B1121 L2 Left Side PCB Detection 2 : Ast 1 2 3 4 …

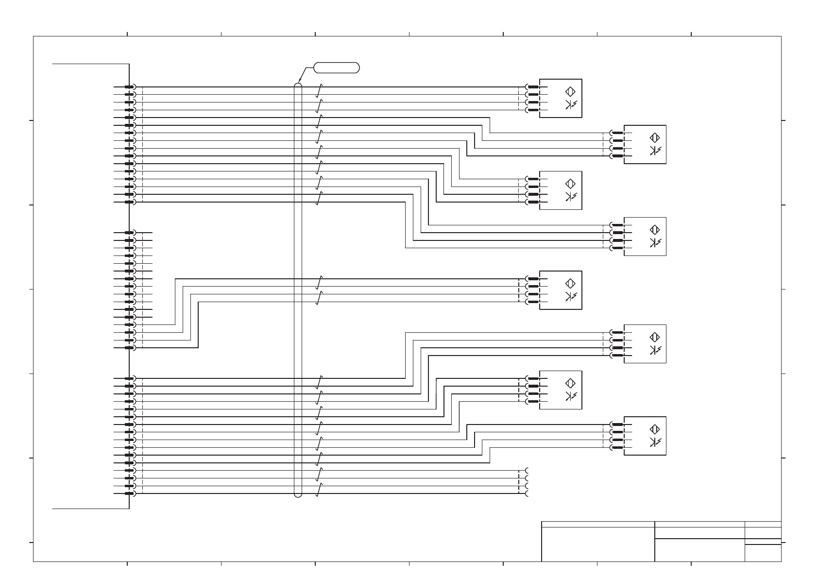
L2 Width Adjustment Axis
Dual Mode ORG Detection : Ast
CNM9
+V24(M)
GND(M)
+24(C)
1
2
3
GND(C)
ORG
+LS
4
5
6
-K324A
-LS
EMG1W(OUT216)
+V24(C)
7
8
9
10
11
12
13
14
CNB4
+V24(C)
-LS
1
2
3
GND(C)
+V24(C)
4
5
6
ORG
GND(C)
7
8
JST
B4_K323/4
PAP-08V-S
8
7
6
5
4
3
2
1
L2 Support Pin Detection (Receiver) : Ast
-B125TA
-B125RA
BU
BK
BN
BU
BN
L2 Support Pin Detection (Projector) : Ast
AMP
B121/5P
177908-1
4
3
2
1
AMP
B125R
177900-1
4
3
2
1
BK
GN
WH
RD
T/2464-3599 BK LF 4×24AWG
BK/WH
BK
RD/WH
RD
2464C(BPF)VVP AWG#24×2P-B
JST
B122/6R
PAP-04V-S
4
3
2
1
P24
OUT1
OUT2
GND
1
2
3
4
-B126A
MTKC000526AB
EMG2W(OUT316)
JST
M9_K324A
PHDR-18VS
1
2
3
4
5
6
7
8
9
10
11
12
13
14
15
16
17
18
NC
NC
15
16
17
18
NC
NC
PDG14040A
CNB5
+V24(C)
+LS
1
2
3
GND(C)
+V24(C)
4
5
6
ORG
GND(C)
7
8
NC
NC
L2 Width Adjustment Axis Motor : Ast
1
2
3
4
5
6
7
8
9
10
11
12
13
14
15
16
17
18
-M629A
P24(M)
GND(M)
P24(C)
GND(C)
ORG
+LS
-LS
EMG
DATA+
DATA-
CW/CCW
BUSY
NC
NC
NC
NC
NC
OUTPUT COM
JST
M629AR
PHDR-18VS
18
17
16
15
13
12
11
10
9
8
7
6
5
4
14
3
2
1
JST
B5_K324
PAP-08V-S
8
7
6
5
4
3
2
1
UL1007 24AWG BU BU
MTKC000539**
MTKC000548**
Main Body Wiring
Main Body Wiring
D+SUB
D-SUB
D+MAIN
D-MAIN
CN Board : Transfer #2(AF)
1
2464-1061/ⅡA(PF)LF 2P×24AWG
1
1
BN/WH
BN
YE/WH
YE
GN/WH
GN
BK/WH
BK
RD/WH
RD
2464-1061/ⅡA(PF)LF 6P×24AWG
1
2464C(BPF)VVP AWG#24×5P-B
1
FGCVF2
R1.25-4
JST
FGCVM2
R1.25-4
JST
EGCVF EGCVM
1 1
NC
GND(C)
1
NC
GND(C)
M9K324A
1
B4K323/4
1
B5K324
1
1
Panasonic Factory Solutions Co.,Ltd. パナソニック ファクトリーソリューションズ株式会社
Name
Drawing No.
Loc. No.
F4K1020-05A
1
2 3 4 5 6 7 8
A
B
C
D
E
F
1 2 3 4 5 6 7 8
A
B
C
D
E
F
Page. No.
Conveyor Unit (NPM-DX)
Width Adjustment Axis:L2(Ast)
MTKA001084+012AB
P012

+V24(C)
IN120
OUT110
GND(C)
+V24(C)
IN121
OUT110
GND(C)
+V24(C)
IN122
OUT112
GND(C)
+V24(C)
IN123
OUT112
GND(C)
L2 Left Side PCB Detection 1 : Ast
P24
OUT
IN
GND
1
2
3
4
-B1121
L2 Left Side PCB Detection 2 : Ast
1
2
3
4
5
6
7
8
9
10
11
12
13
14
15
16
CNB1
-K324A
JST
B1_K323/4
PAP-16V-S
1
2
3
4
5
6
7
8
9
10
11
12
13
14
15
16
P24
OUT
IN
GND
1
2
3
4
-B1120
MTKC000528AB
PDG14040A
OG/WH
OG
GY/WH
GY
BU/WH
BU
BN/WH
BN
YE/WH
YE
GN/WH
GN
BK/WH
BK
RD/WH
RD
L2 Mount Position PCB Detection 1 : Ast
P24
OUT
IN
GND
1
2
3
4
-B1123
L2 Mount Position PCB Detection 2 : Ast
P24
OUT
IN
GND
1
2
3
4
-B1122
JST
B1*20R
PAP-04V-S
4
3
2
1
JST
B1*21R
PAP-04V-S
4
3
2
1
JST
B1*22R
PAP-04V-S
4
3
2
1
JST
B1*23R
PAP-04V-S
4
3
2
1
CN Board : Transfer #2(AF)
+V24(C)
IN124
OUT111
GND(C)
+V24(C)
IN125
OUT111
GND(C)
+V24(C)
IN126
OUT111
GND(C)
+V24(C)
IN127
OUT112
GND(C)
P24
OUT
IN
GND
1
2
3
4
-B1127
JST
B1*27R
PAP-04V-S
4
3
2
1
1
2
3
4
5
6
7
8
9
10
11
12
13
14
15
16
CNB2
JST
B2_K323/4
PAP-16V-S
1
2
3
4
5
6
7
8
9
10
11
12
13
14
15
16
L2 Mount Position PCB Detection 3 : Ast
+V24(C)
IN130
OUT112
GND(C)
+V24(C)
IN131
OUT112
GND(C)
+V24(C)
IN132
OUT113
GND(C)
+V24(C)
IN133
OUT113
GND(C)
P24
OUT
IN
GND
1
2
3
4
-B1131
P24
OUT
IN
GND
1
2
3
4
-B1132
JST
B1*31R
PAP-04V-S
4
3
2
1
JST
B1*32R
PAP-04V-S
4
3
2
1
No Use
JST
B1*33R
PAP-04V-S
4
3
2
1
1
2
3
4
5
6
7
8
9
10
11
12
13
14
15
16
CNB3
JST
B3_K323/4
PAP-16V-S
1
2
3
4
5
6
7
8
9
10
11
12
13
14
15
16
P24
OUT
IN
GND
1
2
3
4
-B1130
JST
B1*30R
PAP-04V-S
4
3
2
1
L2 Mount Position PCB Detection 4 : Ast
L2 Mount Position PCB Detection 5 : Ast
L2 Right Side PCB Detection 1 : Ast
2464C(BPF)VVP AWG#24×18P-B
LG/WH
LG
VT/WH
VT
LB/WH
LB
PK/WH
PK
GY/RD
GY/BK
BU/RD
BU/BK
BN/RD
BN/BK
YE/RD
YE/BK
GN/RD
GN/BK
WH/BK
WH
1
1
1
Panasonic Factory Solutions Co.,Ltd. パナソニック ファクトリーソリューションズ株式会社
Name
Drawing No.
Loc. No.
F4K1020-05A
1
2 3 4 5 6 7 8
A
B
C
D
E
F
1 2 3 4 5 6 7 8
A
B
C
D
E
F
Page. No.
Conveyor Unit (NPM-DX)
Position Sensor :L2(Ast)
MTKA001084+013AB
P013

L1 Left Transfer Motor : Bst
CNM1
+V24(M)
GND(M)
+24(C)
1
2
3
GND(C)
START/STOP(OUT414)
SPD_H/L(OUT415)
4
5
6
-K323B
REVERSE(OUT416)
EMG1C(OUT617)
+V24(C)
GND(C)
7
8
9
10
11
12
13
14
CNM2
+V24(M)
GND(M)
+24(C)
1
2
3
GND(C)
4
5
6
EMG1C(OUT617)
+V24(C)
7
8
9
10
11
12
13
14
MTKC000517AC
JST
M1_K323B
PHDR-18VS
1
2
3
4
5
6
7
8
9
10
11
12
13
14
15
16
17
18
NC
NC
NC
EMG2C(OUT717)
JST
M2_K323
PHDR-18VS
1
2
3
4
5
6
7
8
9
10
11
12
13
14
15
16
17
18
15
16
17
18
EMG2C(OUT717)
15
16
17
18
NC
NC
(Fixed Side)
START/STOP(OUT414)
SPD_H/L(OUT415)
REVERSE(OUT416)
PDG14040A
P24(M)
GND(M)
P24(C)
STR/STP
SPD_H/L
Revers
EMG
OUT1
OUTPUT COM
CW/CCW
BUSY
DATA+
DATA-
GND(C)
NC
NC
NC
1
2
3
4
5
6
7
8
9
10
11
12
13
14
15
16
17
18
-M610B
NC
L1 Left Transfer Motor : Bst
(Moving Side)
P24(M)
GND(M)
P24(C)
STR/STP
SPD_H/L
Revers
EMG
OUT1
OUTPUT COM
CW/CCW
BUSY
DATA+
DATA-
GND(C)
NC
NC
NC
1
2
3
4
5
6
7
8
9
10
11
12
13
14
15
16
17
18
-M611B
NC
MTKC000516**
JST
M610BR
PHDR-18VS
18
17
16
15
13
12
11
10
9
8
7
6
5
4
14
3
2
1
JST
M611R
PHDR-18VS
18
17
16
15
13
12
11
10
9
8
7
6
5
4
14
3
2
1
Main Body Wiring
D+MAIN
D-MAIN
D+SUB
D-SUB
D+MAIN
D-MAIN
D+SUB
D-SUB
CN Board : Transfer #3(BR)
1
BN/WH
BN
YE/WH
YE
GN/WH
GN
BK/WH
BK
RD/WH
RD
2464-1061/ⅡA(PF)LF 6P×24AWG
1
1
2464C(BPF)VVP AWG#24×5P-B
T/2464-3599 BK LF 6P×24AWG
VT
PK
LB
BN
GY
BK
GN
OG
BU
RD
WH
YE
1
FGCVF1
R1.25-4
JST
FGCVM1
R1.25-4
JST
1
1
1
NC
GND(C)
1
NC
GND(C)
M2K323
1
M1K323B
1
1
2
Panasonic Factory Solutions Co.,Ltd. パナソニック ファクトリーソリューションズ株式会社
Name
Drawing No.
Loc. No.
F4K1020-05A
1
2 3 4 5 6 7 8
A
B
C
D
E
F
1 2 3 4 5 6 7 8
A
B
C
D
E
F
Page. No.
Conveyor Unit (NPM-DX)
Conveyor Motor 1:L1(Bst)
MTKA001084+014AC
P014