N7205A119B - 第168页
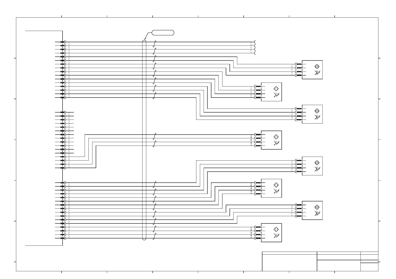
+V24(C) IN520 OUT510 GND(C) +V24(C) IN521 OUT510 GND(C) +V24(C) IN522 OUT512 GND(C) +V24(C) IN523 OUT512 GND(C) P24 OUT IN GND 1 2 3 4 -B1521 L2 Left Side PCB Detection 2 : Bst 1 2 3 4 5 6 7 8 9 10 11 12 13 14 15 16 CNB1…

L2 Width Adjustment Axis
Dual Mode ORG Detection : Bst
CNM9
+V24(M)
GND(M)
+24(C)
1
2
3
GND(C)
ORG
+LS
4
5
6
-K324B
-LS
EMG1W(OUT616)
+V24(C)
7
8
9
10
11
12
13
14
CNB4
+V24(C)
-LS
1
2
3
GND(C)
+V24(C)
4
5
6
ORG
GND(C)
7
8
JST
B4_K323/4
PAP-08V-S
8
7
6
5
4
3
2
1
L2 Support Pin Detection (Receiver) : Bst
-B125TB
-B125RB
BU
BK
BN
BU
BN
L2 Support Pin Detection (Projector) : Bst
AMP
B121/5P
177908-1
4
3
2
1
AMP
B125R
177900-1
4
3
2
1
BK
GN
WH
RD
T/2464-3599 BK LF 4×24AWG
BK/WH
BK
RD/WH
RD
2464C(BPF)VVP AWG#24×2P-B
JST
B122/6R
PAP-04V-S
4
3
2
1
P24
OUT1
OUT2
GND
1
2
3
4
-B126B
MTKC000526AB
Main Body Wiring
EMG2W(OUT716)
JST
M9_K324B
PHDR-18VS
1
2
3
4
5
6
7
8
9
10
11
12
13
14
15
16
17
18
NC
NC
15
16
17
18
NC
NC
PDG14040A
CNB5
+V24(C)
+LS
1
2
3
GND(C)
+V24(C)
4
5
6
ORG
GND(C)
7
8
NC
NC
L2 Width Adjustment Axis Motor : Bst
1
2
3
4
5
6
7
8
9
10
11
12
13
14
15
16
17
18
-M629B
P24(M)
GND(M)
P24(C)
GND(C)
ORG
+LS
-LS
EMG
DATA+
DATA-
CW/CCW
BUSY
NC
NC
NC
NC
NC
OUTPUT COM
JST
M629BR
PHDR-18VS
18
17
16
15
13
12
11
10
9
8
7
6
5
4
14
3
2
1
JST
B5_K324
PAP-08V-S
8
7
6
5
4
3
2
1
UL1007 24AWG BU BU
MTKC000538**
MTKC000548**
Main Body Wiring
D+SUB
D-SUB
D+MAIN
D-MAIN
CN Board : Transfer #4(BF)
1
2464-1061/ⅡA(PF)LF 2P×24AWG
1
1
BN/WH
BN
YE/WH
YE
GN/WH
GN
BK/WH
BK
RD/WH
RD
2464-1061/ⅡA(PF)LF 6P×24AWG
1
2464C(BPF)VVP AWG#24×5P-B
1
FGCVF2
R1.25-4
JST
FGCVM2
R1.25-4
JST
EGCVF EGCVM
1 1
NC
GND(C)
1
NC
GND(C)
M9K324B
1
B4K324
1
B5K324
1
1
Panasonic Factory Solutions Co.,Ltd. パナソニック ファクトリーソリューションズ株式会社
Name
Drawing No.
Loc. No.
F4K1020-05A
1
2 3 4 5 6 7 8
A
B
C
D
E
F
1 2 3 4 5 6 7 8
A
B
C
D
E
F
Page. No.
Conveyor Unit (NPM-DX)
Width Adjustment Axis:L2(Bst)
MTKA001084+022AB
P022

+V24(C)
IN520
OUT510
GND(C)
+V24(C)
IN521
OUT510
GND(C)
+V24(C)
IN522
OUT512
GND(C)
+V24(C)
IN523
OUT512
GND(C)
P24
OUT
IN
GND
1
2
3
4
-B1521
L2 Left Side PCB Detection 2 : Bst
1
2
3
4
5
6
7
8
9
10
11
12
13
14
15
16
CNB1
-K324B
JST
B1_K323/4
PAP-16V-S
1
2
3
4
5
6
7
8
9
10
11
12
13
14
15
16
MTKC000528AB
PDG14040A
OG/WH
OG
GY/WH
GY
BU/WH
BU
BN/WH
BN
YE/WH
YE
GN/WH
GN
BK/WH
BK
RD/WH
RD
L2 Mount Position PCB Detection 1 : Bst
P24
OUT
IN
GND
1
2
3
4
-B1523
L2 Mount Position PCB Detection 2 : Bst
P24
OUT
IN
GND
1
2
3
4
-B1522
JST
B1*20R
PAP-04V-S
4
3
2
1
JST
B1*21R
PAP-04V-S
4
3
2
1
JST
B1*22R
PAP-04V-S
4
3
2
1
JST
B1*23R
PAP-04V-S
4
3
2
1
CN Board : Transfer #4(BF)
+V24(C)
IN524
OUT511
GND(C)
+V24(C)
IN525
OUT511
GND(C)
+V24(C)
IN526
OUT511
GND(C)
+V24(C)
IN527
OUT512
GND(C)
P24
OUT
IN
GND
1
2
3
4
-B1527
JST
B1*27R
PAP-04V-S
4
3
2
1
1
2
3
4
5
6
7
8
9
10
11
12
13
14
15
16
CNB2
JST
B2_K323/4
PAP-16V-S
1
2
3
4
5
6
7
8
9
10
11
12
13
14
15
16
L2 Mount Position PCB Detection 3 : Bst
+V24(C)
IN530
OUT512
GND(C)
+V24(C)
IN531
OUT512
GND(C)
+V24(C)
IN532
OUT513
GND(C)
+V24(C)
IN533
OUT513
GND(C)
P24
OUT
IN
GND
1
2
3
4
-B1531
P24
OUT
IN
GND
1
2
3
4
-B1532
JST
B1*31R
PAP-04V-S
4
3
2
1
JST
B1*32R
PAP-04V-S
4
3
2
1
No Use
JST
B1*33R
PAP-04V-S
4
3
2
1
1
2
3
4
5
6
7
8
9
10
11
12
13
14
15
16
CNB3
JST
B3_K323/4
PAP-16V-S
1
2
3
4
5
6
7
8
9
10
11
12
13
14
15
16
P24
OUT
IN
GND
1
2
3
4
-B1530
JST
B1*30R
PAP-04V-S
4
3
2
1
L2 Mount Position PCB Detection 4 : Bst
L2 Mount Position PCB Detection 5 : Bst
L2 Right Side PCB Detection 1 : Bst
2464C(BPF)VVP AWG#24×18P-B
LG/WH
LG
VT/WH
VT
LB/WH
LB
PK/WH
PK
GY/RD
GY/BK
BU/RD
BU/BK
BN/RD
BN/BK
YE/RD
YE/BK
GN/RD
GN/BK
WH/BK
WH
P24
OUT
IN
GND
1
2
3
4
-B1533
L2 Right Side PCB Detection 2 : Bst
1
1
1
Panasonic Factory Solutions Co.,Ltd. パナソニック ファクトリーソリューションズ株式会社
Name
Drawing No.
Loc. No.
F4K1020-05A
1
2 3 4 5 6 7 8
A
B
C
D
E
F
1 2 3 4 5 6 7 8
A
B
C
D
E
F
Page. No.
Conveyor Unit (NPM-DX)
Position Sensor :L2(Bst)
MTKA001084+023AB
P023

2.
LOAD WIRING DIAGRAM
負荷配線図
2-3 CART WIRING
交換台車
EJM8DB-10-203-00