N7205A119B - 第200页
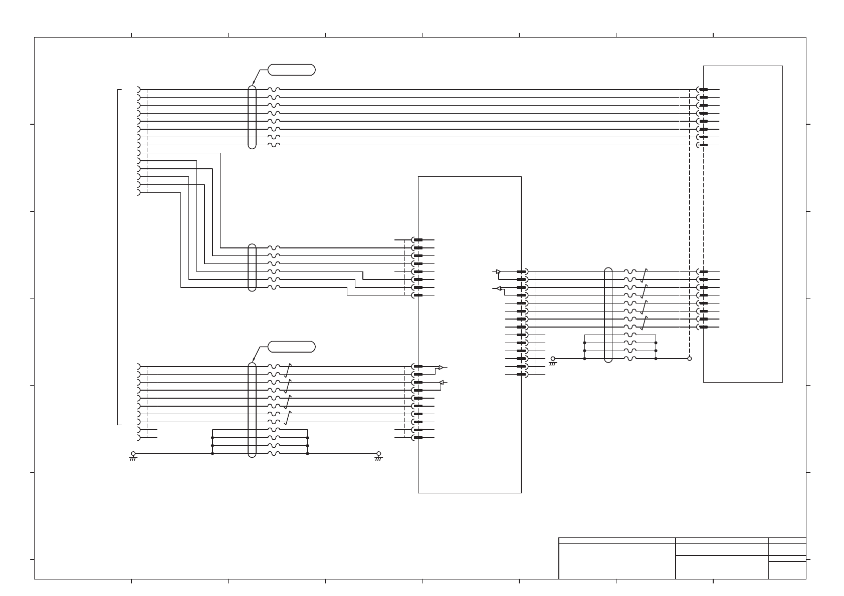
Note1) Connector pin arrangement is not sequential. 2 CN3 -K331B PPE0AD CN1 1 5 2 6 3 7 IO1 4 8 9 IO2 10 IO3 GND F.G 11 12 13 JST 1K335/6 PAP-13V-S 13 12 11 10 9 8 4 7 3 6 2 5 1 MTKC000653AC LED Lighting Control Board #3…

+A21B
-K331B
PPE0AD
LED Lighting
Control Board #3
Head 3
(BF)
CN1
JAE
1A21B
DM1R016PA1
Note1) Connector pin arrangement is not sequential.
Note1)
CN1
CN2
48V
48G
7
8
48V
10
48G
9
48V
48G
15
16
24V
2
24G
1
IN01
9
RXD+
RXD-
TXD+
1
2
3
TXD-
EMG
GND
4
5
6
ILKOUT
HD24V
7
8
ILK2
GND
ILK1
2
1
4
EMG
RXD-
RXD+
3
6
8
TXD-
TXD+
5
7
ILK2
GND
ILK1
11
12
3
EMG
RXD-
RXD+
4
6
13
TXD-
TXD+
5
14
14
5
13
6
4
3
12
11
1
2
16
15
9
10
8
7
Note1)
24G
10
JST
CN1
PUDP-10V-S
10
9
8
7
6
5
4
3
2
1
CN6
24VIN
LED24V
1
2
3
24G
24G
4
5
6
24G
HTYPE0
24G
9
10
11
HTYPE1
24G
12
13
N.C.
14
JST
CN2
PUDP-14V-S
2
1
4
3
6
8
5
7
9
10
11
12
13
14
TXD3+
TXD3-
RXD3+
RXD3-
EMGB1
GND
IO-3-
IO-3+
MTKC001230AD
GN
RD
WH
BK
BN
YE
RMFEV-P(2103) AWG21(0.5)/6C
MTKC001231AD
MOLEX
HBF1R
5557-14R-210
9
8
7
6
5
4
3
2
1
RMFEV-P(2103) AWG21(0.5)/8C
OG
BU
BN
YE
GN
RD
WH
BK
FGBFX1
R1.25-4
JST
LB
VT
GY
PK
BK
GN
BU
YE
RD
BN
WH
OG
FGBF1
R1.25-4
JST
RMFEV-P(2103) AWG25/4P+AWG30/4C
AWG25
AWG25
AWG25
AWG25
AWG25
AWG25
AWG25
AWG25
AWG30
AWG30
AWG30
AWG30
N.C.
N.C.
7
8
MOLEX
CN6
43025-0800
8
7
6
5
4
3
2
1
24VIN
24G
14
13
12
11
10
48V
48G
48V
48G
48V
48G
24V
24G
24V
24G
24V
24G
24V
24G
To Main Body Wiring
(BF)
LB
VT
GY
PK
BK
GN
BU
YE
RD
BN
WH
OG
RMFEV-P(2103) AWG25/4P+AWG30/4C
AWG25
AWG25
AWG25
AWG25
AWG25
AWG25
AWG25
AWG25
AWG30
AWG30
AWG30
AWG30
MOLEX
HBF2R
5557-10R-210
8
7
6
5
4
3
2
1
10
9
FGBFX2
R1.25-4
JST
FGA21B
R1.25-3.5
JST
1K331B
4
6K331B
4
2K331B
4
6
5 4
4
Panasonic Factory Solutions Co.,Ltd. パナソニック ファクトリーソリューションズ株式会社
Name
Drawing No.
Loc. No.
F4K1020-05A
1
2 3 4 5 6 7 8
A
B
C
D
E
F
1 2 3 4 5 6 7 8
A
B
C
D
E
F
Page. No.
XY Unit (NPM-DX)
(Head 3 Wiring : Bst)
MTKA001078+026AG
P026

Note1) Connector pin arrangement is not sequential.
2
CN3
-K331B
PPE0AD
CN1
1
5
2
6
3
7
IO1
4
8
9
IO2
10
IO3
GND
F.G
11
12
13
JST
1K335/6
PAP-13V-S
13
12
11
10
9
8
4
7
3
6
2
5
1
MTKC000653AC
LED Lighting
Control Board #3
-K335B
PLU0A1
-E001B
LED Lighting Board #3
Area Camera
LED Lighting (BF)
CH1_A
CH1_K
CH2_A
CH2_K
CH3_A
CH3_K
CH4_A
CH4_K
Note1)
2
6
7
8
3
4
5
1
#1_A
#1_K
24G
LTYPE0
LTYPE1
LTYPE2
#2_A
#2_K
1
2
7
8
4
11
3
5
6
9
10
12
#3_A
#3_K
#4_A
#4_K
GND
FG
JST
CN4
PUDP-12V-S
1
2
7
8
4
11
3
5
6
9
10
12
Note1)
LTEMP
N.C.
5V
GND
N.C.
FG
CN4
JST
CN3
PUDP-08V-S
1
2
7
8
3
4
5
6
Note1)
3
4
3K331/2
4
4K331/2
4
CMX/2464-1061/ⅡA-SB LF 7P×26AWG
GY/RD2
GY/BK2
OG/RD2
OG/BK2
PK/RD1
PK/BK1
YE/RD1
YE/BK1
WH/RD1
WH/BK1
OG/RD1
OG/BK1
GY/RD1
GY/BK1
Panasonic Factory Solutions Co.,Ltd. パナソニック ファクトリーソリューションズ株式会社
Name
Drawing No.
Loc. No.
F4K1020-05A
1
2 3 4 5 6 7 8
A
B
C
D
E
F
1 2 3 4 5 6 7 8
A
B
C
D
E
F
Page. No.
XY Unit (NPM-DX)
(LED Lighting 1 Wiring : Bst)
MTKA001078+027AE
P027

Y-axis Interference
Detection : Bst
MTKC001234AC
P24
OUT
IN
GND
1
2
3
4
-B113B
-K331B
PPE0AD
CN7
BK
RD
GN
WH
BN
YE
RMFEV-P(2103) AWG23/6C
FGBFX3
R1.25-4
JST
FGBFY1
R1.25-4
JST
+24V
24G
ILK01
1
2
3
JST
7K331B
PAP-03V-S
3
2
1
JST
B113BR
PAP-04V-S
4
3
2
1
LED Lighting
Control Board #3
2
RMFEV(2517) AWG23(0.3)/6C
2
3 1
7K331B
3
Panasonic Factory Solutions Co.,Ltd. パナソニック ファクトリーソリューションズ株式会社
Name
Drawing No.
Loc. No.
F4K1020-05A
1
2 3 4 5 6 7 8
A
B
C
D
E
F
1 2 3 4 5 6 7 8
A
B
C
D
E
F
Page. No.
XY Unit (NPM-DX)
(Interference Sensor Wiring : Bst)
MTKA001078+028AD
P028