N7205A119B - 第221页
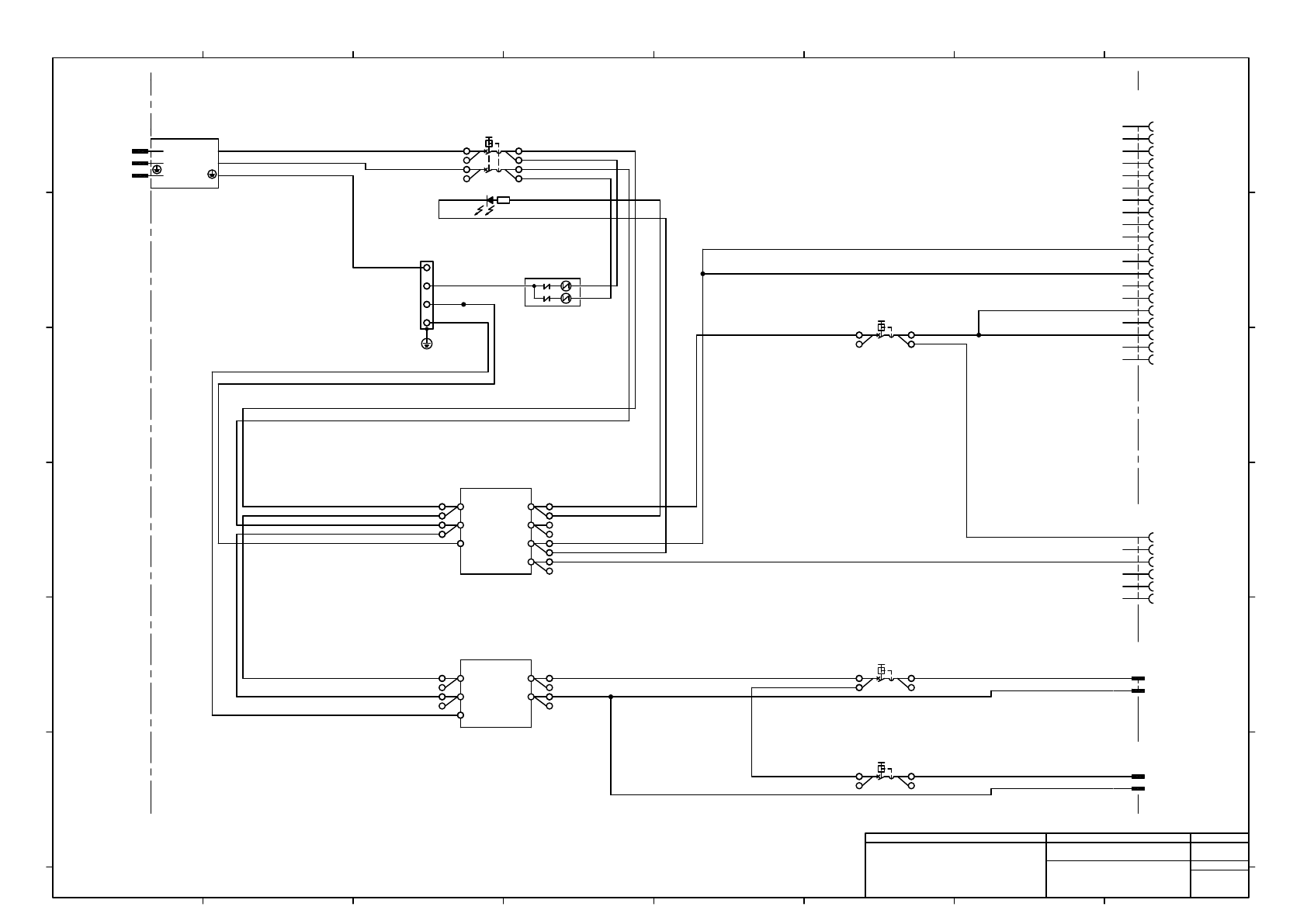
-T102 PBA300F-24 AC(L) AC(N) FG +V +V -V -V COSEL LOAD LINE -F101 NH1L-2100S-3AA5C-TK2539 (3A) 1 2 3 4 BK RD IDEC -X001 N210001550AA 1aF101 TMEE1.25-4 NICHIFU 3aF101 4aF101 2aF101 TMEE2-4 NICHIFU AC100V ~AC240V INPUT TME…

-T102
PBA300F-24
AC(L)
AC(N)
FG
+V
+V
-V
-V
COSEL
LOAD LINE
-F101
NH1L-2100S-3AA5C-TK2539
(3A)
1 2
3 4
BK RD
IDEC
-X001
N210001550AA
1aF101
TMEE1.25-4
NICHIFU
3aF101
4aF101
2aF101
TMEE2-4
NICHIFU
AC100V
~AC240V
INPUT
TMEE1.25-4
NICHIFU
TMEE1.25-4
NICHIFU
LaT101
TMEE2-3
NICHIFU
NaT101
TMEE1.25-3
NICHIFU
+VaT101
TMEE1.25-3
NICHIFU
-VaT101
3
4
RD
WH
GN/YE
1
2
AWG#18(0.75mm2)
AWG#20(0.5mm2)
AWG#20(0.5mm2)
-V01
FN9222R-3-06
SCHAFFNER
2bF101
4bF101
TMEE1.25-4
NICHIFU
2aF102
TMEE1.25-4
NICHIFU
1aF102
TMEE2-4
NICHIFU
LaT102
TMEE2-4
NICHIFU
NaT102
TMEE1.25-4
NICHIFU
+VaT102
TMEE2-4
NICHIFU
+VbT102
TMEE1.25-4
-VaT102
-F201
R.A.V-781BWZ-4
BK
BK
GN/YE
OKAYA
2aF104
TMEE2-4
NICHIFU
1aF104
TMEE2-4
NICHIFU
TMEE1.25-4
NICHIFU
LbT102
NbT102
-T101
PBA75F-12
(6.3A)
AC(L)
AC(N)
FG
+V
-V
COSEL
For
Feeder
cart
For
Tape
Feeder,
C-CON
-VbT102
-VcT102
For PDA
For PDA
1aF102
TMEE2-4
NICHIFU
1bF102
2bF104
TMEE1.25-4
NICHIFU
-F104
CP31FI/10(CCC)
(10A)
1 2
FUJI ELECTRIC
1
1
1
1
-F102
CP31FI/3(CCC)
(3A)
1 2
FUJI ELECTRIC
2
2
-F103
CP31FI/3(CCC)
(3A)
1 2
FUJI ELECTRIC
2aF103
TMEE1.25-4
NICHIFU
Panasonic Factory Solutions Co.,Ltd. パナソニック ファクトリーソリューションズ株式会社
Name
Drawing No.
Loc. No.
F4K1020-05A
1 2 3 4 5 6 7 8
A
B
C
D
E
F
1 2 3 4 5 6 7 8
A
B
C
D
E
F
Page. No.
Power supply unit
(Feeder and Cart PDA)
N610101909+007AB
P007
MOLEX
CART
51238-2011
D5
D4
D3
D2
D1
C5
C4
C3
C2
C1
B5
B4
B3
B2
B1
A5
A4
A3
A2
A1
UL1007 18AWG BU BU
UL1007 18AWG BU BU
UL1007 18AWG BU BU
UL1007 18AWG BU BU
JAE
FEEDER
JR06-7A-6S-R
6
5
4
3
2
1
UL1007 24AWG BU BU
UL1007 24AWG BU BU
UL1007 20AWG BU BU
MOLEX
DC12-1
5559-02P-210
2
1
MOLEX
DC12-2
5559-02P-210
2
1
UL1007 20AWG BU BU
UL1007 20AWG BU BU
UL1007 20AWG BU BU
UL1007 16AWG BU BU
UL1007 16AWG BU BU
UL1007 16AWG BU BU
UL1015 16AWG GN/YE GN/YE
UL1015 16AWG BK BK
UL1015 16AWG BK BK
UL1015 16AWG BK BK
UL1015 16AWG BK BK
UL1015 16AWG GN/YE GN/YE