N7205A119B - 第255页
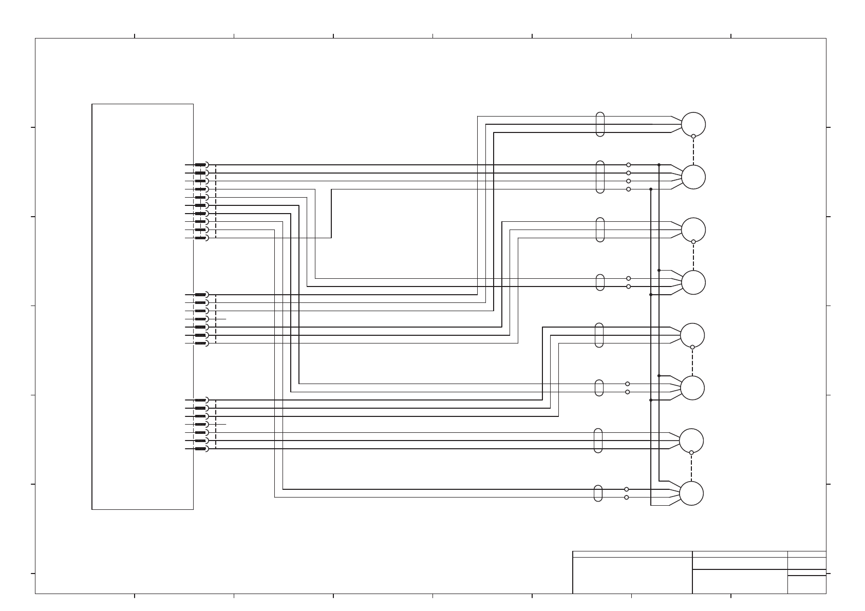
-K301 PMC0A3 CN7 1 2 3 4 5 6 7 Z13-PHASE_V Z13-PHASE_U FG Z13-PHASE_W VDD A B GND U V W SM SSG -M415 RMTA-A002A16-MA12 RD WH BU RD1 BU1 WH1 BK YASKAWA ELECTRIC Z14-PHASE_V Z14-PHASE_U Z14-PHASE_W CN12 Z13-A +5V Z14-A Z13…

-K301
PMC0A3
CN5
1
2
3
4
5
6
7
Z9-PHASE_V
Z9-PHASE_U
FG
Z9-PHASE_W
VDD
A
B
GND
U
V
W
SM
SSG
-M411
RMTA-A002A16-MA12
RD
WH
BU
RD1
BU1
WH1
BK
YASKAWA ELECTRIC
Z10-PHASE_V
Z10-PHASE_U
Z10-PHASE_W
CN11
Z9-A
+5V
Z10-A
Z9-B
Z11-A
Z10-B
Z11-B
Z12-B
Z12-A
GND
CN6
1
2
3
4
5
6
7
Z11-PHASE_V
Z11-PHASE_U
FG
Z11-PHASE_W
Z12-PHASE_V
Z12-PHASE_U
Z12-PHASE_W
Z9-axis motor
Z9-axis encoder
Z10-axis motor
Z10-axis encoder
A
B
U
V
W
SM
SSG
-M412
RMTA-A002A16-MA12
RD
WH
BU
BU1
WH1
YASKAWA ELECTRIC
Z11-axis motor
Z11-axis encoder
Z12-axis motor
Z12-axis encoder
A
B
U
V
W
SM
SSG
-M413
RMTA-A002A16-MA12
RD
WH
BU
BU1
WH1
YASKAWA ELECTRIC
A
B
U
V
W
SM
SSG
-M414
RMTA-A002A16-MA12
RD
WH
BU
BU1
WH1
YASKAWA ELECTRIC
1
2
3
4
5
6
7
8
9
10
JAPAN SOLDERLESS TER
5
PAP-07V-S
7
6
5
4
3
2
1
MOLEX
11
502380-1000
1
2
3
4
5
6
7
8
9
10
JAPAN SOLDERLESS TER
6
PAP-07V-S
7
6
5
4
3
2
1
Panasonic Factory Solutions Co.,Ltd. パナソニック ファクトリーソリューションズ株式会社
Name
Drawing No.
Loc. No.
F4K1020-05A
1
2 3 4 5 6 7 8
A
B
C
D
E
F
1 2 3 4 5 6 7 8
A
B
C
D
E
F
Page. No.
Light Weight 16 Nozzle Head V2 (H)
(Z 9-12 axis wiring)
MTKA006382+007AA
P007

-K301
PMC0A3
CN7
1
2
3
4
5
6
7
Z13-PHASE_V
Z13-PHASE_U
FG
Z13-PHASE_W
VDD
A
B
GND
U
V
W
SM
SSG
-M415
RMTA-A002A16-MA12
RD
WH
BU
RD1
BU1
WH1
BK
YASKAWA ELECTRIC
Z14-PHASE_V
Z14-PHASE_U
Z14-PHASE_W
CN12
Z13-A
+5V
Z14-A
Z13-B
Z15-A
Z14-B
Z15-B
Z16-B
Z16-A
GND
CN8
1
2
3
4
5
6
7
Z15-PHASE_V
Z15-PHASE_U
FG
Z15-PHASE_W
Z16-PHASE_V
Z16-PHASE_U
Z16-PHASE_W
Z13-axis motor
Z13-axis encoder
Z14-axis motor
Z14-axis encoder
A
B
U
V
W
SM
SSG
-M416
RMTA-A002A16-MA12
RD
WH
BU
BU1
WH1
YASKAWA ELECTRIC
Z15-axis motor
Z15-axis encoder
Z16-axis motor
Z16-axis encoder
A
B
U
V
W
SM
SSG
-M417
RMTA-A002A16-MA12
RD
WH
BU
BU1
WH1
YASKAWA ELECTRIC
A
B
U
V
W
SM
SSG
-M418
RMTA-A002A16-MA12
RD
WH
BU
BU1
WH1
YASKAWA ELECTRIC
1
2
3
4
5
6
7
8
9
10
JAPAN SOLDERLESS TER
7
PAP-07V-S
7
6
5
4
3
2
1
MOLEX
12
502380-1000
1
2
3
4
5
6
7
8
9
10
JAPAN SOLDERLESS TER
8
PAP-07V-S
7
6
5
4
3
2
1
Panasonic Factory Solutions Co.,Ltd. パナソニック ファクトリーソリューションズ株式会社
Name
Drawing No.
Loc. No.
F4K1020-05A
1
2 3 4 5 6 7 8
A
B
C
D
E
F
1 2 3 4 5 6 7 8
A
B
C
D
E
F
Page. No.
Light Weight 16 Nozzle Head V2 (H)
(Z 13-16 axis wiring)
MTKA006382+008AA
P008

HVAL
GVAL
FVAL
EVAL
DVAL
CVAL
BVAL
AVAL
PV24
-R3001
-R3002
-R3003
-R3004
-R3005
-R3006
-R3007
-R3008
CN13
1
2
3
4
5
6
7
8
9
CN14
1
2
3
4
5
6
7
8
9
9
8
7
6
5
4
JST
CN13
PAP-09V-S
3
2
1
EXLON-PVC ULTUBE AH-6 AWG#3 BLACK
N610159860AC
C
A
SMC
1
AXT661-12
SMC
2
AXT661-12
A
C
C
A
SMC
4
AXT661-12
SMC
3
AXT661-12
A
C
1
2
3
JST
CN14
PAP-09V-S
4
5
6
7
8
9
C
A
A
C
C
A
A
C
SMC
7
AXT661-12
SMC
8
AXT661-12
SMC
6
AXT661-12
SMC
5
AXT661-12
Vacuum valve1
Vacuum valve2
Vacuum valve3
Vacuum valve4
Vacuum valve5
Vacuum valve6
Vacuum valve7
Vacuum valve8
-K301
PMC0A3
N.C
N.C
EXLON-PVC ULTUBE AH-6 AWG#3 BLACK
N610159861AC
UL1007 26AWG RD
UL1007 26AWG BK
UL1007 26AWG RD
UL1007 26AWG BK
UL1007 26AWG RD
UL1007 26AWG BK
UL1007 26AWG RD
UL1007 26AWG BK
UL1007 26AWG RD
UL1007 26AWG BK
UL1007 26AWG RD
UL1007 26AWG BK
UL1007 26AWG RD
UL1007 26AWG BK
UL1007 26AWG RD
UL1007 26AWG BK
SMC
VQ111U-5LO-X480
SMC
VQ111U-5LO-X480
SMC
VQ111U-5LO-X480
SMC
VQ111U-5LO-X480
SMC
VQ111U-5LO-X480
SMC
VQ111U-5LO-X480
SMC
VQ111U-5LO-X480
SMC
VQ111U-5LO-X480
MTKC005062AA
MTKC005063AA
1
1
Panasonic Factory Solutions Co.,Ltd. パナソニック ファクトリーソリューションズ株式会社
Name
Drawing No.
Loc. No.
F4K1020-05A
1
2 3 4 5 6 7 8
A
B
C
D
E
F
1 2 3 4 5 6 7 8
A
B
C
D
E
F
Page. No.
Light Weight 16 Nozzle Head V2 (H)
(Vacuum valve 1-8 wiring)
MTKA006382+009AB
P009