N7205A119B - 第298页
FG WH/BK4 WH/RD WH/BK GY/RD4 GY/BK4 GY/RD3 GY/BK3 WH/RD4 WH/RD3 WH/BK3 WH/RD2 WH/BK2 OG/RD OG/BK OG/RD2 OG/BK2 OG/RD3 OG/BK3 OG/RD4 OG/BK4 YE/RD YE/BK GY/RD GY/BK GY/RD2 GY/BK2 YE/BK3 YE/RD3 PK/RD3 PK/RD2 PK/BK2 PK/BK PK…

M
M611 L1(1) Conveyor Motor
1M611R
CNEXL
1M611P
B1020TR B1020TP
M
M613 L1(1) Width adjust Motor
S311 Cover SW Front
1S311R 1S311P
M611R
M613R 1M613R 1M613P
B1E00 +OVR (= Single mode ORG)
B1E01 ORG (= Dual mode ORG)
B1135, B1131
RS485 RS232C
-A03
RS485 1RS485R 1RS485P
B1020T Opening sensor (Projection) Front
B1020 Opening sensor (Receive) Rear
M
M642 L2(4) Conveyor Motor
1M642R 1M642P
M
M646 L2(4) Width adjust Motor
M642R
M646R 1M646R 1M646P
B1I01 ORG (= Dual mode ORG)
B1137, B1132
Lane1(1)
Lane2(4)
(Option)
B1E00R B1E00P
B1E01R B1E01P
B1I01R B1I01P
S311R S311P
B1020R B1020P
S312 Cover SW Rear
S312R S312P
1B1135R
1B1135P
1B1137R 1B1137P
B1E02 L1(1) Single mode detection
B1E02R B1E02P
2M611R 2M611P
2B1135R 2B1135P
Panasonic Factory Solutions Co.,Ltd. パナソニック ファクトリーソリューションズ株式会社
Name
Drawing No.
Loc. No.
F4K1020-05A
1 2 3 4 5 6 7 8
A
B
C
D
E
F
1 2 3 4 5 6 7 8
A
B
C
D
E
F
Page. No.
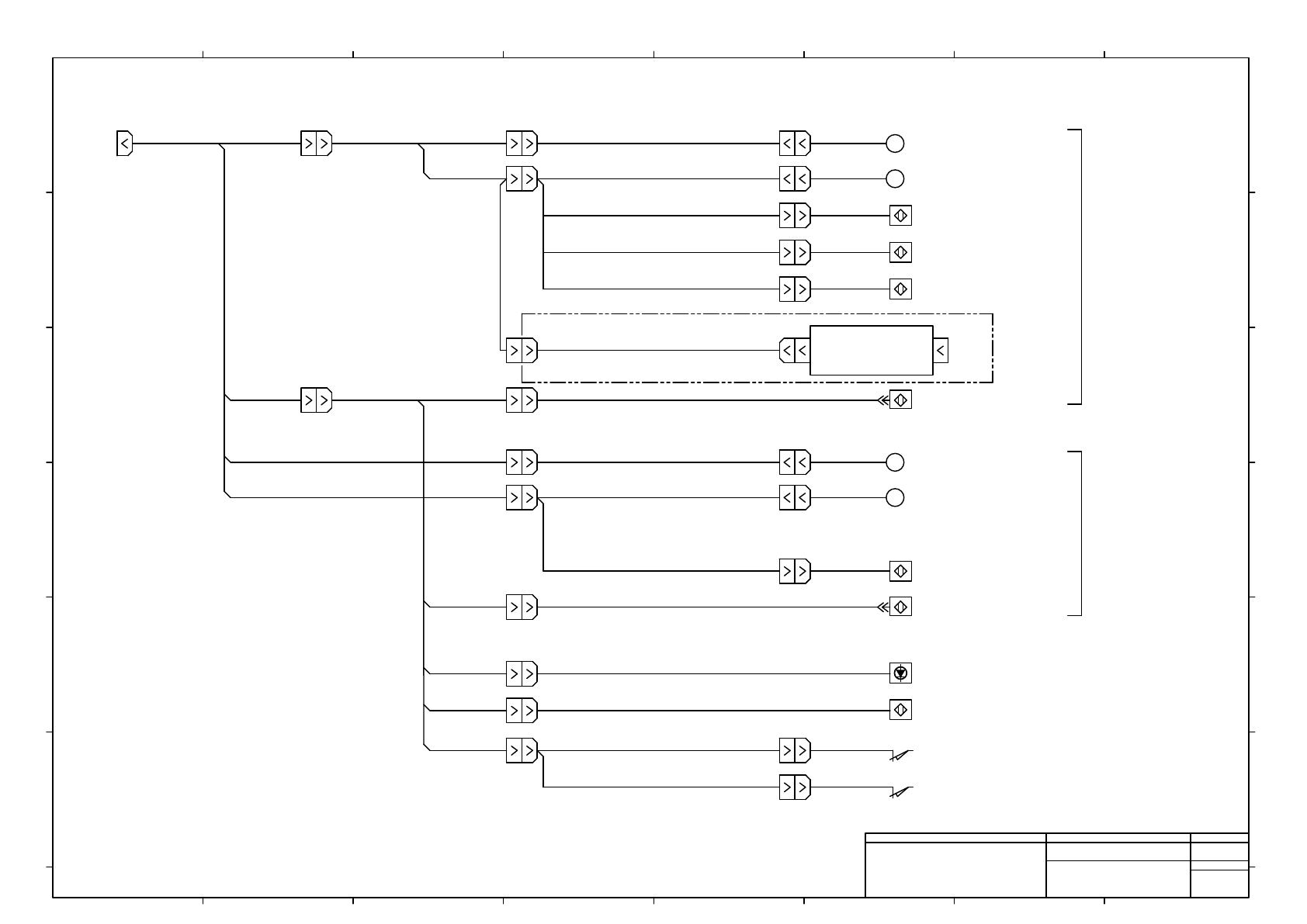
Flex Conveyor ST L Control:NPM-D
(Block diagram)
N610126533+002AA
P002

FG
WH/BK4
WH/RD
WH/BK
GY/RD4
GY/BK4
GY/RD3
GY/BK3
WH/RD4
WH/RD3
WH/BK3
WH/RD2
WH/BK2
OG/RD
OG/BK
OG/RD2
OG/BK2
OG/RD3
OG/BK3
OG/RD4
OG/BK4
YE/RD
YE/BK
GY/RD
GY/BK
GY/RD2
GY/BK2
YE/BK3
YE/RD3
PK/RD3
PK/RD2
PK/BK2
PK/BK
PK/RD
PK/BK3
R1.25-4
12
11
10
9
8
7
6
5
4
2M611P
177913-1
3
2
1
bit0
9
8
7
6
5
4
2B1135P
177911-1
3
2
1
12
11
10
9
8
7
6
5
4
1M642P
177913-1
3
2
1
12
11
10
9
8
7
6
5
4
1M646P
177913-1
3
2
1
YE/BK2
YE/RD2
4
3
2
1
177908-1
B1020P
1
2
3
1S311P
177909-1
4
5
6
55836-5001
CNEXL
A1
A2
A5
B1
B2
B3
B4
B5
C1
C2
C3
C4
C5
A6
B6
C6
s
s
s
E9
D8
D9
D6
D7
A10
A9
D5
D4
s
E10
D10
E3
E4
A7
A8
D2
E1
E2
B7
B8
B9
C7
C8
C9
C10
D1
B10
s
D3
A3
A4
E5
E6
E7
E8
177909-1
S312P
1
2
3
4
5
6
N610126537AB
→ P004 - 2M611R
→ P006 - 1M646R
→ P006 - 1M642R
→ P007 - 2B1135R
→ P008 - 1S311R
→ P008 - B1020R
→ P008 - S312R
P24(M)
G24(M)
P24(C)
G24(C)
M-REV21
OUT122
M-SPD21
EMG_OUT11
D+MAIN
D-MAIN
12VIN_L
IN1L
IN2L
12VOUT_L
OUT1_L
OUT2_L
COM
P24(M)
G24(M)
S-REV21
OUT123
S-SPD21
EMG_OUT20
D+SUB
D-SUB
24VOUT
IN135
IN137
OUT107
P24
G24
L_OPEN
IN131
IN132
OT117
OUT217
OUT216
IN230
IN231
G24
FDCOVF-L1
FDCOVF-L2
K1K2OUT
R_OPEN
RGND
R24V
IN243
IN242
IN237
S-PWRL1
UL2464-1061-SB AWG24-18P
Panasonic Factory Solutions Co.,Ltd. パナソニック ファクトリーソリューションズ株式会社
Name
Drawing No.
Loc. No.
F4K1020-05A
1 2 3 4 5 6 7 8
A
B
C
D
E
F
1 2 3 4 5 6 7 8
A
B
C
D
E
F
Page. No.
Flex Conveyor ST L Control:NPM-D
(main cable)
N610126533+003AB
P003
UL1007 24AWG BU BU
UL1007 24AWG BU BU
UL1007 24AWG BU BU
UL1007 24AWG BU BU
UL1007 24AWG BU BU
UL1007 24AWG BU BU
UL1007 24AWG BU BU
UL1007 24AWG BU BU
UL1007 24AWG BU BU
UL1007 24AWG BU BU
UL1007 24AWG BU BU
UL1007 24AWG BU BU
UL1007 24AWG BU BU
UL1007 24AWG BU BU
UL1007 24AWG BU BU
UL1007 24AWG BU BU

BK
BK/WH
RD/WH
(OPTION)
-A03
RS485
5557-06R-210
RS485
1
2
3
4
5
6
RS232C
RS232C
Interface Box
RD
43025-0600
1RS485R
6
5
4
3
2
1
N610126551AA
2464-1061/ⅡA(PF) LF 2P×24AWG
Left L1(1)
Conveyor
motor
4
6
14
3
2
1
13
12
8
7
5
PHDR-18VS
M611R
1
2
3
14
6
4
5
7
8
9
12
13
10
11
15
16
17
18
-M611
10
11
15
16
17
18
9
P24(M)
GND(M)
P24(C)
GND(C)
Reverce
Start/Stop
SPD H/L
EMG
DATA+
DATA-
CW/CCW
N610126539AA
1
2
3
1M611R
177905-1
4
5
6
7
8
9
10
11
12
BUSY
OUT1
NC
NC
NC
NC
OUTPUT COM
BK
BK/WH
RD
RD/WH
GN
GN/WH
YE
YE/WH
BN/WH
BN
2464-1061/ⅡA(PF) LF 5P×24AWG
43020-0600
1RS485P
1
2
3
4
5
6
12
11
10
9
8
7
6
5
4
1M613P
177913-1
3
2
1
12
11
10
9
8
7
6
5
4
1M611P
177913-1
3
2
1 1
2
3
2M611R
177905-1
4
5
6
7
8
9
10
11
12
YE
YE/WH
BN
BN/WH
BU
BK
BK/WH
RD
RD/WH
GN
GN/WH
BU/WH
2464-1061/ⅡA(PF) LF 6P×24AWG
N610126538AB
→ P005 - 1M613R
→ P003 - 2M611P
P24(M)
G24(M)
P24(C)
G24(C)
M-REV21
OUT122
M-SPD21
D+MAIN
D-MAIN
EMG_OUT20
EMG_OUT11
SEIWA
E04SR200932
1
2
3
4
5
6
P24
GND
D-
D+
1
2
3
4
5
6
7
8
9
N.C
TXD
RXD
N.C
N.C
N.C
N.C
N.C
GND
Panasonic Factory Solutions Co.,Ltd. パナソニック ファクトリーソリューションズ株式会社
Name
Drawing No.
Loc. No.
F4K1020-05A
1 2 3 4 5 6 7 8
A
B
C
D
E
F
1 2 3 4 5 6 7 8
A
B
C
D
E
F
Page. No.
Flex Conveyor ST L Control:NPM-D
(L1(1) conveyor,Width adjusting motor)
N610126533+004AB
P004
UL1007 24AWG BU BU
UL1007 24AWG BU BU
UL1007 24AWG BU BU
UL1007 24AWG BU BU
UL1007 24AWG BU BU
UL1007 24AWG BU BU
UL1007 24AWG BU BU
UL1007 24AWG BU BU
UL1007 24AWG BU BU
UL1007 24AWG BU BU
UL1007 24AWG BU BU
UL1007 24AWG BU BU