N7205A119B - 第87页
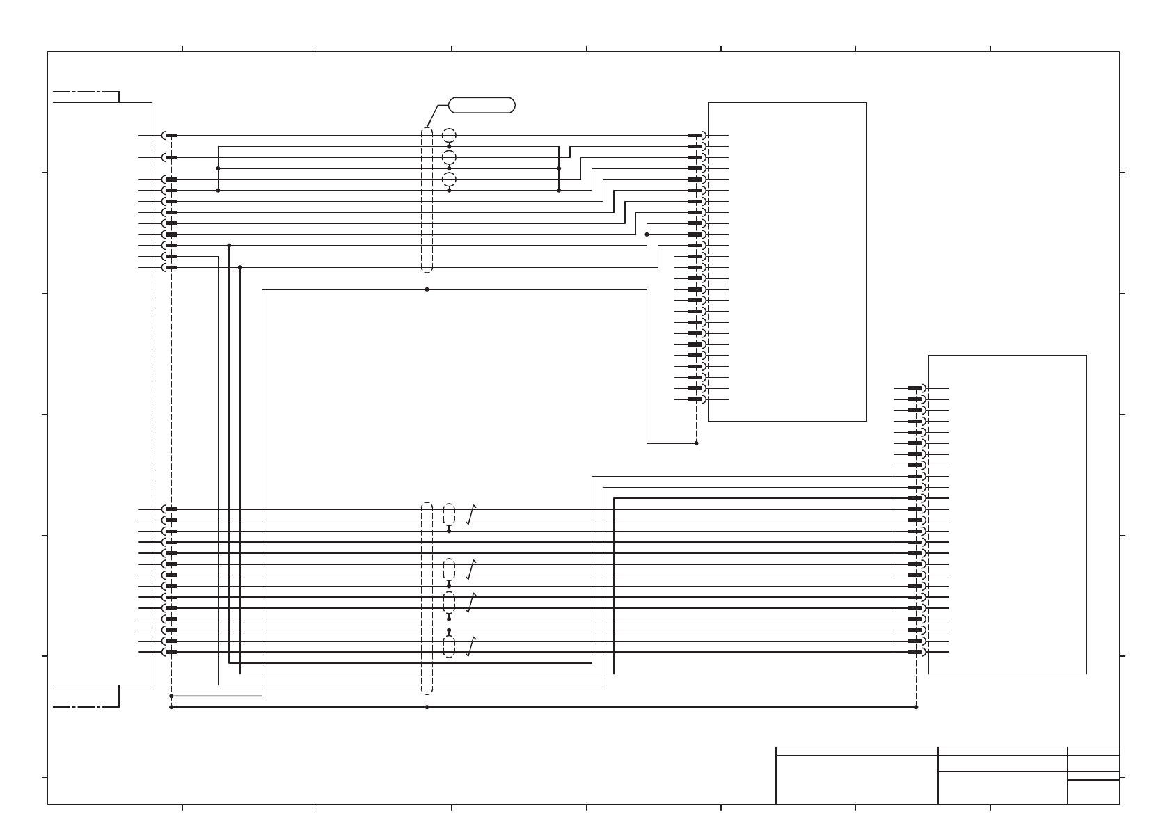
-K313A PDG14042A CNEG EMGF EMGR 1 2 3 CNEG 1 2 3 24GND EMGF EMGR 24GND MTKC002461AD CN Board : Safety #1 CN Board : Safety #2 EGK313A 1 EGK313B 1 RD RD/WH BK BK/WH 4 24GND 5 6 4 24GND 5 6 2 PAP-03V-S PAP-03V-S 2 MOLEX EG…

Feeder Cover Switch : BF
CN Board : Safety #2
CNCV3
S24V
T4
1
2
3
IN700
4
5
6
FDCF2
-K313B
PDG14042A
AMP
S315BR
177901-1
6
5
4
3
2
1
AMP
S315BP
177909-1
6
5
4
3
2
1
+VIN
OUT
IN
I/O_OUT
GND
D40A-1C2
OMRON
-S315B
BK/WH
BK
RD/WH
RD
GN/WH
GN
2464C(BPF)VVP AWG#22×3P-B
BN
BK
WH
YE
BU
MTKC002459AD
Power Unit #2(Bst)
JST
CV3_K313B
PAP-06V-S
6
5
4
3
2
1
Feeder Cover Switch : BR
CNCV4
S24GND
S24V
T5
1
2
3
IN701
4
5
6
FDCR2
AMP
S316BR
177901-1
6
5
4
3
2
1
AMP
S316BP
177909-1
6
5
4
3
2
1
+VIN
OUT
IN
I/O_OUT
GND
D40A-1C2
OMRON
-S316B
BK/WH
BK
RD/WH
RD
GN/WH
GN
2464C(BPF)VVP AWG#22×3P-B
BN
BK
WH
YE
BU
MTKC002460AD
JST
CV4_K313B
PAP-06V-S
6
5
4
3
2
1
MTKA002020** : Feeder Table Cover
MTKA002020** : Feeder Table Cover
MTKP001966AA
MTKP001966AA
+A11B
UL1007 22AWG BU
UL1007 22AWG BU
S24GND
CV2_K313B
2
CV1_K313B
2
CNCV1
S24V
T4
1
2
3
FDCF2
IN600
4
5
6
FDCF1
S24GND
CNCV2
S24V
T5
1
2
3
FDCR2
IN601
4
5
6
FDCR1
S24GND
JST
CV2_K313B
PAP-06V-S
6
5
4
3
2
1
JST
CV1_K313B
PAP-06V-S
6
5
4
3
2
1
UL1007 22AWG BU
UL1007 22AWG BU
1
CV1K313B
CV2K313B
1
2
2
T4
T5
MTKA001089** : Pouwer Unit Bst
MTKC004142**
MTKC004143**
2464-1061/ⅡA(PF)LF 3P×22AWG
2
2464-1061/ⅡA(PF)LF 3P×22AWG
2
2
3 2 1
3 2 1
Panasonic Factory Solutions Co.,Ltd. パナソニック ファクトリーソリューションズ株式会社
Name
Drawing No.
Loc. No.
F4K1020-05A
1
2 3 4 5 6 7 8
A
B
C
D
E
F
1 2 3 4 5 6 7 8
A
B
C
D
E
F
Page. No.
Main Body Wiring (NPM-DX)
(Feeder Cover Wiring : Bst)
MTKA001071+029AD
P029

-K313A
PDG14042A
CNEG
EMGF
EMGR
1
2
3
CNEG
1
2
3
24GND
EMGF
EMGR
24GND
MTKC002461AD
CN Board : Safety #1 CN Board : Safety #2
EGK313A
1
EGK313B
1
RD
RD/WH
BK
BK/WH
4
24GND
5
6
4
24GND
5
6
2
PAP-03V-S
PAP-03V-S
2
MOLEX
EG_K313A
5557-06R-210
6
5
4
3
2
1
MOLEX
EG_K313B
5557-06R-210
6
5
4
3
2
1
GN/WH
GN
2464C(BPF)VVP AWG#22×3P-B
2464-1061/ⅡA(PF)LF 1P×24AWG
2
24GND
24GND
24GND
24GND
2 2
-K313B
PDG14042A
+A11A
Power Unit #1(Ast)
+A11B
Power Unit #2(Bst)
3 2 1
-K313A
3
Panasonic Factory Solutions Co.,Ltd. パナソニック ファクトリーソリューションズ株式会社
Name
Drawing No.
Loc. No.
F4K1020-05A
1
2 3 4 5 6 7 8
A
B
C
D
E
F
1 2 3 4 5 6 7 8
A
B
C
D
E
F
Page. No.
Main Body Wiring (NPM-DX)
(EMG Signal Between Ast to Bst Wiring)
MTKA001071+030AD
P030

+A01
CPU Box
-K301
CRT
Note1) Connector Pin arrangement is not sequential.
CPU Board
HTPE0841-X1
ANALOG_RED
C1
C2
C3
C5
C4
5
8
13
14
16
15
3
6
7
1
2
9
10
11
17
18
19
22
23
24
ANALOG_GREEN
ANALOG_BLUE
ANALOG_HORZ_SYNC
ANALOG_GND
N.C
ANALOG_VERT_SYNC
N.C
POWER +5V
HOT_PLUG_DETECT
GND(+5V)
TMDS_DATA 2-
TMDS_DATA 2+
TMDS_DATA 2 /4 SHIELD
DDC CLOCK_A
DDC DATA_A
TMDS_DATA 1-
TMDS_DATA 1+
TMDS_DATA 1/3 SHIELD
TMDS_DATA 0-
TMDS_DATA 0+
TMDS_DATA 0/5 SHIELD
TMDS_CLOCK SHIELD
TMDS_CLOCK+
TMDS_CLOCK-
CRT_K301
C1
C2
C3
C5
C4
5
8
13
14
16
15
1
2
3
6
7
9
10
11
17
18
19
22
23
24
Note1)
DVI-DVI&DVI CABLE L=2.9-3.3M TAK
Touch Panel (Front)
3
7
10
11
17
6
9
19
22
23
24
18
TMDS_D 2/4 SHILD
DDC_CLOCK_D
DDC_DATA_D
TMDS_DATA 1-
TMDS_DATA 1+
TMDS_D 1/3 SHILD
TMDS_DATA 0-
TMDS_DATA 0+
TMDS_D 0/5 SHILD
TMDS_CLOCK SHILD
TMDS_CLOCK+
TMDS_CLOCK-
14
15
2
16
1
POWER +5V
HOT_PLUG_DETECT
GND(+5V,HV-SYNC)
TMDS_DATA2-
TMDS_DATA2+
6
DDC CLOCK_A
C3
C4
8
C5
7
ANLOG_BLUE
ANLOG_GND
ANLOG_HORZ_SYNC
DDC DATA_A
ANLOG_VERT_SYNC
C1
C2
ANLOG_RED
ANLOG_GREEN
1A03
24
23
22
19
18
17
11
10
9
7
6
3
2
1
15
16
14
6
8
7
C4
C5
C3
C2
C1
Note1)
MTNW000474AA
+A03
R08RP3
Topre
Touch Panel (Rear)
3
7
10
11
17
6
9
19
22
23
24
18
TMDS_D 2/4 SHILD
DDC_CLOCK_D
DDC_DATA_D
TMDS_DATA 1-
TMDS_DATA 1+
TMDS_D 1/3 SHILD
TMDS_DATA 0-
TMDS_DATA 0+
TMDS_D 0/5 SHILD
TMDS_CLOCK SHILD
TMDS_CLOCK+
TMDS_CLOCK-
14
15
2
16
1
POWER +5V
HOT_PLUG_DETECT
GND(+5V,HV-SYNC)
TMDS_DATA2-
TMDS_DATA2+
6
DDC CLOCK_A
C3
C4
8
C5
7
ANLOG_BLUE
ANLOG_GND
ANLOG_HORZ_SYNC
DDC DATA_A
ANLOG_VERT_SYNC
C1
C2
ANLOG_RED
ANLOG_GREEN
1A04
24
23
22
19
18
17
11
10
9
7
6
3
2
1
15
16
14
6
8
7
C4
C5
C3
C2
C1
Note1)
+A04
R08RP3
Topre
CN1(DVI-I)
1
DVI-D
DVI-DA04
1
CN1(DVI-I)
1
DVI-D
DVI-DA03
1
DVI-DVI&DVI CABLE L=2.8-3.2M TAK
2
DVI-DVI&VGA CABLE L=3.0-2.8M TAK
1
1
CRTK301
2
3
Panasonic Factory Solutions Co.,Ltd. パナソニック ファクトリーソリューションズ株式会社
Name
Drawing No.
Loc. No.
F4K1020-05A
1
2 3 4 5 6 7 8
A
B
C
D
E
F
1 2 3 4 5 6 7 8
A
B
C
D
E
F
Page. No.
Main Body Wiring (NPM-DX)
(Touch Panel Wiring 1)
MTKA001071+031AD
P031