7OM-1625-004_w - 第162页
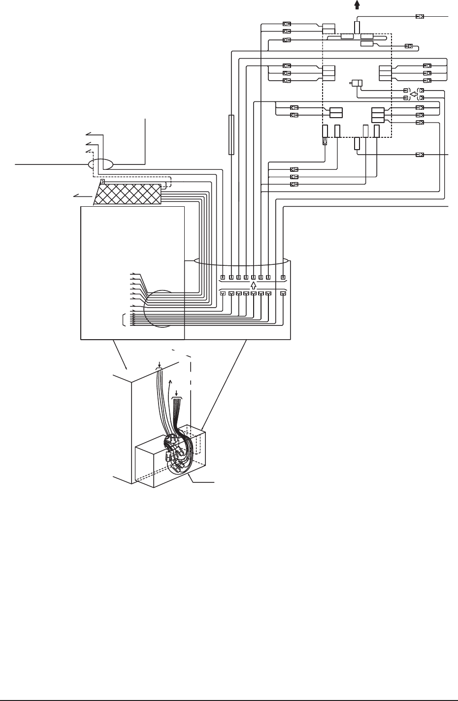
7OM-1603 5-5 Symbol Name Symbol Name B15407 Pallet Chuck Claw Open/Close Detection L B15426 Elevator Unit Clamp Cylinder L (Clamped Side) B15408 Pallet Chuck Claw Open/Close Detection R B15427 Elevator Unit Clamp Cylinde…

7OM-1603
5-4
2.2 Traverse Cart
1003-002 C(1092100001)
U69:X6909
K52-33, K52-43
Feeder Base Section
Electrical Box
Main Machine
Batch Connector : X30
X16302
Ground Terminal
U154:X15403
XTB1
K101 Relay Connector
Specially Designed for ACV :X4
X0102,X0202,X0302
〈TB:TV〉
TV-EV Bundled Connector
U154 PCB
A01(TV Shaft)
Traverse Axis Draw Hole
From Feeder Base Section Electrical Box
Main Machine Traverse Bundled Connector
(Rear Cover)
To M01(CN:M01,M01P)
From Traverse Section
Connector No. :
X16909/TV1/TV2/TV3/TV4/
XB15417/XB15417T/X10107
B15417
B15419
B15427
B15426
B15418
B15414
Y15439
B15415
B15407
B15413
B15412
B15412
B15417
B15418
B15419
B15417T
B15419T
B15418T
Y15437
B15429
B15428
B0102
B15426
B15427
B15428
B15429
B15437
90451B
41451B
51451B
90451B
2010B
93451Y
B15417T
B15418T
B15419T
M01
M01
M01P
1010B
B15408
B15407
B15413
B15411
B0101
B15411
M01
M01P
(Upper Surface Hole)
90961X
1VT
T71451BX
71451BX
2VT
3VT
4VT
70101X
90961X
1VT
T71451BX
71451BX
2VT
3VT
4VT
70101X
Main Machine Side
Traverse Section
Electrical Box
Traverse Section
Electrical Box
〈Traverse Section 〉
elbaCtoboR

7OM-1603
5-5
Symbol Name Symbol Name
B15407 Pallet Chuck Claw Open/Close Detection L B15426 Elevator Unit Clamp Cylinder L
(Clamped Side)
B15408 Pallet Chuck Claw Open/Close Detection R B15427 Elevator Unit Clamp Cylinder L
(Unclamped Side)
B15409 Pallet Transfer Section Automatic Teaching
Photo Sensor L
B15428 Elevator Unit Clamp Cylinder R
(Clamped Side)
B15411 Pallet Detection B15429 Elevator Unit Clamp Cylinder R
(Unclamped Side)
B15412 Feeder Pick-up Error Component Detection Y15437 Elevator Unit Clamp Open/Close Cylinder
Valve (Door)
B15413 Hook OFF Detection Y15439 Pallet Chuck Claw Cylinder Valve (Door)
B15414 Elevator Unit Access Detection L B0101 Limit (+) Sensor
B15415 Elevator Unit Access Detection R B0102 Limit (-) Sensor
B15417 Pick-up Error Detection (8mm):
Lower (Light Receiving)
M01 TV Shaft Motor
B15418 Pick-up Error Detection (14mm):
Intermediate (Light Receiving)
B15419 Pick-up Error Detection (32mm):
Upper (Light Receiving)
B15417T Pick-up Error Detection (8mm):
Lower (Light Projecting)
B15418T Pick-up Error Detection (14mm):
Intermediate (Light Projecting)
B15419T Pick-up Error Detection (32mm):
Upper (Light Projecting)
1003-002 C(1092100001)

7OM-1603
5-6
3. Parts Location
3.1 Electrical Box
0908-001 (109210150B-02_1N)
4
4
4
4 4 4
3
4 4
4
4 4
K201
K101
K301
Q101
Q201
Q301
K513
K512
K509
K508
K507
K002
K001
K502
K503
K504
K505
4
4
4
161
72 12
U154
(UA54)
TV
A03
EV2
A02
EV1
A01
TV
4
K505
K504
K503
K502
K513
K512
K509
K508
K507
K002
K001
4
TP3A TP3B TP3C TP3D
1 8 1 8 81 1 8
CN5
CN13
CN21
CN29
CN30
CN22
CN14
CN6
CN7
CN15
CN23
CN31
CN33
CN25
CN17
CN9
CN8
CN16
CN24
CN32
CN36
CN28
CN20
CN12
CN35
CN27
CN19
CN11
CN10
CN18
CN26
CN34
1 2 3 4
CN4 CN3
21
CN37
CN46
CN38
CN40
CN48
CN47
CN39
CN43
CN51
CN52
CN44
CN42
CN50
CN49
CN41
81
TP4A TP4B
1 8
CN53
CN2 CN1
4
4
44
4 4 4
4
Q301Q201Q101
K301K201K101
4
4 4
4 4
4
44
4
t1
tSt0
t3
tSt1
t5
tSt2
t0
tKt0
t2
tKt1
t4
tKt2
t1
tSt0
t3
tSt1
t5
tSt2
t0
tKt0
t2
tKt1
t4
tKt2
t1
tSt0
t3
tSt1
t5
tSt2
t0
tKt0
t2
tKt1
t4
tKt2
G2R-2
-SND
G2R-2
-SND
G2R-2
-SND
G2R-2
-SND
G2R-2
-SND
For A02
(EV1)
For A03
(EV2)