7OM-1625-004_w - 第184页
7OM-1603 5-27 U157 Component Reload Switch PCB (Upper) 4.2 Electrical Circuit Diagrams U157 Component Reload Switch PCB (Upper) 0908-001 A(M921WB---0012) CN1 2 1 24B1 1 10B OUT IN X15701 :4 :5 :2 :3 :35 :33 :32 :31 :34 7…

7OM-1603
5-26
U156 Component Reload Switch PCB (Lower)
4.2 Electrical Circuit Diagrams U156 Component Reload Switch PCB (Lower)
0908-001 A(M921WB---0011)
CN1
21
24B11
10B
OUTIN
X15601
:2
:6
:3
:7
:7
:2
:5
:4
:3
724 3553 427
X1562BX1562A
RX
/RX
TX
/TX
FG
FG
/TX
TX
/RX
RX
CN2BCN2A
[B-/08/6A] [B-/12/3A]
GND
GND
+5V
I/O P.C.B
STLT_TR SW1 (Lower)
U156
I/O P.C.B
STLT_TR SW1
U156
GND
7
8
9
10
11
12
13
14
15
16
17,18
19,20
1
2
3
4
5
6
CN3ACN3B CN4BCN4A
GND
+5V
7
8
9
10
11
12
13
14
15
16
17,18
19,20
1
2
3
4
5
6
GND
+5V
GND
+5V
[B-/13/4D]
(Lower)
S01
S02
S04
S03
S07
S08
S06
S05
S13
S14
S16
S15
S11
S12
S10
S09
LED01
LED02
LED04
LED03
LED07
LED08
LED06
LED05
LED13
LED14
LED16
LED15
LED11
LED12
LED10
LED09
:9
Reload Switch 1
Reload Switch 2
Reload Switch 3
Reload Switch 4
Reload Switch 5
Reload Switch 6
Material Shortage
Indicator Lamp 3
Material Shortage
Indicator Lamp 4
Material Shortage
Indicator Lamp 9
Material Shortage
Indicator Lamp 10
Material Shortage
Indicator Lamp 11
Material Shortage
Indicator Lamp 12
Material Shortage
Indicator Lamp 13
Material Shortage
Indicator Lamp 14
U157(STLT TR SW2)
X1572A(CN2A)
Material Shortage
Indicator Lamp 1
Material Shortage
Indicator Lamp 2
Material Shortage
Indicator Lamp 6
Material Shortage
Indicator Lamp 5
Reload Switch 12
Reload Switch 10
Reload Switch 9
Reload Switch 8
Reload Switch 7
Reload Switch 14
Reload Switch 13
Reload Switch 11
Reload Switch 14
All Reload Switch
Material Shortage
Indicator Lamp 7
Material Shortage
Indicator Lamp 8
Material Shortage
Indicator Lamp 15
All Reload
Indicator Lamp
U155(STLT ILB EV)
X15504(CN4)
1 2 3 4 5 6 7 8
A
B
C
D
E
F

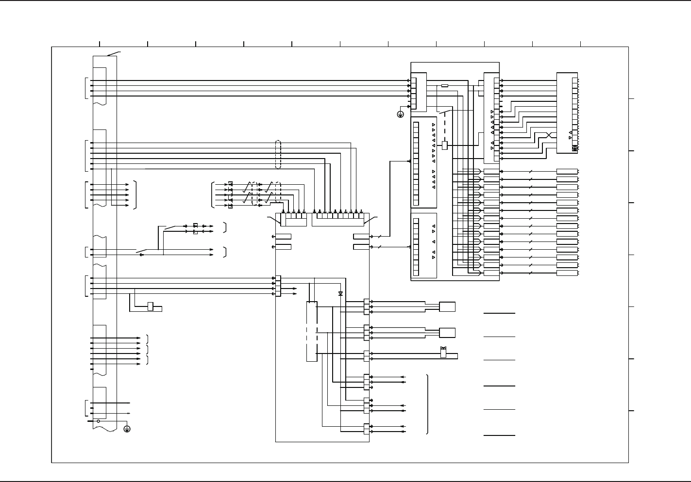
7OM-1603
5-27
U157 Component Reload Switch PCB (Upper)
4.2 Electrical Circuit Diagrams U157 Component Reload Switch PCB (Upper)
0908-001 A(M921WB---0012)
CN1
21
24B11
10B
OUTIN
X15701
:4
:5
:2
:3
:35
:33
:32
:31
:34
724 3553 427
X1572BX1572A
RX
/RX
TX
/TX
FG
FG
/TX
TX
/RX
RX
CN2BCN2A
S01
S02
S04
S03
S07
S08
S06
S05
S13
S14
S16
S15
S11
S12
S10
S09
LED01
LED02
LED04
LED03
LED07
LED08
LED06
LED05
LED13
LED14
LED16
LED15
LED11
LED12
LED10
LED09
[B-/11/6A] [B-/13/4C]
GND
GND
+5V
I/O P.C.B
STLT_TR SW2 (Upper)
U157
GND
7
8
9
10
11
12
13
14
15
16
17,18
19,20
1
2
3
4
5
6
CN3ACN3B CN4BCN4A
GND
+5V
7
8
9
10
11
12
13
14
15
16
17,18
19,20
1
2
3
4
5
6
GND
+5V
GND
+5V
[B-/13/3D]
I/O P.C.B
STLT_TR SW2
U157
(Upper)
:7
X35
:3
X26909
:5
:7
:9
Connector Case
TV/EV Connecting Bundled Connector
U156(STLT TR SW1)
X15602(CN2B)
1 2 3 4 5 6 7 8
A
B
C
D
E
F
Reload Switch 1
Reload Switch 2
Reload Switch 3
Reload Switch 4
Reload Switch 5
Reload Switch 6
Material Shortage
Indicator Lamp 3
Material Shortage
Indicator Lamp 4
Material Shortage
Indicator Lamp 9
Material Shortage
Indicator Lamp 10
Material Shortage
Indicator Lamp 11
Material Shortage
Indicator Lamp 12
Material Shortage
Indicator Lamp 13
Material Shortage
Indicator Lamp 14
Material Shortage
Indicator Lamp 1
Material Shortage
Indicator Lamp 2
Material Shortage
Indicator Lamp 6
Material Shortage
Indicator Lamp 5
Reload Switch 12
Reload Switch 10
Reload Switch 9
Reload Switch 8
Reload Switch 7
Reload Switch 14
Reload Switch 13
Reload Switch 11
Reload Switch 14
All Reload Switch
Material Shortage
Indicator Lamp 7
Material Shortage
Indicator Lamp 8
Material Shortage
Indicator Lamp 15
All Reload
Indicator Lamp

7OM-1603
5-28
Feeder Base Circuit Diagrams
4.2 Electrical Circuit Diagrams Feeder Base Circuit Diagrams
1007-003 C(M921WB---0013)
SSD-L-40-15-T3V D
SSD-L-40-15-T3V D
(HLS+RS232C)
9
8
5
6
7
4
1
2
3
+24V
+24v
GND
X01
GND
FG
13
10
11
12
S.GND
TXD
RXD
4GND
1
2
3
+24V
+24V
GND
9
8
5
6
7
13
10
11
12
S.GND
TXD
RXD 14
15
16FG
X01
14
X02
14
X03
14
X04
14
X05
OUT1
OUT2
IN1
IN2
IN3
14
X06
14
X07
14
X08
14
X09
14
X10
14
X11
14
X12
14
X13
14
X14
14
X15
X02
X03
X04
X05
X06
X07
X08
X09
X10
X11
X12
X13
X14
X15
4
3
2
1 GND
+24V
GND
+24V
X100
X68100
Connection P.C.B FB
-U68
6
5
FG
OUT1
OUT2
IN1
IN2
IN3
X01:
X01:
X01:
X01:
X01:
OUT1
OUT2
IN1
IN2
IN3
X02:
X02:
X02:
X15:
X15:
OUT2
IN1
X15:
X15:
…
X101
X01:
X01:
X01:
X02:
X02:
X15:
X15:
…
X102
S.GND
TXD
RXD
S.GND
TXD
TXD
RXD
24G5
10G
24G6
10G
:5
:8
:7
:6
X300C
U69
X6909
FG(ConnectorCase)
/TX
CN9
TX
/RX
RX
I/O P.C.B
STLT_FB
:3
:2
:4
:1
24G2
24G1
10G
10G
:6
:5
:10
:9
:8
:7
:34
:32
:33
:31
:35
FG
RTS
TxD
S.GND
RxD
CTS
φ6
:3
79 68
FG
RTS
CN6
CTS
5
S.GND
4 3
TXD
2
RXD
1
80X6901
CN1CN2
X6908
CN8
10B1
24VB1
X6801
X6802
X6803
X6804
X6805
X6806
X6807
X6808
X6809
X6810
X6811
X6812
X6813
X6814
X6815
X68101
X68102
X6906
X300F
X300A
1
2
3
4
10B2
24VB2
CN4
50X6903
CN3
3
7 5
9
X300C
:1
:6
:9
:10
:11
:12
X300E
+24V
GND
+24V
:1
:2
:1
:2
-X6911
-X6912
-X6915
:2
:3
77
80
79
78
73
76
75
74
9
8
7
6
1
5
…
…
47
50
49
48
46
8
7
1
6
…
…
:2
:7
:8
RLY
1Ω7W
Y6913X6913
1
2
CN13
24VBO
24VBO
24VBO
[B-/13/3F]
B6914
-
OUT
+
BL
BK
BR
B6910
-
OUT
+
BL
BK
BR
24VBO
CN10
CN14
X6910
X6914
1
2
3
1
2
3
24VBO
1
2
3
1
2
3
2
1
X300E
:8
:9
:10
:11
:6
:7
+24V
GND
+24V
X6912
CN12
X6915
CN15
X6911
CN11
U157(STLT TR SW2)
[B-/12/6A]
[B-/08/3F] [B-/10/3F]
DC24V
[D-/12/4D]:(1)
[D-/22/4D]:(2)
RS232C
[D-/12/8D]:(1)
[D-/22/8D]:(2)
DC24V
[D-/12/4C]:(1)
[D-/22/4C]:(2)
[D-/12/4A]:(1)
[D-/22/4A]:(2)
:1
:2
:2
:6
[B-/05/3A]
:3
:4
:3
:7
:9
U154(STLT ILB TR)
X15403(CN3)
HLS
[D-/12/8C]:(1)
[D-/22/8C]:(2)
/RX
/TX
RX
TX
FG
24VBO
[B-/05/2F] [B-/07/3F]
K505
4 8
24B10
10B
A1 A2
K52
:2
X215501
:1
:60
X35
:59
X1572B(CN2B)
:3
X16909
:5
:7
:9
:2
115501
:1
24B11
10B
[B-/11/4F] [B-/12/4F]
X35
:9
:5
:7
:3
X26909
K52
44 43
:1
:2
X300C
10B
24B1
DC24V
[D-/12/4E]:(1)
[D-/22/4E]:(2)
X30
C module
(12Pins)
Note 1
F module
(12Pins)
A module
(3Pins)
C module
(12Pins)
E module
(12Pins)
X15402,X15401
U154(STLT ILB TR)
D module
(12Pins)
1
2 3 4 5 6 7 8 9 10 11 12
A
B
C
D
E
F
G
H
[B-/13/7H]
[B-/13/7G]
[B-/13/7G]
Air Pressure Hose
External Note (Clamp)
External Note (Unclamp)
External Command
(Feeder Clamp)
Offline Control
to U69(CN15)
Offline Control
to U69(CN12)
Offline Control
to U69(CN11)
to Solenoid Valve
to Solenoid Valve
TV/EV Connecting Bundled Connector
TV/EV Connecting Bundled Connector
DC Sensor and Load Power
Elevator Section
External Unit Connecting Bundled Connector
: Connector
Case
: Connector
Case
Connector:IL-S-3P-S2T2-EF
Pin:IL-S-C2-S-0001
Connector:IL-S-3P-S2T2-EF
Pin:IL-S-C2-S-0001
Connector:IL-S-2P-S2T2-EF
Pin:IL-S-C2-S-0001
Connector:IL-S-2P-S2T2-EF
Pin:IL-S-C2-S-0001
Connector:IL-S-3P-S2T2-EF
Pin:IL-S-C2-S-0001
Connector:IL-S-3P-S2T2-EF
Pin:IL-S-C2-S-0001
Internal I/O Circuit
External Command
(Feeder Clamping)
for Offline Control
10 Lane Feeder Clamp
Feeder Clamp Lower Limit
Outside Notification (Clamping)
for Offline Control
Feeder Clamp Lower Limit
Outside Notification (UnClamping)
for Offline Control
(Clamping)
(UnClamping)
10 Lane Feeder Clamp Upper Limit
10 Lane Feeder Clamp Lower Limit
Drawer Connector for Feeder
Drawer Connector for Feeder
Drawer Connector for Feeder
Drawer Connector for Feeder
Drawer Connector for Feeder
Drawer Connector for Feeder
Drawer Connector for Feeder
Drawer Connector for Feeder
Drawer Connector for Feeder
Drawer Connector for Feeder
Drawer Connector for Feeder
Drawer Connector for Feeder
Drawer Connector for Feeder
Drawer Connector for Feeder
Drawer Connector for Feeder
Transfer Start 1
Transfer Start 2
Transfer Ready
Communication
Ready
Feeder
Connectior Check