NPM-W2 20170725 - 第198页
42 キットレイアウト KIT LAYOUT - - U83 ( KEJM7DS-18-42 )

41
キットリスト
KIT LIST
Kit Name
番号
Part No.
キット名
品 番
No.
RankQ'ty
数量 ランク
頁
Page
168
MTKA001854AA
30 Exchange Chassis Drives Right Side Movable
Cover:NPM-W2
30連交換台車駆動部(右側) 可動カバー:NPM-
W2
1
O543
169
MTKA001855AA
30 Exchange Chassis Drives Left Side Movable
Cover:NPM-W2
30連交換台車駆動部(左側) 可動カバー:NPM-
W2
1
O547
170
MTKA001978AA
Label (Movable Cover (Front Side)):NPM-W2
銘板・警告ラベル(可動カバー(前側)):NPM-W2
1
O551
171
N610152434AA
Movable Cover:NPM-W2
可動カバー:NPM-W2
1
O553
172
MTKA002576AA
Label (Movable Cover (Rear Side)):NPM-W2
銘板・警告ラベル(可動カバー(後側)):NPM-W2
1
O561
U82
--
( KEJM7DS-18-41 )

42
キットレイアウト
KIT LAYOUT
--
U83
( KEJM7DS-18-42 )

42
キットリスト
KIT LIST
Kit Name
番号
Part No.
キット名
品 番
No.
RankQ'ty
数量 ランク
頁
Page
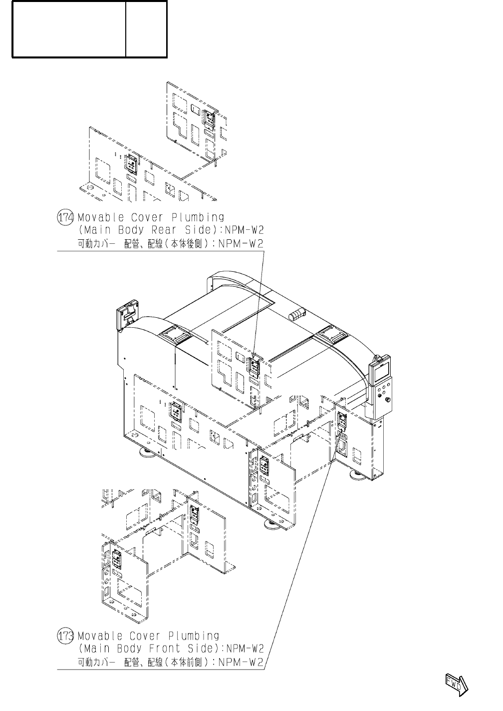
173
MTKA002623AA
Movable Cover Plumbing(Main Body Front
Side):NPM-W2
可動カバー 配管、配線(本体前側):NPM-W2
1
O563
174
MTKA002646AA
Movable Cover Plumbing(Main Body Rear
Side):NPM-W2
可動カバー 配管、配線(本体後側):NPM-W2
1
O565
U84
--
( KEJM7DS-18-42 )