NPM-W2 20170725 - 第411页
Ref No. Remarks R 1 Q'ty 59-D 軽量8ノズルヘッド Light W eight 8 Nozzle Head イラスト No. Part No. 品 名 品 番 数量 R 2 パーツリスト Kit No. キット品番 Kit Name キット名称 N610166370AA Part Nam e 備 考 セク ショ ンNo . PARTS LIST Section No. R 3 PIECE 16 1 …

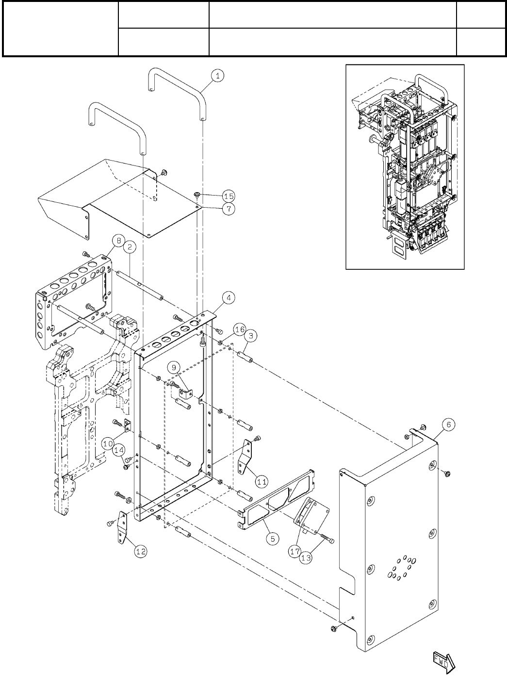
59-D
軽量8ノズルヘッド
Light Weight 8 Nozzle Head
パーツレイアウト
Kit No.
キット品番
Kit Name
キット名称
N610166370AA
セクションNo.
PARTS LAYOUT
Section No.
--
O205
( KN610166370AA-09-4 )

Ref
No.
Remarks R
1
Q'ty
59-D
軽量8ノズルヘッド
Light Weight 8 Nozzle Head
イラスト
No.
Part No.
品 名品 番 数量
R
2
パーツリスト
Kit No.
キット品番
Kit Name
キット名称
N610166370AA
Part Name
備 考
セクションNo.
PARTS LIST
Section No.
R
3
PIECE
16
1 N210110278AA
HOLDER
8
2 N210081891AB
SPRING
8
3 N210068065AA
A
SPRING
8
4 MTPA000688AA
A
NOZZLE HOLDER
8
5 MTKP000165AC
BRACKET
8
6 MTKP000164AC
CLAMP-ARM(Black)
16
7 MTKP000166AA
A
HOUSING
8
8 MTKA005213AB
JOINT
8
9 MTNP000432AA M-5AU-4-X163
STEEL-BALL
8
10 KXF04BQAA00 2mm
BEARING
8
11 N510069002AA MF117ZZMC3 NS7L
BEARING
8
12 N510069003AA MF85CZZMC3 NS7L
PACKING
16
13 KXF0CSQAA00 MYA-5
SHIM
8
14 N510028628AA RF002004020
BEARING
8
15 N510067507AA MR62JZZMC2 NS7L
PIN
8
16 N510049558AA N2X5-07
O206
--
( KN610166370AA-09-4 )

59-E
軽量8ノズルヘッド
Light Weight 8 Nozzle Head
パーツレイアウト
Kit No.
キット品番
Kit Name
キット名称
N610166370AA
セクションNo.
PARTS LAYOUT
Section No.
--
O207
( KN610166370AA-09-5 )